Портал для радиолюбителей
   Цоколевка диодов (21-40)
    


Цоколевка диодов (21-40)

АД110

АД112

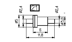
КД401, ГД403, КД504, ГД511, 2Д809

ГД404АР

КД105

КД109

КДС111, КВС111

КД205

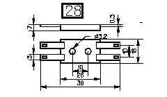
2Д212, 2Д228, 2С402А-Г, 2С502А-Н

КД409, КД512-1, КД514-1, КВ109, КВ121, КВ122, КВ123, 2В124, 2В125, КВ127, КВ130, КВ132, 2В133, КВ134, КВ138, КВ142, КВ144-1

КД410

КД910, КД911

КВ128, КВ129, КВ143, КД424, КД509, 2Д510, КД521, 2Д522, КД805, 2Д926, 2Д927А, КС115А, КС121А

КД523А,Б

КД523В,Г

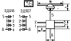
2Д907, 2Д918

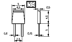
2Д908, КД917

АД516

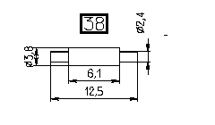
2Д237, КД513, КД518, КВ139

КД526

Автор: Козак Виктор Романович, Новосибирск, 1-мар-2001г.
E-mail: kozak (at) inp.nsk.su


    © PavKo, 2007-2018   Обратная связь   Ссылки views: 11546 -- users: 4485 -- web3   Яндекс.Метрика