Простой электропунктурный стимулятор
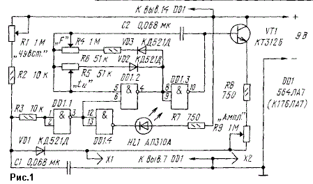
Схема одного из стимуляторов приведена на рис. 1. Основные детали его - микросхема серии 564 или К176, светодиодный индикатор HL1 и транзистор VT1, на котором выполнен согласующий (буферный) каскад. Кроме того, стимулятор снабжен щупами Х1 и Х2, из которых Х1 считается активным - им водят по телу и отыскивают нужную точку, а Х2 - пассивным, прикрепляемым, например, к руке.

На
элементах DD1.1, DD1.4 собран
определитель биологически
активных точек (БАТ), а на DD1.2,
DD1.3 - генератор стимулирующих
импульсов. При попадании щупа
Х1 на активную точку
сопротивление тела человека в
этом месте резко падает, в
результате чего на входе
элемента DD1.1, а значит, и на
выходе DD1.4, появляется
практически уровень
логического 0. О найденной
точке информирует
загоревшийся светодиод HL1.
Одновременно появившийся на
выходе элемента DD1.1 уровень
логической 1 разрешает работу
генератора. Вырабатываемые им
импульсы проходят через
согласующий каскад и поступают
на активный щуп Х1, а через него
- на тело пациента. Диод VD1
препятствует прохождению
импульсов на вход элемента DD1.1
и в то же время в паузах между
импульсами позволяет
сохранить режим поиска БАТ.
Таким образом, отпадает
необходимость в кнопке,
характерной для подобных
стимуляторов и переключающей
щупы из режима поиска точек в
режим стимуляции.
Переменным резистором R1
устанавливают порог
срабатывания автоматики
индивидуально для каждого
пациента, резисторами R4 и R5 -
частоту следования и
длительность стимулирующих
импульсов, а резистором R9 - их
амплитуду.
Детали устройства могут быть
размещены в небольшом
металлическом пенале, служащем
одновременно пассивным щупом.
Для изготовления же активного
щупа подойдет отработавшая
свое шариковая авторучка, к
пишущему узлу которой
припаивают провод, а в корпус
при необходимости заливают
лекарственный препарат - тогда
процедура стимулирования
будет совмещаться с
электрофорезом (лечебным
методом воздействия на
организм постоянным током и
лекарственными веществами,
вводимыми с его помощью через
кожу или слизистые оболочки).
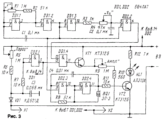
Если, помимо световой, нужна и звуковая индикация поиска БАТ, стимулятор следует доработать, как показано на рис. 2. Каскад на транзисторе VT2 совместно с каскадом на элементе DD1.4 образуют генератор ЗЧ, сигнал которого преобразуется в звук пьезоэлектрическим излучателем BF1.

Следует заметить, что в генераторе импульсов стимулятора при регулировании частоты немного изменяется длительность импульсов, а при регулировании длительности - частота.
На рис. 3 приведена еще одна схема стимулятора, в котором генератор импульсов выполнен иначе, что позволило избежать взаимного влияния частоты и длительности импульсов. Кроме того, питается генератор на элементах DD1.1 - DD1.3 от элемента DD2.1.

Генератор световых и звуковых сигналов, выполненный на элементах DD2.3, DD2.4, модулируется сигналом генератора стимулирующих импульсов - это позволяет визуально и на слух контролировать частоту стимулирующих импульсов.
При номиналах элементов, указанных на схемах стимуляторов, частоту импульсов можно изменять переменным резистором от 10 до 150 Гц, а длительность - от 0,5 до 5 мс.
Внимание! Пользоваться прибором после консультации с врачом!
А. Бородай
Радио 2/98