Антенна Харченко диапазона 145 МГц


Антенна Харченко широко используется в России для приема телевидения и в служебной радиосвязи. Но радиолюбители ее используют для работы на диапазоне 145 МГц. Эта антенна является одной из немногих, которая работает весьма эффективно, и практически не требует настройки. Схема антенны Харченко показана на рис. 1.


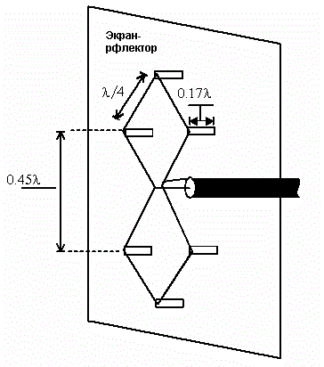
Рис. 1. Антенна Харченко

Для работы антенны можно использовать как 50, так и 75-Омный коаксиальный кабель. Антенна широкополосная, работает в полосе частот не менее 10 МГц на диапазоне 145 МГц. Для создания односторонней диаграммы направленности используют сзади антенны металлическую сетку, расположенную на расстоянии (0,17-0,22)λ.

Антенна Харченко обеспечивает ширину лепестка диаграммы направленности в вертикальной и горизонтальной плоскости близкую к 60о. Для еще большего сужения диаграммы направленности используют пассивные элементы в виде вибраторов длиной 0,45λ, расположенных на расстоянии 0,2λ от диагонали квадрата рамок. Для создания узкой диаграммы направленности и увеличения коэффициента усиления антенной системы используют несколько объединенных антенн.


Добавил:  Павел (Admin)  webmaster@radioman-portal.ru | 

Автор:  И. Григоров, RK3ZK  Рейтинг@Mail.ru