Портал для радиолюбителей
   Удлинитель COM порта на 200 метров
    Главная -> Статьи -> Компьютерная электроника -> Удлинитель COM порта на 200 метров


<< Назад в раздел   Распечатать Дата добавления: 2007-10-12 | Просмотров: 8547

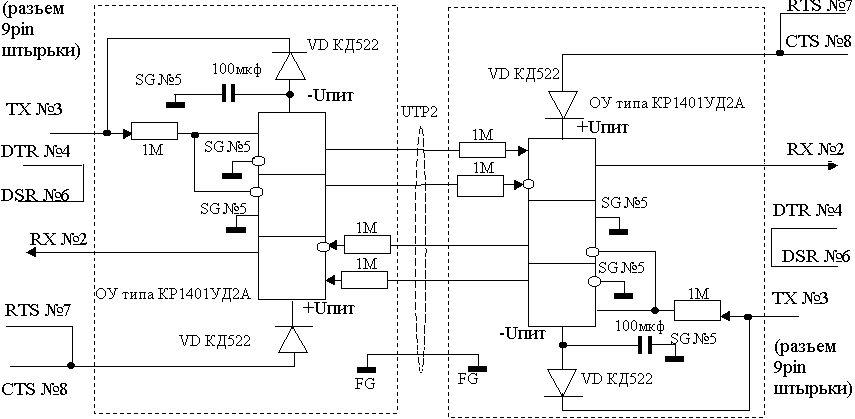
Схема

  Кабель используется типа UTP2. Схема размещается в корпусе переходника 9-9pin. Прием-передача выполнены по балансной схеме и являются помехозащищенными. Питание берется с Com портов, т.е. уровни входных напряжений сигнала согласованы. Дальность достигается за счет того, что входные токи ОУ порядка 10 nA а выходные порядка 2 mA за счёт чего достигается высокая чувствительность. Сопротивления выбраны такие для того чтобы схема работала и в случае возникновения наводок ограничить входные токи. Все элементы дешевые. К тому же защищается Com порт, высокое напряжение в линии сожжет ОУ, а не порт. Проверить правильность сборки можно подключив преобразователь к Com порту, на стороне линии соединить прием с передачей (соблюдая полярность сигнала) запустить терминальную программу и нажимая клавиатуру на экране должны отражаться нужные символы (при включённом "локальном эхе" дублироваться).


Добавил:  Павел (Admin)  
Автор:  Неизвестно 

Вас может заинтересовать:

  1. Тестер для витой пары
  2. Как получить 5 вольт от порта RS-232
  3. Техника разводки печатных плат
  4. Переделка старых блоков питания компьютера АТ в АТХ
  5. ИК-порт для компьютера(для COM порта)


    © PavKo, 2007-2018   Обратная связь   Ссылки views: 3342 -- users: 2733 -- web3   Яндекс.Метрика