Портал для радиолюбителей
   Передатчик ТТЛ сигнала
    Главная -> Статьи -> Компьютерная электроника -> Передатчик ТТЛ сигнала

Комфорт и контактные линзы johnson johnson Glavlinza.ru.

<< Назад в раздел   Распечатать Дата добавления: 2007-10-12 | Просмотров: 8121

Передатчик ТТЛ сигнала

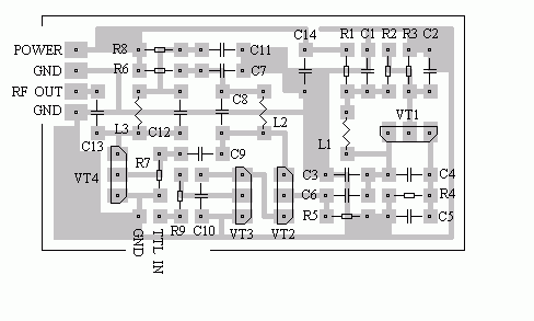
  Передатчик разрабатывался для передачи цифровых сигналов в безпроводных компьютерных сетях, также может быть использован для ситем оповещения дистанционных включателей и тому подобных приборов. Использование передатчика для передачи цифровых сигналов наложило высокие требования к качеству изходящего от него сигнала, схема получилась весма недорогой при повторении, примерно 1.5 доллара. Передатчик использует 100% АМ модуляцию для передачи данных , частота ключевания может достигать 0..500КГц и может быть поднята уменьшением емкости конденсатора С10. Рабочая частота 104МГц обусловлена только отсутствием приемной аппаратуры на другие диапазоны и легко может быть изменена без потерь в качестве сигнала или его мощности. Питание 9 Вольт, напряжение питания должно быть хорошо отфильтрованно и стабилизированно. Токи потребления генератор - 5мА, первый каскад усилителя примерно 2мА , выходной каскад 7мА, все вместе 14мА.Максимальная мощность, при хорошо настроенных контурах, примерно 100мВт. Если описывать мощность передатчика на практических примерах, то можно привести такой факт, что на 50% от максимально возможного излучения устойчивый прием был через 7 этажей панельного здания или такой излучение платы (антенны нет) нормально принимается через пару бетонных перегородок и расстояние 10м , опытов на открытой местности пока не проводил. Хочу так же напомнить, что излучаемая мощность при плохой настройке передатчика может составлять десятки процентов от максимально возможного.При настройке приемника на частоту передатчика слышен только "белый" шум приемника на максимально возможной громкости приемника .

Передатчик ТТЛ сигнала

Передатчик ТТЛ сигнала

Передатчик ТТЛ сигнала

  Плата с обратной стороны имеет слой фольги - подложку, ее необходимо в двух трех местах припаять к общему проводу. Передатчик мной проверялся только на этом варианте платы. Катушки намотаны на оправке из центрального изолятора диаметром 5мм антенного кабеля 75Ом , количество витков - 5, диаметр провода - 0.5мм. C3, показанный на схеме, отсутствует на фото и в случае необходимости подбирается и ставится на предназначенное для него на плате место. Транзисторы можно заменить на КТ368АМ, при этом частота будет несколько выше, хотя для замены подойдут любые универсальные транзисторы с частотой более 300 МГц и мощностью более 200мВт, таких вариантов несчесть.

  Резонансный контур выходного каскада L3 C12 рекомендую заменить длинной линией в виде катушки, при этом мощность излучения поднимается в два раза .Данные для катушки, провод длинной 0.1 длинны волны, каркас из центрального изолятора антенного кабеля 75Ом, намотка сплошная. Оптимальной нагрузкой выходного каскада передатчика является длинная линия в виде катушки .Длинна провода в катушке определяется частотой передатчика и должна состовлять 0.1 длинны волны для данного передатчика на частоте 104 МГц длинна провода составила 80см .Такая нагрузка не является резонансной, по этому она не преобразует импульсный сигнал в синусоидальный и может работать в усилителях класса С только в качестве выходной нагрузки но не будет работать в промежуточных каскадах класса С. Резисторы R5 R7 рекомендую заменить на катушки с длинной провода 0.15 .. 0.25 длинны волны .Реактивные элементы не рассеивают мощность на тепло и по этому КПД и мощность передатчика увеличиваются. также на место этих катушек подойдут дроссели на ферритовых сердечниках, мной проверенны дроссели марок ДПМ3, ДПМ0.2, ДПМ0.1, ДМ0.1 индуктивностью 20 .. 200 мкГн, самопальный 20 витков провода диаметром 0.23мм на торроидальном сердечнике с внешним диаметром 8мм , внутренним диаметром 5мм высотой 2мм , марка феррита неизвестна и неиграет значительной роли .


Добавил:  Павел (Admin)  
Автор:  Неизвестно 

Вас может заинтересовать:

  1. Регулятор скорости вентилятора (Вариант 3)
  2. Подключение USB-мыши к PS/2 разъёму компьютера
  3. ИК-порт для компьютера(для подключения к материнке) - 2 вариант
  4. Универсальный паралельный адаптер
  5. Как сделать из монитора телевизор


    © PavKo, 2007-2018   Обратная связь   Ссылки views: 8651 -- users: 7676 -- web3   Яндекс.Метрика