Сумматоры


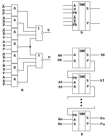
Сумматор предназначен для арифметического сложения двух чисел. Из принципа сложения многоразрядных двоичных чисел следует, что в каждом i-м разряде находится сумма трех чисел по модулю два (слагаемых Ai, Ai и переноса, поступившего из младшего разряда Pi), и формируется сигнал переноса в старший разряд Рi+1 Для примера проанализируем таблицу истинности одноразрядного сумматора и запишем логические выражения для выходных величин
S=A(-B)(-P0)/(-A)B(-P0)/(-A)(-B)P0/ABP0
Pi+1=AB(-P0)/A(-B)(-P0)/(-A)BP0/ABP0

По этим функциям можно построить сумматор на элементах И и ИЛИ Рисунок 1,а. Символическое изображение одноразрядного сумматора приведено на рисунке 1,б. Для сложения двух многоразрядных двоичных чисел используют многоразрядные сумматоры, представляющие собой в простейшем виде последовательное соединение одноразрядных сумматоров рисунок 1,в.


Добавил:  Павел (Admin)  webmaster@radioman-portal.ru | 

Автор:  GIG http://cxem.net Рейтинг@Mail.ru