Практическое применение операционных усилителей. Часть третья.


Продолжаем наш обзор возможных узлов радиоэлектронной аппаратуры, которые можно сотворить из операционных усилителей.

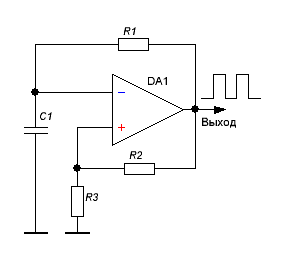
Мультивибратор.

Мультивибратор

Вот такая штуковина, будет генерировать прямоугольные импульсы с частотой, который можно посчитать по формуле (вернее, посчитаем период, а частота, как известно обратна периоду):

Формула

Бистабильный мультивибратор.


Бистабильный мультивибратор имеет два стабильных состояния, которые характеризуются разным напряжением на его выходе. Переключаются эти самые состояния входными импульсами разной полярности.

Бистабильный мультивибратор

Импульс отрицательной полярности приводит к появлению на выходе мультивибратора напряжения питания, импульс положительной полярности - к появлению нулевого напряжения на выходе.

Что это?!

Вот примерно, как показано на рисунке.
Величина импульса, необходимая для переключения мультивибратора может быть оценена по формуле:

Формула

Где V0 - напряжение питания.

Компаратор.


Очень, очень полезная вещь в хозяйстве.

Компаратор

Компаратор сравнивает два напряжения, приложенных к его входам. Одно из напряжений называется опорным (reference voltage) - с ним сравнивается второе напряжение. Если измеряемое напряжение ниже опорного, на выходе компаратора мирно проживает напряжение питания, если же измеряемое напряжение превышает опорное, то выход компаратора сбрасывается в ноль.
В данном случае, мы формируем опорное напряжение при помощи резистивного делителя R1-R2 и подаем его на неинвертирующий вход. На инвертирующий вход подается измеряемое напряжение.

Триггер Шмидта.


Несмотря на свою полезность, приведенная выше схема компаратора имеет существенный недостаток - любая помеха, наведенная на входную цепь может вызвать переключение компаратора. Чтобы избежать такой неприятности, можно применить компаратор на триггере Шмидта.

Триггер Шмидта

Сей девайс был изобретен американским ученым Отто Шмиттом. Поэтому, кстати, написание "триггер Шмитта", а не "триггер Шмидта" не будет неправильным - можно писать и так и эдак.
Вернемся, однако, к схеме.
Как видно, она представляет собой практически полный аналог обычного компаратора за исключением одного - положительной обратной связи через резистор R3. Это штука формирует так называемый гистерезис - то есть задержку включения и выключения компаратора. Вернее так - немного повышает порог включения и немного уменьшает порог выключения. Таким образом, мы можем обеспечить более высокую помехоустойчивость схемы.

Ну пока все.

Источник: www.radiokot.ru


Добавил:  Павел (Admin)  webmaster@radioman-portal.ru | 

Автор:   http://www.radiokot.ru Рейтинг@Mail.ru