Портал для радиолюбителей
   Бортовая система контроля с речевым выводом информации
    Главная -> Статьи -> Автомобильная электроника -> Бортовая система контроля с речевым выводом информации


<< Назад в раздел   Распечатать Дата добавления: 2008-05-16 | Просмотров: 6693

Современные автомобили оснащены большим количеством информационно-указательных приборов и сигнальных ламп, предназначенных для контроля работоспособности их основных систем. Однако получаемая с их помощью визуальная информация, с одной стороны, требует отвлечения внимания водителя от контроля дорожной ситуации, а с другой - не достаточно удобна и не всегда может быть вовремя замечена. Эта проблема особенно актуальна для автолюбителей с небольшим водительским стажем, а последствия ее могут быть весьма серьезны. Например не вовремя замеченные показания указателя температуры двигателя о перегреве могут привести к выходу его из строя и, как следствие, к большим финансовым затратам. Не менее неприятными могут оказаться и незамеченные отказы других узлов автомобиля, таких как тормозная и смазочная системы, генератор, задние сигнальные фонари и т.д.

Предлагаемая вниманию читателей "говорящая" бортовая система контроля (БСК) предназначена для использования в отечественных и импортных автомобилях и выдает информацию об обнаруженных неисправностях в речевой форме. Сообщения выдаются мужским или женским голосом (в зависимости от используемой программы и прошивки "речевого" ПЗУ), а качество речи соответствует "телефонному" по классификации Windows Sound System. Перечень сообщений, выдаваемых системой, приведен в таблице.

  N	Условие выдачи сообщения	Фраза сигнализации	Кол-во
 п/п								сообщений

  1   Температура двигателя       Перегрев двигателя             2
      более 98 С

  2   Пониженный уровень тормоз-  Отказ тормозной системы        2
      ной жидкости (срабатывание
      датчика разгерметизации
      тормозной системы)

  3   Напряжение в бортовой сети  Нет зарядки аккумулятора       2
      меньше 11 В

  4   Напряжение в бортовой сети  Отказ регулятора напряже-      2
      больше 15 В                 ния

  5   Низкое давление масла при   Аварийное давление масла       2
      частоте вращения коленва-
      ла более 900 об/мин

  6   Не полностью открыта воз-   Закрыта воздушная заслон-      1
      душная заслонка карбюра-    ка
      тора (включен "подсос")
      при температуре двигателя
      более 80 С

  7   Обрыв цепи ламп             Отказ сигнала торможения       2
      стоп-сигнала

  8   Обрыв цепи ламп             Отказ габаритного сигнала      2
      задних габаритных фонарей

  9   Обрыв цепи ламп             Отказ сигнала заднего хода     2
      фонарей заднего хода

 10   После включения зажигания   Счастливого пути               1
      все контролируемые системы
      в норме

Несколько экземпляров данного устройства более года эксплуатировалось на легковых автомобилях различных марок и показало высокую надежность и эффективность.

Puc.1
Puc.1

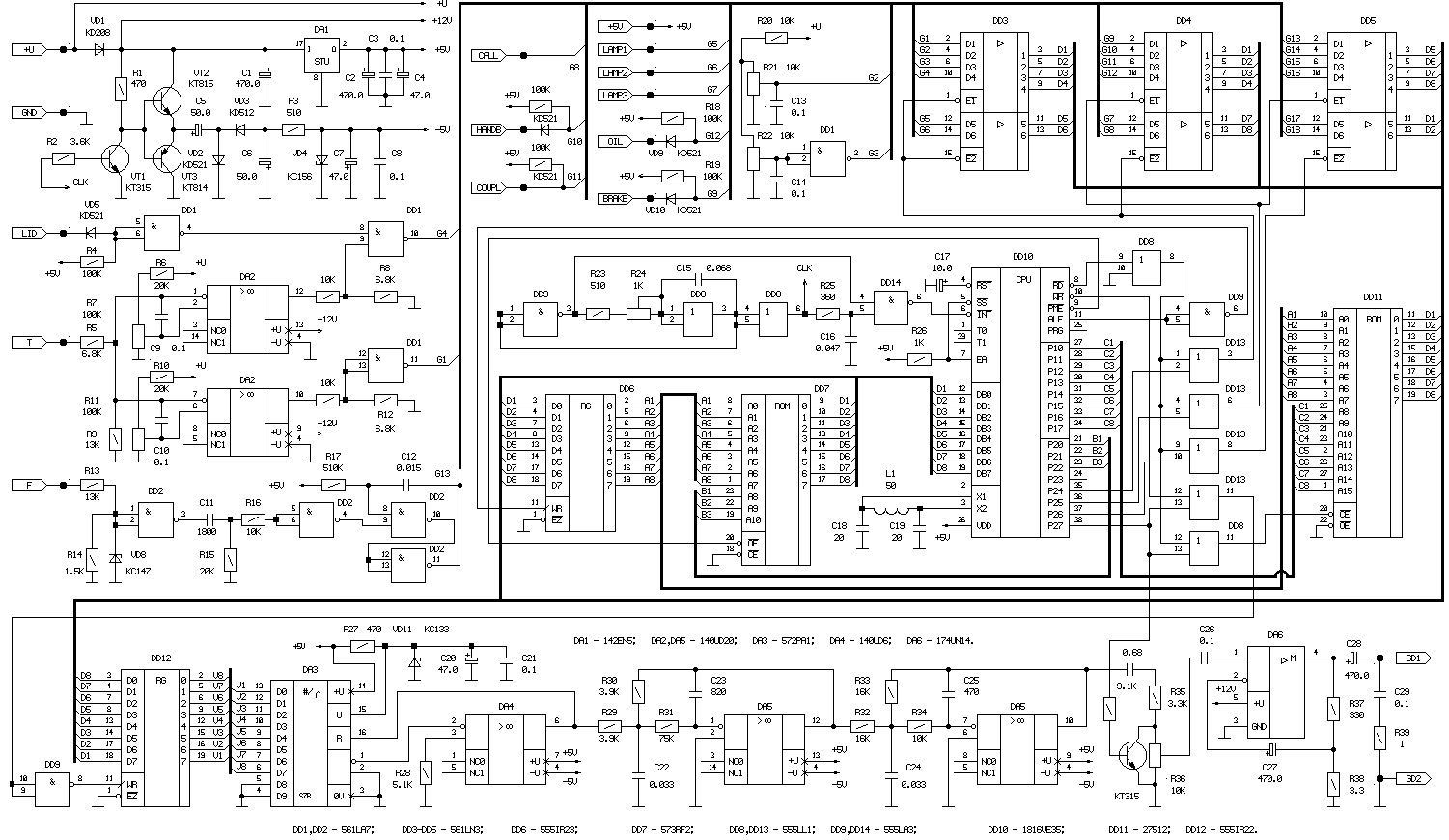
Устройство (рис.1) реализовано на базе однокристальной микроЭВМ КР1816ВЕ35. Микросхема DD6 выполняет функции формирователя шины адреса, а DD7 - внешней памяти программ. Порт P1 ОМЭВМ DD10 используется для формирования старших адресов "речевого" ПЗУ DD11, в котором содержится оцифрованная и определенным образом сжатая речевая информация. Младшие разряды порта P2 ОМЭВМ используются для адресации ПЗУ программ DD7, а старшие разряды этого порта совместно с ИС DD13 и DD8.4 - для выбора внешних устройств: ПЗУ речи DD11, коммутатора входных данных DD3-DD5 и регистра звукового тракта DD12. На логических элементах DD8.1, DD8.2, DD9.1, DD9.4 выполнен генератор импульсов частотой 7 кГц, использующихся в качестве тактовых при выводе речи.

Интерфейсная часть схемы, обеспечивающая сопряжение коммутатора данных DD3-DD5 с системой электрооборудования автомобиля и приведение входных сигналов к ТТЛ-уровням, реализована на ИС DD1, DD2 и DA2. При этом операционные усилители DA2.1, DA2.2 осуществляют сравнение сигнала датчика температуры с уставками, задаваемыми резисторами R7 и R11, на микросхеме DD2 реализован формирователь импульсов нормированной длительности из входных импульсов зажигания, а элементы ИС DD1 работают как преобразователи уровня и пороговые элементы.

Как видно из представленной на рис.1 схемы, из 18 входных линий коммутатора данных DD3-DD5 задействовано для ввода информации только 10. Остальные входы частично используются как служебные при настройке устройства, а частично - как резерв для подключения дополнительных датчиков и развития системы.

Звуковой тракт устройства включает в себя цифро-аналоговый преобразователь на ИС DA3 и DA4, фильтр Баттерворта 4 порядка с частотой среза 3 кГц на операционных усилителях DA5.1, DA5.2 и усилитель низкой частоты DA6.

Источник питания БСК выполнен на интегральном стабилизаторе DA1, формирующем напряжение +5 В, и транзисторах VT1-VT3, которые совместно с элементами VD2-VD4 и С5, С6 обеспечивают инверсию полярности и стабилизацию напряжения питания -5 В. В качестве управляющих импульсов инвертора полярности используется сигнал CLK, вырабатываемый тактовым генератором вывода речи.

Настройка устройства осуществляется с помощью подстроечных резисторов:
R7 - настройка на температуру, при которой выдается фраза "Закрыта воздушная заслонка";
R11 - настройка на температуру для выдачи фразы "Перегрев двигателя";
R21 - настройка на напряжение срабатывания для фразы "Нет зарядки аккумулятора";
R22 - настройка на напряжение срабатывания для фразы "Отказ регулятора напряжения";
R24 - регулировка тактовой частоты выдачи речи;
R36 - регулировка уровня громкости.

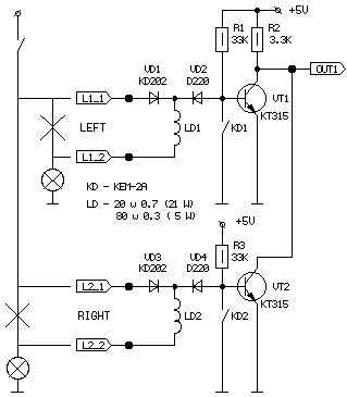
На рис.2 приведена принципиальная схема одного из трех идентичных каналов блока контроля работоспособности ламп в задних фонарях. Учитывая параллельность соединения одноименных ламп, для независимости контроля каждой из них схема электрооборудования автомобиля дорабатывается путем введения диодной развязки ламп с помощью VD1, VD3. После такой доработки узел обеспечивает контроль работоспособности обеих ламп как во включенном, так и в выключенном состоянии.

Puc.2
Puc.2

До тех пор, пока напряжение на лампы не подано, элементы R1, VD2, LD1 и R3, VD4, LD2 совместно с нитями накала соответствующих ламп образуют делители напряжения. Так как сопротивления нитей ламп очень малы, падение напряжения на них незначительно, транзисторы VT1 и VT2 закрыты и на выходе узла присутствует логическая "1". В случае обрыва цепи любой из ламп соответствующий транзистор открывается и на выходе узла формируется логический "0" - признак отказа лампы. Во включенном состоянии ламп, т.е. когда на них подается напряжение от бортовой сети, контроль их работоспособности осуществляется с помощью датчиков тока. Датчики представляют собой герконы KD с намотанными на них обмотками LD. Последние включены последовательно с контролируемыми лампами, поэтому при протекании по ним тока контакты герконов замыкаются, шунтируя база-эмиттерные переходы транзисторов. Транзисторы VT1, VT2 находятся в закрытом состоянии, а выход узла - в состоянии логической "1". При отказе любой из ламп ток по обмотке соответствующего датчика не протекает, контакты геркона размыкаются, открывается соответствующий транзистор и состояние на выходе узла меняется на противоположное.

БСК подключается к системе электрооборудования автомобиля в соответствии со схемой, приведенной на рис.3, и работает следующим образом.

Puc.3
Puc.3

После подачи на устройство напряжения питания при включении зажигания, начинается сканирование задействованных в системе штатных датчиков автомобиля и выходов блока контроля работоспособности ламп. Если в течение 5 секунд ни на одной из входных линий БСК не будет зафиксирован признак отказа, сканирование датчиков прерывается и устройство переходит к выдаче фразы "Счастливого пути", выбирая необходимую оцифрованную информацию из ПЗУ речи, после чего опять возвращается к опросу датчиков. В случае возникновения в процессе последующей эксплуатации автомобиля на одной или нескольких входных линиях БСК признака отказа, устройство аналогичным образом выдаст соответствующую фразу сигнализации. При этом для обеспечения надежности работы устройства и защиты от ложных срабатываний, активный уровень на входных линиях БСК воспринимается как признак отказа только в том случае, если он присутствует на линии непрерывно в течение 3 секунд.

В большинстве случаев программой предусмотрен двойной повтор фразы для повышения надежности ее восприятия. Кроме того, с этой же целью каждую фразу предваряет тональный звуковой сигнал, привлекающий внимание водителя и готовящий его к приему информации.

Конструктивно устройство выполнено в виде двух блоков: блока БСК, размещаемого в салоне автомобиля под приборной панелью, и блока контроля работоспособности ламп, устанавливаемого в районе задних фонарей.

С вопросами по данной публикации можете обратиться к автору статьи С.Сукову - sfs@fcita.donetsk.ua

(РЛ 1998, N6)



Добавил:  Павел (Admin)  
Автор:  С.Суков (РЛ 1998, N6) 

Вас может заинтересовать:

  1. Электрическая схема ВАЗ-21011, ВАЗ-21013
  2. Модуль управления электроприводами замков
  3. Схема электропроводки автомобиля ВАЗ 2106, 21061, 21063, 21065 (1988-2001)
  4. Блок электронного зажигания на тиристоре для автомобиля
  5. Электронный тахометр для автомобиля


    © PavKo, 2007-2018   Обратная связь   Ссылки views: 5503 -- users: 5303 -- web3   Яндекс.Метрика