Портал для радиолюбителей
   Преобразователь напряжения 12 в 220 вольт
    Главная -> Статьи -> Блоки питания, зарядные устройства -> Преобразователь напряжения 12 в 220 вольт


<< Назад в раздел   Распечатать Дата добавления: 2008-06-13 | Просмотров: 12238

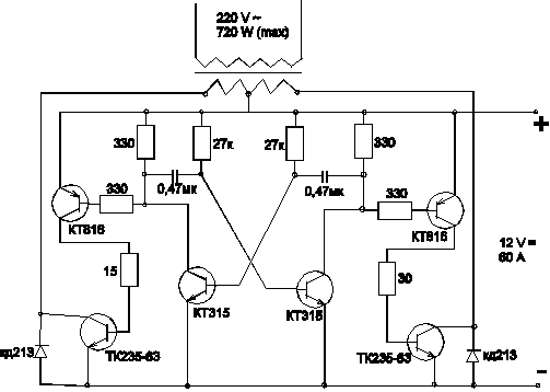
Транзисторы ТК235-63 ставить на разных радиаторах.
Резисторы на 30 и 15 Ом должны быть очень мощные, т.к. могут греться.
Трансформатор. Входные обмотки две, обе на 12 Вольт и до 60 Ампер, выходная на 220В.
Аккумулятор до 60А, больше стапить не советую, т.к. транзисторы ТК235-63 расчитаны на 63А и 250В.



Добавил:  Павел (Admin)  
Автор:  Неизвестно 

Вас может заинтересовать:

  1. Двуполярный источник питания с выходным напряжением 12,6 В
  2. Герметичные свинцово-кислотные аккумуляторы в радиолюбительской практике
  3. Зарядное устройство для Ni-Cd и Ni-MH аккумуляторов. Очень простое
  4. Блок питания - простой,регулируемый,импульсный
  5. Преобразователь для радиотелефона


    © PavKo, 2007-2018   Обратная связь   Ссылки views: 14330 -- users: 13699 -- web3   Яндекс.Метрика