Портал для радиолюбителей
   Преобразователь напряжеия 5В
    Главная -> Статьи -> Блоки питания, зарядные устройства -> Преобразователь напряжеия 5В


<< Назад в раздел   Распечатать Дата добавления: 2008-06-13 | Просмотров: 8839


В. ЗАЙЦЕВ, г. Санкт-Петербург

В устройствах на цифровых микросхемах и микропроцессорах с автономным питанием батареи гальванических элементов должны обеспечить стабилизированное напряжение 5 В. Достигнуть этого простейшим способом — использованием шести элементов по 1,5В и интегрального стабилизатора КР142ЕН5А — невыгодно как энергетически, так и экономически. Предлагается несложный стабилизированный преобразователь, позволяющий получить напряжение 5 В при токе нагрузки до 120 мА. Его входное напряжение может находиться в пределах 2...3,5 В (два гальванических элемента). КПД при входном напряжении 3 В и максимальном токе нагрузки — приблизительно 75 %.

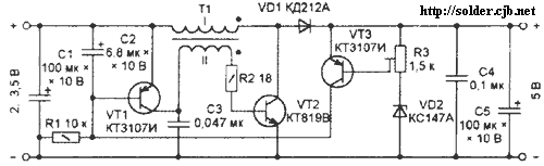
    Схема преобразователя показана на рисунке. На транзисторе VT2 собран блокинг-генератор. Обмотка I трансформатора Т1 выполняет также функцию накопительного дросселя, а с обмотки II на базу транзистора VT2 поступает сигнал положительной обратной связи. Импульсы, возникающие на коллекторе этого транзистора, через диод VD1 заряжают конденсаторы С4, С5, напряжение на которых и является выходным. Оно зависит от частоты повторения и скважности импульсов блокинггенератора, которые, в свою очередь, зависят от коллекторного тока транзисTopa VT1, перезаряжающего конденсатор СЗ в интервалах между импульсами.Преобразователь напряжения. Принципиальная схема.
После того, как на блокинг-генератор подано напряжение питания, по мере зарядки конденсатора С2 через резистор R1 увеличиваются коллекторный ток транзистора VT1, частота генерируемых импульсов и выходное напряжение преобразователя. Но как только последнее превысит сумму напряжений стабилизации стабилитрона VD2 и открывания транзистора VT3, часть тока, протекавшего через резистор R1 и базу транзистора VT1, ответвится в коллекторную цепь открывшегося транзистора VT3. Это приведет к уменьшению частоты импульсов. Таким образом выходное напряжение будет стабилизировано. Подстроечный резистор R3 позволяет установить его равным 5 В.
    Транзистор VT2 — КТ819 с любым буквенным индексом, КТ805А или КТ817 также с любым индексом. В последнем случае выходная мощность преобразователя будет немного меньше. КПД устройства повысится, если в качестве VD1 применить германиевый диодД310. Трансформатор изготовлен из дросселя ДПМ-1,0 индуктивностью 51 мкГн. Имеющаяся на нем обмотка использована в качестве первичной.
Поверх нее намотана обмотка обратной связи (II) из 14 витков провода диаметром 0,31 мм в эмалевой изоляции. Конденсатор СЗ должен быть металлопленочным серий К71-К78. Керамический конденсатор здесь нежелателен из-за низкой температурной стабильности емкости. К типам остальных деталей устройство некритично.
    Преобразователь смонтирован на плате из двустороннего фольгированного стеклотекстолита. Фольга на одной из сторон платы оставлена нетронутой и служит общим проводом. Несколько образцов, собранных автором, не потребовали никакого налаживания, кроме точной установки выходного напряжения.



Добавил:  Павел (Admin)  
Автор:  В. ЗАЙЦЕВ, г. Санкт-Петербург 

Вас может заинтересовать:

  1. Применение термокомпенсированной оптронной развязки в преобразователях напряжения (Оптронов не жалеть-2)
  2. Звуковой сигнализатор перегрузки блока питания
  3. Мифы о заземлении и UPS
  4. Коллекция схем умножителей напряжения
  5. Зарядное устройство для гальванических элементов


    © PavKo, 2007-2018   Обратная связь   Ссылки views: 3808 -- users: 3766 -- web3   Яндекс.Метрика