Портал для радиолюбителей
   Компрессор сигнала на ОУ
    Главная -> Статьи -> Цветомузыкальные установки -> Компрессор сигнала на ОУ

remont-kosmeticheskiy.ru отзывы

<< Назад в раздел   Распечатать Дата добавления: 2007-10-07 | Просмотров: 9182

Как известно, в связи с небольшим рабочим интервалом напряжения ламп накаливания в ЦМУ и СДУ приходится искусственно сжимать динамический диапазон звукового сигнала. Достигают этого применением компрессора ЗЧ сигнала.

Один из вариантов компрессора, эффективно сжимающего динамический диапазон ЗЧ сигнала, описан ниже. Он прост по схеме, содержит малое число деталей, не требует налаживания. Кроме того, амплитуда выходного сигнала компрессора мало зависит от напряжения питания, изменяясь не более чем на 1 % при изменении питающего напряжения в пределах 9...30 В.
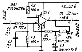
Компрессор выполнен по схеме инвертирующего усилителя на ОУ с терморезистором в цепи отрицательной обратной связи (им. схему на рис. 1). При увеличении тока, протекающего через терморезистор RK1, он разогревается, его сопротивление уменьшается, что приводит к соответствующему уменьшению коэффициента передачи компрессора.

Схема компрессора

Коэффициент передачи компрессора можно определить по приближенной формуле: К=R4(1+Rt/R5)/R1, где Rt — сопротивление терморезистора RK1. “Холодное” сопротивление терморезистора Т8Е равно 2...3 кОм. В процессе работы компрессора сопротивление терморезистора может изменяться в 15...20 раз, что и обеспечивает эффект компрессии. Анализ выражения в скобках показывает, что при уменьшении сопротивления резистора R5 глубина компрессии увеличивается из-за увеличения относительного изменения коэффициента передачи К, соответствующего полному интервалу изменения сопротивления терморезистора. Однако при этом необходимо увеличивать емкость конденсатора С3 для сохранения линейности АЧХ компрессора на нижних частотах.
Амплитудная характеристика компрессора, снятая на частоте 1000 Гц, изображена на рис. 2. Ослабление сигнала на граничных частотах рабочей полосы (20 Гц и 20 кГц) не превышает 3 дБ. Искажения, вносимые компрессором при уровнях входного сигнала до 300 мВ, в рабочей полосе частот практически незаметны.

Амплитудная характеристика компрессора

Чувствительность компрессора можно изменять в широких пределах путем изменения отношения R4/R1. При необходимости ограничить полосу рабочих частот сверху между выходом и инвертирующим входом ОУ включают конденсатор емкостью 270...1000 пф (подбирают экспериментально). Это позволяет также снизить чувствительность компрессора к импульсным помехам.
Для питания компрессора использован источник нестабилизированного напряжения 9...30 В. Потребляемый ток не превышает 10 мА.
Терморезистор Т8Е можно заменить любым из серий Т8, Т9, ТВ2-250, ТК2-50. Кроме К140УД8Б в компрессоре могут быть также использованы ОУ К140УД8А, К140УД8В, К140УД6, К544УД1 и другие (желательно быстродействующие) с соответствующими цепями коррекции.

Описанный компрессор может быть также использован в генераторах синусоидального напряжения для стабилизации амплитуды, в устройствах компандирования речевого сигнала в звукозаписывающей и радиопередающей аппаратуре. При использовании быстродействующего ОУ К574УД1 компрессор можно применить в РЧ тракте приемника в качестве усилителя с АРУ.

А. Белоусов
Радио 7, 1984г


Добавил:  Павел (Admin)  
Автор:  А. Белоусов (Радио 7, 1984г) 

Вас может заинтересовать:

  1. Установка ламп в цветомузыкальном устройстве
  2. Беглый светодиодный огонь (вариант1)
  3. Цветомузыкальное малогабаритное устройство
  4. Беглый светодиодный огонь (вариант3)
  5. Установка лазерных эффектов


Чем убрать штемпельную краску убираем штемпельную краску liski.life.


    © PavKo, 2007-2018   Обратная связь   Ссылки views: 669 -- users: 545 -- web3   Яндекс.Метрика