Портал для радиолюбителей
   Однопереходный транзистор и его применение
    Главная -> Статьи -> Разное -> Однопереходный транзистор и его применение


<< Назад в раздел   Распечатать Дата добавления: 2010-12-25 | Просмотров: 17359

Помимо биполярных и полевых транзисторов существует так называемый однопереходный транзистор (ОПТ), представляющий собой кристалл полупроводника, в котором создан p-n переход, называемый инжектором:

Этим переходом кристалл полупроводника разделяется как бы на две области базы. Поэтому однопереходный транзистор имеет и другое широко распространённое название - двухбазовый диод. Принцип действия транзистора основан на изменении объёмного сопротивления полупроводника базы при инжекции. В отличии от биполярных и полевых транзисторов ОПТ представляет собой прибор с отрицательным сопротивлением. Это означает, что в определённых условиях входное напряжение или сигнал могут уменьшаться даже при возрастании выходного тока через нагрузку. Когда ОПТ находится во включённом состоянии, выключить его можно только разомкнув цепь, либо сняв входное напряжение.
Участок между базами образован кремниевой пластиной n-типа и имеет линейную вольтамперную характеристику, т.е. ток через этот участок прямо пропорционален приложенному межбазовому напряжению. При отсутствии напряжения на эмиттере (относительно Б1) за счёт проходящего I2 в базе 1 внутри кристалла создаётся падение напряжения Uвн, запирающее p-n переход, При подаче на вход небольшого напряжения Uвх=<Uвн величина тока, проходящего через переход,почти не изменяется. При Uвх>Uвн переход смещается в прямом направлении и начинается инжекция носителей заряда (дырок) в базы, приводящая к снижению их сопротивления. При этом уменьшается падение напряжения Uвн, что приводит к лавинообразному отпиранию перехода - участок II на воль-амперной характеристике:

Участок III, справа от минимума, где эмиттерный ток ограничивается только сопротивлением насыщения, называется областью насыщения. При уменьшении эмиттерного напряжения до Uвх<Uвн переход закрывается. При нулевом токе базы 2 (т.е. вывод Б2 не используется) характеристика (кривая 2) представляет собой по существу характеристику обычного кремниевого диода.
Однопереходные транзисторы применяются в различных схемах генераторов релаксационных колебаний, мультивибраторах, счётчиках импульсов, триггерных схемах управления тиристорами, генераторах пилообразного напряжения, делителях, реле времени, схемах фазового управления и др. Однако из-за малой скорости переключения и сравнительно большой потребляемой входной мощности они широкого распространения не получили.

Хотя основная функция ОПТ такая же, как и у переключателя, основным функциональным узлом среди большинства схем на ОПТ является релаксационный генератор:

В зависимости от назначения выходное напряжение можно снимать с любого вывода ОПТ. Осциллограммы напряжения показаны на этом рисунке:

Для устойчивой генерации необходимо выполнение условия:
(Uп-Umin)/(Imin<Re<(Uп-Umax)/Imax
Период колебаний определяют ориентировочно по формуле:
Т=ReCe(1-K), где К=(Umax-Umin)/Uвн=Rн/Rc>0.7 - коэффициент нейтрализации. Откуда Re=(0.1...0.2)Rн.
Иногда с целью повышения термостабильности напряжения Umax, в цепь базы 2 вводят резистор R1. Резистор R2 вводят при необходимости снятия сигнала с базы 1. Его номинал рассчитывают исходя из межбазового тока и заданной амплитуды снимаемого сигнала. Обычно номинал этого резистора не превышает 100 Ом и только в отдельных случаях достигает 3кОм. Для типового ОПТ (КТ117А, Б) сопротивление Rе лежит в пределах 4...9кОм, а рабочее напряжение находится в пределах 10...30 В. С помощью резисторов R1, R2 в некоторых пределах можно регулировать порог срабатывания ОПТ.

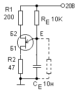
Рассмотрим простейший генератор пилообразного напряжения:

Как правило, для получения низкого сопротивления в качестве буферного каскада применяют эмиттерный повторитель. Предположим, что статический коэффициент передачи тока транзистора VT2 h21э=50, R2=1кОм. Тогда Rн=(h21э+1)R2 =(50+1)*1=51кОм. Отсюда R1=(0.1...0.2)Rн=5.1...10кОм. Поскольку напряжение Uemin=2B, a Uэб=0.6B<Uemin, "обрезания" сигнала не происходит.
При реализации эмиттерного провторителя на p-n-p транзисторе можно добиться некоторого улучшения рабочих характеристик, т.к. сопротивление нагрузки включается параллельно резистору R1, следовательно исключается опасность прекращения генерации из-за никого значения статистического коэффициента передачи тока транзистора или сопртивления в эмиттере. Более того, коллекторный ток утечки биполярного транзистора вычитается из эмиттерного тока утечки ОПТ, чем достигается частичная термостабилизация.

Простейший способ линеаризации пилообразного напряжения:

Применение дополнительного источника повышенного напряжения позволяет существенно увеличить номинал токозадающего резистора, что эквивалентно заряду от генератора тока. Недостаток этого способа - необходимость применения дополнительного источника.

Линеаризация с помощью конденсаторной вольтдобавки "вольтдобавки" (следящей обратной связи):

Введение резистора R1 позволяет использовать базу2 для синхронизации выходного напряжения.

Возможный вариант стабилизации зарядного тока со следящей обратной связью с помощью стабилитрона:

Введение дополнительного источника отрицательного напряжения постоянного тока также способствует линеаризации.

Другой способ линеаризации с помощью ГСТ:

Применение интегратора позволяет получить напряжение пилы от вогнутой до выпуклой формы:

Желаемой формы добиваются подбором резистора R3.

Возможный вариант мультивибратора:

Для получения сигнала типа "меандер" необходимо выполнить условия: R2=2R1. Работает мультивибратор следующим образом. При зарядке конденсатора транзистор VT2 открыт током заряда. Время заряда определяет постоянная времени R1C1. При включении ОПТ базоэмиттерный переход VT2 за счёт напряжения на конденсаторе смещается в обратном направлении и транзистор VT2 закрывается.

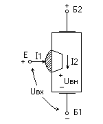
Разновидность ОПТ - программируемый ОПТ (ПОПТ) - четырёхслойный прибор, структура которого аналогична структуре тиристора за исключением того, что используется анодное управление в отличие от катодного управления у тиристора. ОПТ и ПОПТ обладают аналогичными характеристиками, однако напряжение включения ПОПТ программируется и может задаваться с помощью внешнего делителя напряжения. В отличии от ОПТ, ПОПТ более быстродействующий и чувствительный прибор. Исходя из эквивалентной схемы

можно сделать вывод, что ПОПТ представляет собой выключаемый тиристор с анодным управлением. При подаче на управляющий электрод (эмиттер) более отрицательного относительно анода (база 2) напряжения ПОПТ переходит из режима отсечки во включённое состояние. Для обеспечения функционирования ПОПТ в режиме ОПТ требуется на управляющем электроде ПОПТ поддерживать внешнее опроное напряжение, которое по существу совпадает с точкой максимума. Поскольку опроное напряжение определяется параметрами внешнего делителя, его можно сделать переменным. Эта особенность и является главным отличием ОПТ от ПОПТ

Пожалуй, наибольшее применение однопереходные транзисторы нашли в различных регуляторах мощности. рассмотрим несколько практических схем применения.

Фазоимпульсный регулятор мощности паяльника (до 100Вт):

работает следующим образом. Положительная полуволна питающего напряжения проходит в нагрузку практически без ослабления через диод VD2. Релаксационный генератор питается пульсирующим напряжением (в течениие отрицательной полуволны), ограниченным стабилитроном VD1 на уровне 24В. С появлением каждой отрицательной полуволны конденсатор С1 начинает заряжаться через цепь R2, R4. Скорость зарядки можно регулировать переменным резистором R2. Как только напряжение на конденсаторе достигнет порога открывания транзистора VT1, на управляющий электрод тиристора VS1 поступает положительный импульс и тиристор открывается до конца полупериода. Таким образом, изменением постоянной времени фазосдвигающей цепи R2C1 осуществляктся регулировние мощности, отдаваемой в нагрузку.

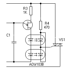
Простой светорегулятор на эквиваленте ПОПТ:

Постоянная времени цепи R4C1 выбрана равной примерно 10мс.

Применение реле времени на ОПТ в автомате - ограничителе включения света:

Такой автомат может использоваться, например в общих коридорах с целью экономии электроэнергии. Необходимое время включённого состояния устанавливается подстроечным резистором R3. После заряда конденсатора до напряжения включения ОПТ, т.е. после его включения, конденсатор С1 на короткое время создаёт на аноде тиристора VS1 отрицательное напряжение и тем самым выключает его.

Простой автоматический регулятор освещённости:

может найти применение на рабочих местах, где высоки требования к постоянству освещенности.

Все рассмотренные схемы, помимо создаваемых ими помех, имеют один существенный недостаток. Так как через диоды моста течёт ток нагрузки, их необходимо выбирать соответствующей мощности или устанавливать на радиаторы, что ухудшает массогабаритные показатели.
Применение подобных регуляторов для регулирования числа оборотов двигателя имеет некоторые особенности.
Во-первых, коллекторные двигатели требуют расширения управляющего импульса до конца полупериода во избежание нестабильности работы из-за выключения тиристора или симистора при искрении щёток, т.е. при разрыве цепи. Во-вторых, для стабилизации числа оборотов независимо от нагрузки необходимо введение обратной связи по току или по напряжению, т.к. с увеличением нагрузки на валу падают обороты двигателя, уменьшается комплексное сопротивление нагрузки и соответственно увеличивается непроизводительное потребление тока.

Пример стабилизированного регулятора реверсивного двигателя:

Подбором резистора R1 (обратная связь по напряжению) добиваются минимальной зависимости числа оборотов двигателя от изменения нагрузки.

Применение импульсного трансформатора позволяет разгрузить диодный мост и тем самым улучшить массогабаритные показатели регулятора. Стабилизированный регулятор числа оборотов двигателя:

В данном регуляторе применена обратная связь по току с помощью резистора R7. В качестве импульсного трансформатора можно применить МИТ-4 или выполнить его на магнитопроводе типоразмера К16х10х4.5 из феррита М2000НМ. Обмотки содержат по 100 витков провода ПЭЛШО 0.12. Возможный вариант замены МИТ-4 двумя оптопарами показан на этом рисунке:

Регулятор мощности нагрузки до 1кВт:

Импульсный трансформатор тот же, что и в предыдущей схеме. Замена симистора двумя тиристорами показана на рисунке:

Все три обмотки импульсного трансформатора Т1 содержат по 100 витков. При этом мощность нагрузки можно увеличить до 2кВт.

В заключении необходимо отметить, что все рассмотренные регуляторы мощности имеют один существенный недостаток - создают большие импульсные радиопомехи как в сети, так и в окружающем пространстве, т.к. выключение симистора или тиристора происходит по окончании полупериода, а их включение, за счёт фазового регулирования, в пределах полупериода. Интенсивность радиопомех зависит от амплитуды мгновенного напряжения, при котором открывается тиристор, мощности нагрузки, длины соединительных проводников и ряда других причин. Отсюда следует, что максимальные помехи возникают на среднем участке регулировочной характеристики.


Добавил:  Павел (Admin)  
Автор:  Азбука транзисторной схемотехники А.Петров, г.Могилёв (РЛ,1994,4..12) 

Вас может заинтересовать:

  1. Расчет магнитной проницаемости магнитопроводов
  2. Формирователь кода нажатых кнопок с подавлением "дребезга" для встраивания в ПЛИС
  3. Схема телевизора Чайка Ц-280Д
  4. Программа Spectrum Laboratoty
  5. Восстановление искробезопасного коммутатора «SK 700-II» (IS HUB)


    © PavKo, 2007-2018   Обратная связь   Ссылки views: 3320 -- users: 2920 -- web3   Яндекс.Метрика