Портал для радиолюбителей
   Прибор контроля давления в шинах
    Главная -> Статьи -> Автомобильная электроника -> Прибор контроля давления в шинах


<< Назад в раздел   Распечатать Дата добавления: 2011-04-09 | Просмотров: 17342

А. КОЖЕВНИКОВ, г. Рудный, Казахстан

Предлагаемый прибор предназначен для оповещения водителя о понижении до опасного уровня давления в шинах автомобиля. Если во время движения в одном из колес давление упадет на 40.. .60 %, включится световой индикатор и прозвучит сигнал, указывающий на необходимость проверки давления в шинах автомобиля.

Принцип действия прибора основан на сравнении значений частоты вращения колес. Спущенное колесо имеет меньший радиус качения и поэтому вращается немного быстрее. Подобные устройства контроля давления в шинах, называемые TPMS (Tyre Pressure Monitoring System), входящие в комплекс ABS и относящиеся к узлам "непрямого" действия, применяют с 1996 г. на некоторых моделях автомобилей фирмы Toyota.

Алгоритм работы промышленной системы TPMS довольно сложен, поскольку автомобиль движется не всегда по прямой. На поворотах внешние колеса всегда проходят больший путь, чем внутренние, а передние — больший, чем задние. Поэтому система контроля суммирует значения частоты вращения каждых двух расположенных по диагонали колес, вычисляет разницу между этими суммами и делит ее на среднюю частоту вращения всех четырех колес. Если полученный результат отличается от образцового, система регистрирует снижение давления в одном из четырех колес, причем снижение должно быть существенным — 25...30 %.

Принцип действия разработанного мной прибора проще и несколько отличается от описанного. Здесь происходит сравнение контрольных значений чисел оборотов колес одной оси на прямом участке пути. Если разница этих значений невелика, результат игнорируется и начинается новый отсчет. Для минимизации ложных срабатываний при движении на поворотах чувствительность прибора выбрана минимальной. Тревожный сигнал зазвучит, когда давление в одном из колес снизится на

40...60 %. Такое падение давления уже заметно визуально, но еще нет опасности немедленного повреждения покрышки колеса.

Прибор, конечно же, не лишен недостатков. Он не может, например, мгновенно зафиксировать резкое падение давления, одновременное падение давления в двух колесах одной оси, его реакция зависит от пробуксовки колес и загрузки автомобиля, срабатывание происходит лишь при значительном па-

дении давления. Но, как показывает практика, установка этого устройства на свой автомобиль станет весьма интересным и полезным дополнением к имеющимся приборам контроля.

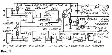
Схема простого прибора контроля давления для двух задних или двух передних колес представлена на рис. 1. Импульсные сигналы с датчиков Холла В1, В2, установленных по одному на каждое колесо, поступают на входы двух двоичных счетчиков DD1.1, DD1.2 и DD2.1. Один импульс каждого датчика соответствует одному обороту колеса. Первый счетчик считает до 128 — до появления высокого уровня на выходе старшего

разряда — и формирует короткий обнуляющий импульс, по фронту которого происходит сравнение состояния второго счетчика относительно DD1.1.

Предполагается, что разница между числами импульсов датчиков на момент сравнения не превышает двенадцати, поэтому достаточно сравнить четыре младших разряда первого счетчика, а второй счетчик выполнить четырехразрядным. В зависимости оттого, в каком колесе снизилось давление, второй счетчик будет либо отставать от первого, либо опережать его. Поскольку обнуляющий импульс появляется в момент перехода счетчика DD1.1 в нулевое состояние, фактически происходит определение, насколько состояние счетчика DD2.1 отличается от нулевого в ту или иную сторону.

Рассмотрим кратко работу узла сравнения в четырех возможных ситуациях:

  1. Давление в обоих колесах практически одинаково. Значения частоты следования импульсов обоих датчиков равны или близки. К моменту поступления обнуляющего импульса счетчик DD2.1 достигнет одного из состояний от нуля до трех, если он опережает первый счетчик, или от двенадцати до пятнадцати, если отстает. На выходах 4 и 8 счетчика DD2.1 будет одинаковый уровень — либо 0, либо 1 (заштриховано на рис. 2). На выходе элемента DD3.1 — низкий уровень, который запретит прохождение через элемент DD4.1 импульса, запускающего одновибратор DD4.2, DD4.3.
  2. Давление упало ниже допустимого уровня в колесе с датчиком В1. Частота следования импульсов с этого датчика больше, чем с датчика В2, настолько, что счетчик DD2.1 отстанет более чем на четыре шага, но не более, чем на 12. В этом случае к приходу обнуляющего импульса состояние счетчика DD2.1 будет в пределах от 4 до 11, а на выходах 4 и 8 окажется неодинаковый уровень. В результате произойдет запуск одновибратора DD4.2, DD4.3 и в течение 3...5 с (это зависит от номиналов элементов цепи R6C1) будет звучать сигнал пьезоизлучателя НА1 и светить светодиод HL1.
  3. Случай, когда упало давление в колесе с датчиком В2, совпадает с предыдущим с той лишь разницей, что отстанет первый счетчик. Сигнал тревоги прозвучит, когда опережение будет в пределах 4—11 единиц счета.
  4. Если указанная разность превысит двенадцать единиц, что возможно при резком и значительном падении давления в одном из колес, прибор не подаст сигнала тревоги, о чем сказано в начале статьи.

Иначе говоря, по схеме прибор представляет собой узел сравнения, который включает источник звукового сигнала НА1 и светодиодный индикатор HL1 при появлении разности между числами оборотов колес от 4 до 11. Нетрудно подсчитать, на сколько должен уменьшиться радиус R1 спущенного колеса, чтобы оно проделало на 5 оборотов больше другого, радиусом R:

Например, для R = 25 см, получаем R1 = 24 см. То есть прибор подаст сигнал тревоги при уменьшении радиуса на 1 см и более.

Из формулы следует, что чувствительность прибора зависит от коэффициента счета, равного 128, который определяет число оборотов колес до очередного момента сравнения. С увеличением этого коэффициента чувствительность повысится, но увеличится и вероятность ложного сигнала тревоги при движении автомобиля по кривой, поскольку соответственно увеличится длина пути между моментами сравнения.

Прибор может быть собран на плате из фольгированного стеклотекстолита толщиной 1 мм. Чертеж платы показан на рис. 3. Все детали и перемычки распаяны поверхностным монтажом. Вместо КД243А можно использовать диоды 1N4001.

Используя свободные элементы и добавив одну микросхему 564ИЕ10, получим вариант устройства на четыре колеса (см. схему на рис. 4). Прибор содержит два описанных выше одинаковых независимых узла сравнения с общей звуковой и световой индикацией. Сигналы с обоих узлов поступают на входы элемента DD5.4. Элемент DD5.3 выполняет роль инвертора, обеспечивающего требуемый уровень импульса, который запускает одновибратор, собранный на элементах DD4.3, DD4.4.

Чертеж печатной платы для четырехколесного варианта прибора представлен на рис. 5. В обоих устройствах использованы резисторы Р1-12-0,125, конденсаторы К10-17 типоразмера 0805 или 1206 и оксидные типоразмера А или В. Звукоизлучатель подойдет любой, рассчитанный на питание напряжением 12 В. Вместо L-53SRD-D можно использовать любой светодиод красного свечения.

Прибор может быть установлен на автомобиль любой марки, в том числе и на грузовой. В качестве датчиков В1 — В4 использованы датчики Холла, применяемые в электронной системе зажигания автомобилей "Жигули", или любые другие. От каждого датчика отпиливают ту часть, где находится магнит, как показано на фото рис. 6. Магнит фиксируют на вращающейся детали колеса, например, на тормозном барабане, а собственно датчик (с выводами) — на тормозном суппорте. Под датчик нужно поместить прокладку толщиной 3...5 мм из любого пластика, а крепежную скобу изготовить из латуни или меди.

В каждом случае при выборе места и способа крепления датчика и магнита может быть индивидуальный подход. Главное требование: при вращении колеса обеспечить между ними зазор в пределах 1...3мм. Необходимо также сохранить ту же ориентацию магнита, которая была до его отпиливания.

На переднеприводной модели автомобиля на передних колесах каждый магнит удобно крепить на ШРУСе с помощью стандартного хомута, а сам датчик — на корпусе коробки передач на жестком кронштейне из немагнитного металла.

Датчик системы зажигания изготовлен на базе микросхемы К1116КПЗ. Он

представляет собой законченную герметичную конструкцию. Выводы датчика выполнены цветными проводами: красный — плюс питания, черный — минус (общий), зеленый — выход. Подключать датчики к прибору следует экранированной витой парой проводов с внешней пластиковой изоляцией. Кабель прокладывают по пути следования трубок

гидропривода тормозов. Отрезок соединения между датчиком и кабелем на корпусе необходимо выполнять гибким эластичным кабелем в морозостойкой изоляции. Места соединений надежно фиксируют механически и защищают от влаги.

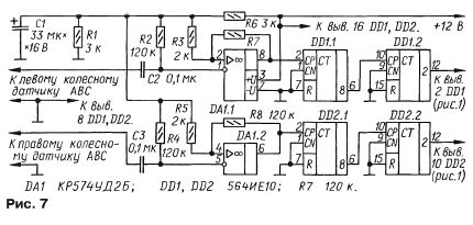
Если прибор контроля давления предполагается установить на автомобиль, оснащенный антиблокировочной тормозной системой (ABS), устройство придется усложнить, зато отпадет необходимость в приобретении и трудоемком монтаже датчиков. В этом случае лучше использовать импульсы с датчиков ABS, имеющие, как правило, амплитуду 100...500 мВ. Входную часть каждого канала прибора нужно будет дополнить компаратором и предварительным делителем частоты. На рис. 7 показан вариант схемы прибора для одной пары колес.

Резисторы R1, R2 (см. рис. 1) исключаются. Компаратор DA1.1 преобразует входной аналоговый сигнал в цифровой с необходимыми логическими уровнями. Для повышения помехоустойчивости работы компаратора введена слабая положительная ОС через резисторы R3, R7.

Датчик ABS формирует от 50 до 80 импульсов сигнала за оборот колеса в зависимости от модели автомобиля. Поэтому коэффициент деления предварительного делителя частоты DD1.1, DD1.2 выбран равным 64, чтобы на выходе (вывод 12) получить один импульс за примерно один оборот колеса, что и требуется для работы прибора.

Чертеж печатной платы входных цепей двух каналов представлен на рис 8. Для четырехколесного прибора таких плат понадобится две. Для монтажа микросхемы КР574УД2 ее выводы необходимо отформовать для пайки к контактным площадкам. Узел можно собрать на ОУ К1407УДЗ, К574УД2, TL083 с соответствующей коррекцией рисунка проводников платы.

В автомобиле с ABS прибор следует монтировать вблизи электронного блока системы, где сходятся сигналы со всех датчиков. Наличие разделительных конденсаторов и большое входное сопротивление компараторов позволяют подключать прибор к ABS, не опасаясь нарушить работу системы. Напряжение питания прибора в этом случае удобно снять с блока ABS.

Кроме описанного выше прибор может дублировать звуковым и световым сигналами включение указателя поворотов автомобиля. Для этого соответствующий вывод прибора подключают к контрольной лампе на щитке приборов (один из выводов лампы должен быть соединен с корпусом автомобиля).

Индикатор HL1 прибора следует монтировать на приборном щитке, а НА1 — за щитком, но так, чтобы его хорошо слышать. Для проверки работы прибора после установки на автомобиль достаточно проехать несколько раз по кругу радиусом 6...8 м, при этом должны включиться звуковой сигнал и светодиод.

Несмотря на простоту, прибор вполне справляется с поставленной задачей. Если при движении по трассе прозвучал сигнал тревоги, да еще не один, а два раза подряд, то можно смело останавливаться и вынимать домкрат. Ложные срабатывания происходят редко. Чтобы их исключить совсем или сократить до минимума, можно усложнить прибор, добавив обнуление счетчиков при нажатии на педаль тормоза, при включении указателя поворотов или изменить алгоритм работы, например, накапливать число ошибок до двух-трех и т. д., но это уже задача для микроконтроллера.


Добавил:  Павел (Admin)  
Автор:  А. КОЖЕВНИКОВ, г. Рудный, Казахстан (Радио №4, 2011 г.) 

Вас может заинтересовать:

  1. Схема электропроводки автомобиля ВАЗ-2107
  2. Схема электропроводки автомобиля ВАЗ-2107 (вариант 2)
  3. Схема электропроводки автомобиля ВАЗ 2106, 21061 и 21063 (1976-1987)
  4. Электронный тахометр для мотоцикла
  5. Стабилизированный блок электронного зажигания


    © PavKo, 2007-2018   Обратная связь   Ссылки views: 745 -- users: 654 -- web3   Яндекс.Метрика