Портал для радиолюбителей
   Тепловизор своими руками
    Главная -> Статьи -> Проекты на Arduino -> Тепловизор своими руками


<< Назад в раздел   Распечатать Дата добавления: 2011-10-25 | Просмотров: 21487

Тепловизор - прибор для измерения распределения температуры поверхностей, бесконтактным, визуальным способом. Как правило, карта распределения температуры отображается на встроенном в тепловизор цветном дисплее (или последующая передача данных в компьютер) в виде цветного изображения, где красный цвет обозначает наиболее высокотемпературные участки, а черный или синий - низкотемпературные участки. Такие приборы стоят очень дорого (несколько тысяч долларов) и позволяют определять температуры динамических (движущихся объектов) в режиме реального времени.

Тепловизор

Но, такой функционал нужен не всегда и в данной статье описывается процесс изготовления самодельного сканирующего тепловизора, стоимость которого не превышает 200$. Процесс сканирования объекта занимает примерно с минуту. Данный тепловизор подойдет для съемки статических обьектов.

В устройстве используется два сервопривода (для перемещения по горизонтали и вертикали), контроллер Arduino (для обработки сигналов и передачи данных в персональный компьютер), лазерный модуль или лазерная указка (чтобы вы видели зону сканирования), сам модуль бесконтактного датчика температуры MLX90614ESF, корпус и поворотное устройство.

Примеры изображений карты температуры поверхностей, полученных с данного тепловизора:

Сканирование монитора

Сканирование двигателя авто

Список используемых элементов:

Модуль датчика температуры MLX90614ESF-DCI или MLX90614ESF-BCI:
futureelectronics.com 66.60$ (DCI версия) или digikey.com 73.00$ (BCI версия)

Arduino UNO (или аналог) - 30$
Корпус с батарейным отсеком для Arduino - 6.5$

Серво двигатель (средний) - 11$
Серво двигатель (большой) - 13$
Модуль Laser Card - 8$ (можно заменить лазерной указкой)

Вебкамера Microsoft LifeCam VX-700

Поворотное устройство (2 координаты) Lynxmotion Pan and Tilt Kit:
Robotshop.com 9.95$ или lynxmotion.com 9.95$

Датчик MLX90614

MLX90614

MLX90614 - инфракрасный термометр в корпусе TO-39. Даташит PDF.
Данные с датчика могут быть считаны при помощи шины SMBus или ШИМ. В нашем случае используется датчик с индексом DCI или BCI. Питание 3В. Индекс I обозначает тип форм-фактора, I - с насадкой для обеспечения узкого поля зрения в 5° (см. рисунок выше).

Распиновка MLX90614

Сборка тепловизора

1. Для начала необходимо разместить плату Arduino в корпус с батарейным отсеком
2. При помощи суперклея или эпоксидки закрепите серводвигатель в пустом пространстве впереди Arduino.
3. Разместите второй серводвигатель в поворотное устройство и закрепите всю конструкцию на серводвигателе.
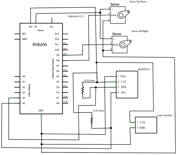
4. Теперь, необходимо подключить MLX90614 к Arduino. Для этого подсоедините Ground к GND, Vin к 3.3V, SDA к pin 4 и SCL к pin 5. Также, установите резистор 4.7 кОм от SDA к 3.3V, а второй от SCL к 3.3V. Смотрите схему ниже.

Схема подключения

5. Подключите Laser Card или лазерную указку. Лазер нужен для того, чтобы вы могли видеть, где в настоящий момент сканирует тепловизор.
6. После, необходимо установить вебкамеру и сориентировать ее точно с ИК датчиком и лазером, чтобы они были направлены в одну и ту же точку. На этом сборка тепловизора закончена.

Программное обеспечение Arduino

Скачать скетч для конфигурирования датчика. После заливки данного скетча в Arduino, откройте Serial Monitor и нажмите клавишу. Программа изменит настройки EEPROM датчика. Это требуется сделать только один раз. После того, как увидите надпись "Finish" отсоедините Arduino от ПК и присоедините его снова.

Скачать главный рабочий скетч Arduino.

Дополнительно, понадобится библиотека I2CMaster.

Программное обеспечение для компьютера

ПО для компьютера написано на JAVA, поэтому вам понадобится Java Runtime Environement. ПО работает под Windows, Linux или Mac OSX в 32-bit & 64-bit. Однако, если запускается по Windows 64, то лучше установить 32-битную версию JAVA. Скачать.

Скачать все одним архивом (7 МБайт).

Оригинал статьи на английском языке (перевод Колтыков А.В.)


Добавил:  Павел (Admin)  
Автор:  Неизвестно 

Вас может заинтересовать:

  1. Работа Arduino с датчиком DS18B20
  2. Мониторинг потребляемой электроэнергии в реальном времени при помощи Arduino и LabView
  3. Цифровой барометр (датчик атмосферного давления)
  4. 3x3x3 светодиодный куб на Arduino
  5. Инфракрасный датчик движения


    © PavKo, 2007-2018   Обратная связь   Ссылки views: 1134 -- users: 1048 -- web3   Яндекс.Метрика