Портал для радиолюбителей
   Прибор для лечения ИК и лазерным излучением
    Главная -> Статьи -> Медицинская техника -> Прибор для лечения ИК и лазерным излучением

https://sohofamily.ru ресторан 22 у метро охотный ряд в москве - ресторан юг москва.

<< Назад в раздел   Распечатать Дата добавления: 2011-10-27 | Просмотров: 10295

Лечение электромагнитными волнами широко используется в медицине. Здесь будет рассмотрен прибор для лечения ИК и лазерным излучением. Инфракрасное излучение проникает в ткани организма на глубину 3-5 см. Глубина проникновения лазерного излучения зависит от мощности применяемого лазера. Обычно применяют лазеры мощностью от 2 до 50 мВт. В данном случае использована лазерная указка мощностью до 1 мВт. Указку без всякой переделки можно использовать для стимуляции биологически активных точек в режиме успокоения. А вместо прибора инфракрасного излучения можно в грубом приближении использовать пульт управления телевизором. Однако существуют проверенные временем параметры импульсов, оптимально подходящие для воздействия на человека. Частота таких импульсов должна быть в пределах 50-100 Гц, модуляция от 0,5 до 3 секунд.

Схема прибора опробована на лазере из лазерной указки и двух ИК светодиодах.

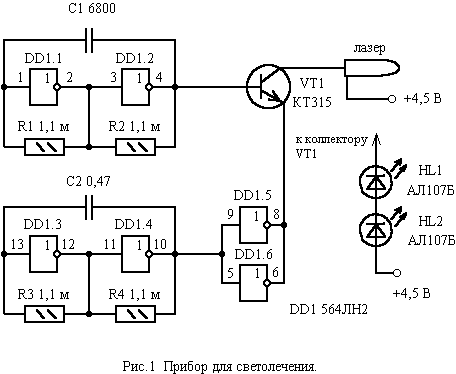
Прибор для лечения ИК и лазерным излучением

Схема представляет собой (см. рис.1) два мультивибратора, суммирующие свои импульсы на транзисторе. Мультивибратор на элементах DD1.1, DD1.2 вырабатывает импульсы частотой 66 Гц. А мультивибратор на элементах DD1.3, DD1.4 вырабатывает импульсы периодом 1,2 с.P Транзистор VT1 работает на нагрузку только в половину периода (0,6 с) второго генератора. Один логический элемент выдает на выходе в режиме логического ноля ток 5 мА. Поэтому выходы логических элементов DD1.5, DD1.6 соединены вместе для увеличения выходного тока до 10 мА. Это допустимо для элементов, расположенных на одном кристалле.

Нагрузкой транзистора может служить как лазер из лазерной указки, так и два инфракрасных светодиода АЛ107Б. Питание прибора осуществляется от трех элементов типа А13, которые используются для питания лазерной указки.

Печатная плата для прибора в корпусе лазерной указки показана на рис.2.

печатная плата

Лазерная указка разбирается и осторожно выпаивается кнопка. Печатная плата укорачивается бокорезами по резистор. Изготовленная плата припаивается к полоске фольги. Кнопка вставляется в новую плату. Корпус указки удлиняется пластмассовой трубкой. Хорошо подходит пластмасса от бутылок. Плюс питания надо провести проводом к микросхеме и корпусу лазера. Конденсаторы на плате устанавливаются с обратной стороны и припаиваются к выводам резисторов. Если нет необходимости делать портативный прибор, то микросхему 564ЛН2 можно заменить на К561ЛН2. Сделать печатную плату в этом случае не составит большого труда.


Добавил:  Павел (Admin)  
Автор:  Неизвестно 

Вас может заинтересовать:

  1. Схема озонатора воздуха
  2. Инструкция по эксплуатации мозгового электростимулятора
  3. Устройство для лечения магнитным полем
  4. Глушение противокражных систем EAS
  5. Походный электростимулятор


    © PavKo, 2007-2018   Обратная связь   Ссылки views: 2608 -- users: 2517 -- web3   Яндекс.Метрика