Портал для радиолюбителей
   Передатчик видеосигнала
    Главная -> Статьи -> Телевизионная техника -> Передатчик видеосигнала

https://quickrun.ru/

<< Назад в раздел   Распечатать Дата добавления: 2011-10-28 | Просмотров: 7822

Передатчик предназначен для амплитудно-частотной модуляции видеосигнла с видеоаппаратуры (видеокамер, тюнеров, магнитофонов, персональных компьютеров и т.д.) на телевизионный приемник. Предатчик подключают непосредственно к видеоаппарату, что исключает необходимость иметь видеовход на телевизионном приемнике.

Совместив такой передатчик с бескорпусной видеокамерой, нетрудно получить установку для бесппроводного наблюдения, а для экономичной работы батарей питания рекомендуется совместить это устройство с инфракрасным детектором присутствия, серийно выпускающимся многими зарубежными фирмами и стоящим относительно недорого, например детектором "REFLEX" фирмы "TEXECOM:" способным улавливать постороннее вмешательство, устойчив на ложное срабатывание, электромагнитное и радиочастотное излучение.

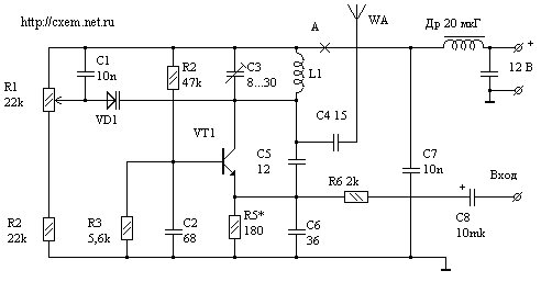
Схема передатчика видеосигнала

Дополнив схему видеопередатчика усилителем высокой частоты, выполненном на одном транзисторе типа КТ325, можно увеличить выходную мощность передатчика, и соответственно дальность беспроводной связи с телевизионным тюнером.

Принципиальная схема передатчика содержит один транзистор VT1 типа КТ603Г. Предатчик настраивают на частоту одного из свободных от телевизионного вещания каналов (например, 1...5 канал). Подстройка осуществляется с помощью подстроечного конденсатора С4, которым добиваются захвата немодулированного сигнала. Точная настройка передатчика производится резистором R1. Сигнал от видеоприбора подается на вход передатчика в цепь эммитера транзистора через резистор R6 и конденсатор С9.

Промодулированный видеосигнал с коллектора поступает на колебательный контур L1C4 в антенну. Ток в точке А подбирается в пределах 30...35 мА.

Правильно собранный передатчик работает сразу. В случае отсутствия генерации необходимо проверить напряжение на эммитере транзистора VT1, причем напряжение на нем должно отличаться от напряжения на базе на 1...2 В в большую сторону.

Передатчик следует питать от стабилизированного источника питания. Антанна должна иметь жесткую конструкцию, например типа телескопической.

Вместо транзистора КТ603 можно использовать КТ608Б или другой, с подходящими параметрами.

Передатчик желательно поместить в экран с целью уменьшения помех.



Добавил:  Павел (Admin)  
Автор:  Неизвестно 

Вас может заинтересовать:

  1. Экономичный БП для антенного усилителя
  2. ДМВ усилитель из СКД-1
  3. Ответы на вопросы по конструкциям конвертеров MMDS
  4. Коллективный фильтр для ТВ антенн
  5. Антенные усилители SWA от польской антенны


    © PavKo, 2007-2018   Обратная связь   Ссылки views: 8553 -- users: 6504 -- web3   Яндекс.Метрика