Портал для радиолюбителей
   Просмотр телевидения семьей
    Главная -> Статьи -> Телевизионная техника -> Просмотр телевидения семьей


<< Назад в раздел   Распечатать Дата добавления: 2011-10-28 | Просмотров: 7217

PPP "На вкус и цвет - товарищей нет". Просмотр телевидения в семье может вызвать раздоры. Для одновременного просмотра различных программ необходима одновременная работа нескольких телевизоров в квартире. Однако, работа телевизоров, подключенных к одному фидеру общей антенны (индивидуальной или коллективной), без разветвителя вызывает взаимную помеху за счет биений частот гетеродинов приемников (современные приемники - все супергетеродинные). Эта помеха проявляется в виде стоящих или медленно перемещающихся по экрану косых темных линий. Публикуемая ниже статья поможет найти выход в такой ситуации.

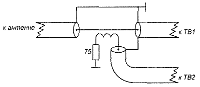
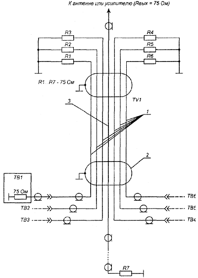
PPP В коллективной антенне многоэтажного здания помехи исключаются установкой в разрыве фидера коаксиального кабеля этажных разветвителей (рис. 1а), по сути представляющих собой ВЧ трансформаторы Т1 с распределенными вдоль объединенных коаксиальных линий индуктивностью и емкостью каждый. Причем выходы и входы каждой линии нагружены на сопротивление, равное волновому (обычно 75 Ом). Последним обеспечивается в линиях режим бегущей электромагнитной волны, а отсутствие гальванической связи отдельных внутренних проводников 1 при общей оплетке 2 обеспечивает взаимную развязку сигналов (в цепи нет общих нелинейных элементов, обязательных в каждом супергетеродине).

Схема коллективонй разводки ТВ-фидера

Рис.1a. Схема коллективонй разводки ТВ-фидера

PPP Попутно следует отметить, что тот, кто подключает коаксиальный кабель к "стволу" 3 (жиле толстого коаксиального кабеля, соединяющего этажи), создает помеху всем телевизором, подключенным к этой коллективной антенне. Поэтому, если у вас на экране появилась подобная помеха, а сигнал ослаб, то некий "умелец" подключился на "ствол". Немедленно обращайтесь к владельцу коллективной антенны (организации, обслуживающей антенну). Он призовет нарушителя к порядку, опечатает этажные разветвители. Ни в коем случае не ищите нарушителя сами, если не хотите нажить себе врага в доме.

PPP Подключение добавочных (внутрисемейных) телевизоров к свободным выходам этажного/ых разветвителя/ей отдельными коаксиальными кабелями обеспечит от взаимных помех и никому из соседей не создаст неудобств, но, наверняка, внутри квартиры дополнительные коаксиальные кабели через всю квартиру к каждому телевизору - большое неудобство (как исключение - комнаты по обе стороны центрального входа в квартиру).

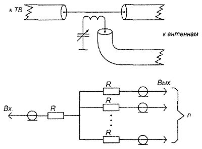
PPP Радиолюбители предлагали [1,2] простые разветвители телевизионного сигнала, как подобные [1] этажному (рис. 1б), но по сути резонансные (не широкополосные, на 1,2 канала), так и частотно-независимые на резисторах (рис. 2а), где

PPP a (обычно 75 Ом) - волновое сопротивление всех применяемых кабелей, n - число подключаемых телевизоров.

Резонансный этажный разветвитель

Рис.1б. Резонансный этажный разветвитель

Частотно-независимый разветвитель

Рис.2а. Частотно-независимый разветвитель

PPP Чтобы укоротить соединения (уменьшить паразитные емкости и индуктивности), удобно использовать не отдельные резисторы, а резистивные блоки Б20 [3], соединяя резисторы в них попарно-параллельно (рис. 2б,в) или по три (рис. 2г). Такие разветвители хорошо применять, если сигнал сильный (антенна ТВЦ рядом или стоит мощный усилитель, конвертер).

Разветвитель на основе резистивного блока Б20 с попарно-параллельным соединением резисторов для выхода на два телевизора

Рис.2б. Разветвитель на основе резистивного блока Б20 с попарно-параллельным соединением резисторов для выхода на два телевизора

Разветвитель на основе резистивного блока Б20 с попарно-параллельным соединением резисторов для выхода на три телевизора

Рис.2в. Разветвитель на основе резистивного блока Б20 с попарно-параллельным соединением резисторов для выхода на три телевизора

Разветвитель на основе резистивного блока Б20 с соединением резисторов по три для выхода на два телевизора

Рис.2г. Разветвитель на основе резистивного блока Б20 с соединением резисторов по три для выхода на два телевизора

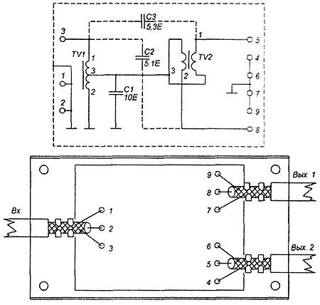
PPP Не нарушая авторских прав, для собственного использования радиолюбители могут повторить промышленное телевизионное устройство разветвителя УТР-2.Н2 [2] (рис. За), явным достоинством которого является отсутствие потерь и наличие электрической развязки (переходного затухания) между выходами, сигналы на которых в противофазе, а широкополосность (1...12 каналы) в сторону 21 ...60 каналов можно продолжить, установив конденсаторы С2, СЗ КД-1 5,1 пФ Переходное затухание между выходами составляет не менее 18 дБ.

Схема разветвителя УТР-2.Н2

Рис.3a. Схема разветвителя УТР-2.Н2

PPP Трансформаторы Т1 и Т2 идентичны и наматываются двумя проводами по 5 витков проводом ПЭВ-2 диаметром 0,47 мм непосредственно на кольцах с закругленными гранями (обтачиваются круглым надфилем) из феррита 30ВН К7х4х2 (применялись в компьютерах БЭСМ-4, в трансформаторах блокинг-генераторов делителей частоты) [4].

PPP Оплетки всех кабелей (входа и выходов) разветвителя должны быть надежно соединены между собой и металлическим корпусом разветителя, а их центральные жилы непосредственно на выводы блока Б20 Резистор R1 типа МЛТ-0,125 150 Ом.

PPP Если телевизор имеет два отдельных антенных входа MB и ДМВ, то к ним подключаются отдельные выходы УТР самостоятельными кабелями с волновым сопротивлением 75 Ом.

PPP Недостатком УТР-2.Н2 является то, что для разветвителя на 3 выхода потребуется два разветвителя УТР; 4-3; 8-7 (рис. 3б)

Схемы разветвителей на 3, 4, 8 выходов

Рис.3б. Схемы разветвителей на 3, 4, 8 выходов

PPP Примечание: емкости в блоках Б20-4-4 не используются, но при очень слабом сигнале могут быть присоединены, как указано пунктиром (рис. 2б) Схема Б20-4-4 для всех номиналов резисторов идентична. Ферритовые кольца могут быть типа 7ВН любого диаметра, диаметр провода некритичен, просто такой удобнее при монтаже и намотке. В качестве корпуса для разветвителя УТР можно применить часть корпуса конденсатора [5] КБГ-МН 8 мкФ 200 В или подобного по размерам. Естественно, в одном корпусе можно поместить 2 и 3 схемы (рис. За), когда необходим разветви-тель на 3, 4 выхода и разветвление кабелей из одного места удобно.

Источники

  1. Боркуняев А. А. и др. Справочная книга радиолюбителя-конструктора. - М.: Радио и связь, 1990, с. 602.
  2. Применение интегральных МС в электронной вычислительной технике. - М.: Радио и связь, 1986, с. 186...188.
  3. Справочник по схемотехнике для радиолюбителя. - Киев, Техника, 1987, с. 33.
  4. Ивашин Н. Вторичное использование конденсаторов. - Радиолюбитель, 2003, 6, с. 37.

Автор:Н. ИВАШИН, г. Минск


Добавил:  Павел (Admin)  
Автор:  Неизвестно 

Вас может заинтересовать:

  1. Простой способ увеличения числа принимаемых ТВ программ
  2. Подавитель шумов и автоматическое выключение в телевизоре УЛПЦТ(И)-61-11
  3. Видеоразветвители мощностий
  4. Тест антенных усилителей SWA
  5. Малошумящий широкополосный антенный усилитель 50-840 МГц


    © PavKo, 2007-2018   Обратная связь   Ссылки views: 15058 -- users: 14088 -- web3   Яндекс.Метрика