Портал для радиолюбителей
   Самый простой радиомодем для ПК
    Главная -> Статьи -> Радиомодемы -> Самый простой радиомодем для ПК


<< Назад в раздел   Распечатать Дата добавления: 2011-11-18 | Просмотров: 7868

Данная схема радиомодема в большом количестве "валяется" по всему Интернету, но я всё-таки повторюсь. Данный радиомодем до ужаса прост в создании и эксплуатации, чем интересен не только начинающим радиолюбителям. Несмотря на простоту, он работает на скоростях до 9600 бод.

Для работы с данным радиомодемом достаточно 286/16Mhz компьютера с соответствующим программным обеспечением, трансивер УКВ ли КВ диапазона, имеющего гнездо управления PTT.

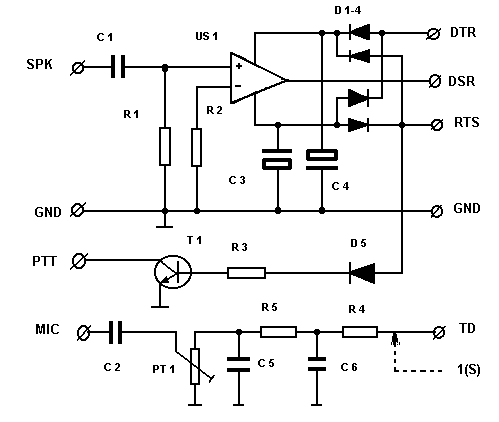
Схема радиомодема

Данный модем подключается к порту RS-232 и питается непосредственно от него (сигналы RTS и DTR) и не требует дополнительного питания операционного усилителя. Диодный мост служит для обеспечения питанием в не зависимости от потенциалов на контактах RTS (Request to Send) и DTR (Data Terminal Ready).

На вход операционного усилителя подаётся НЧ сигнал с выхода трансивера. Минимальный уровень данного сигнала должен быть не менее 100 мВ. Выходной сигнал с операционного усилителя поступает на контакт DSR (Data Set Ready).

При передачи на соответствующий вход трансивера подаётся сигнал PTT. Положительное напряжение с линии RTS переводит транзистор Т1 в насыщенное состояние. В это время на микрофонный вход передатчика подаётся сигнал TD (Transmitteg Data), что становится причиной модуляции несущей. Цифровой сигнал при помощи RC фильтра меняется на синусоидальный, а потенциометр РТ1 помогает установить на выходе соответствующую амплитуду сигнала в зависимости от чувствительности микрофонного входа передатчика.

Печатная плата радиомодема Печатная плата радиомодема

Весь радиомодем монтируется внутри пластикового корпуса переходника HD25/HD9 (мама-папа) с использованием печатной платы на рисунках сверху.

Необходимые радиодетали:

Резисторы

Конденсаторы Диоды Микросхема Транзистор
R1   82 kOm C1   100 nF D1-D5 ULY7741 BC107
R2   82 kOm C2   100 nF 1N4148
R3   1,5 kOm C3 2,3mkF-16v
R4   4,7 kOm C4 2,3mkF-16v замена замена замена
R5   4,7 kOm C5   10 nF КД521 TL061 КТ315
PT1   22 kOm C5   10 nF КД522 КР574УД1 другой npn


Добавил:  Павел (Admin)  
Автор:  Неизвестно 

Вас может заинтересовать:

  1. Modem Baycom 1200 bps
  2. Схема универсального частотного радиомодема на 300/600/1200/2400/4800 бод
  3. Baycom радиомодем для PC
  4. Многоскоростной радиомодем
  5. Два варианта модема, Hamcomm и Hamcomm+


    © PavKo, 2007-2018   Обратная связь   Ссылки views: 2082 -- users: 1780 -- web3   Яндекс.Метрика