Портал для радиолюбителей
   Цифровой термометр на датчике LM75AD
    Главная -> Статьи -> Устройства на микроконтроллерах -> Цифровой термометр на датчике LM75AD


<< Назад в раздел   Распечатать Дата добавления: 2016-11-23 | Просмотров: 8464

Данный прибор предназначен для измерения температуры воздуха в диапазоне от нуля до +45 градусов.

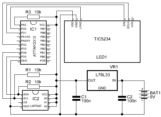
Схема цифрового термометра

Управляет термометром микроконтроллер ATtiny2313, настроенный на работу с тактовой частотой 1 МГц от внутреннего генератора.

Для измерения температуры применён цифровой датчик LM75AD с интерфейсом I2C. В соответствии со спецификацией линии I2C микросхема LM75AD имеет семиразрядный адрес. Старшие четыре разряда адреса установлены жестко: 1001, три младших задаются на выводах A0, A1, A2, подачей на них логических 0 или 1.

В LM75AD входят регистр-указатель, код которого выбирает нужный регистр данных и четыре регистра данных. Код 0x00 выбирает двухбайтовый регистр температуры, который работает только на чтение, в нём хранится код текущей температуры. В табл. 1 приведено размещение данных в этом регистре. Если в температурном регистре бит D10 равен 0, то температура больше 0 и рассчитывается по формуле T=(Temp_data) x 0.125.

Таблица

Для отображения температуры применён жидкокристаллический индикатор TIC5234. При передаче данных на индикатор первым передается самый старший бит, управляющий сегментом 49. Затем передается бит сегмента 48, и так далее, пока не передадутся все биты. После этого нужно защелкнуть регистр, установив LOAD в лог. 0. При этом выбранная конфигурация сегментов отобразится на индикаторе. Лог. 1 соответствует включенный сегмент, Лог. 0 - выключенное состояние.

Прибор питается от 9ти вольтовой батарейки "Крона". Для снижения напряжения применён стабилизатор L78L33 c напряжением на выходе 3.3 Вольта и максимальным током 100 мА.

Чертёж платы изображен на рис. 3. Также на плате расположен разъём для внутрисхемного программирования.

Печатная плата цифрового термометра

На рис. 4 фотография платы с установленными компонентами.

Фото печатной платы термометра

Фото готового устройства

Скачать прошивку HEX, SPL-файл и печатную плату в LAY-формате.


Добавил:  Павел (Admin)  
Автор:  Неизвестно 

Вас может заинтересовать:

  1. Станция для монтажа и демонтажа BGA и других SMD радио компонентов
  2. "Что позволено Юпитеру", или Почему одни микроконтроллеры надежнее других
  3. Зарядное устройство-анализатор NiMh/NiCd аккумуляторов
  4. Программирование МК AVR в ОС Ubuntu. Часть 2 (GUI)
  5. Радиоуправление тремя нагрузками на RF модулях


    © PavKo, 2007-2018   Обратная связь   Ссылки views: 7352 -- users: 6913 -- web3   Яндекс.Метрика