Портал для радиолюбителей
   Цифровая паяльная станция 3 в 1 (DSS-1)
    Главная -> Статьи -> Устройства на микроконтроллерах -> Цифровая паяльная станция 3 в 1 (DSS-1)


<< Назад в раздел   Распечатать Дата добавления: 2016-11-27 | Просмотров: 18471

Идея создания самодельной паяльной станции у меня возникла давно, но так как я программирую микроконтроллеры не более года, и на просторах интернета подходящей мне паяльной станции я не нашел, то решил сделать паяльную станцию своими руками. Те, кто скажут, что можно купить готовую могут дальше не читать.

Преимущество данной конструкции в том, что она имеет небольшое количество компонентов и все реализовано на одном микроконтроллере. Также в схеме присутствует дополнительный выход [EXTk, куда можно дополнительно подключать паяльник на 40-500Вт / 220В или любую другую инерционную нагрузку.

Вид паяльной станции

Характеристики

-Pнапряжение питания 220В / 50Гц
-Pмаксимальная нагрузка выхода [EXTk - не более 1кВт (зависит от симмистора T1)
- Pноминальная нагрузка выхода [FENk - около 200-300Вт.
-Pток потребления цифровой части схемы не более 150мА.
- диапазон регулирования температуры паяльника 150 350 `C **.
- точность стабилизации температурыPa2 `C
- дискретность установки температуры фена - 10 `С **;
- дискретность установки температуры паяльника - 5 `С **;
- широтно-импульсное пропорциональное регулирование с возможностью подбораPкоэффициентов пропорциональности, для более точной стабилизации температуры;
- программная корректировка наклона температурной характеристики с установкой коэффициента наклона) ***;
- защита от обрыва термопары;

** (путем изменения прошивки диапазон можно расширить).
*** (программно данная опция отключена, но в исходнике присутствует).

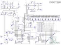
Принципиальная схема паяльной станции приведена ниже.

Схема паяльной станции

Элементная база

За основу данной самодельной станции взят микроконтроллер фирмы Atmel ATMega8, который имеет у себя на борту 10-ти битный аналогово-цифровой компаратор, 3-х канальный ШИМ (2 канала по 10 бит и 1 канал 8 бит), аппаратный USART, целую кучу портов ввода-вывода и другие вкусности, но мы их использовать не будем. (IC1 ATMega8) настроена на работу от внутреннего RC генератора 4MHz. Также включен загрузчик на 512 байт (об этом ниже).

Регистр сдвига (U2 74HC595) используется для управления светодиодами. В схеме нарисовано 4 светодиода, на самом деле это два, но двухцветных (в [Proteus-еk и [DipTracek подходящих я не нашел). Светодиоды подключаются через токоограничительные резисторы. Остальные 4 пина не используются, но могут быть использованы для чего угодно (зуммер, светодиоды, релюшки. и т.д.)

Регистр сдвига (U3 74HC595) и (U1 CD4028B) используется для управления динамической индикацией и опросом кнопок. Индикаторы подключены к выходу дешифратора (U1) через эмиттерные повторители на транзисторах.

Стабилизатор (U7 LM317) служит для управления скоростью вращения вентилятора фена (обвязка из даташита), а (Q1 IRFZ44) включает и выключает его.

Стабилизатор (U9 78L05) служит для питания всей цифровой части схемы. Его обязательно нужно устанавливать на радиатор, так как на нем гасится около 6 ватт.

Усилители термопар выполнены на (U5 LM358). От себя хочу добавить, что самая [слабаяk часть схемы это именно они. Сколько я не пытался, но добиться линейности показаний у меня так и не получилось.

На транзисторах VT1 и VT2 реализована схема детектора пересечения нуля (программно это еще не реализовано).

Блок симисторов:

Ничего сверхъестественного обычный MOC3063 с автоматическим детектором пересечения нуля, и его обвязка взята из даташита.

Блок симисторов

Блок управления и отображения информации:

В устройстве используется 3 спаренных трехзнаковых семисегментника с общим катодом, выдранных из телефона [Русьk, 2 двухцветных светодиода, 9 кнопок управления (2 из которых не задействованы).

Блок отображения информации

Блок отображения информации. Плата снизу.

Также в схеме [Proteus-аk имеется 2 кнопки (Х1, Х2) которые используются для эмулирования нажатия 2-х кнопок (+/-) одновременно.

Блок питания:

Трансформатор от магнитофона [Романтика 222k 4.704.282 или любой другой с напряжением вторичной обмотки 24 вольта (у меня 22 вольта). Диодный мост (D14 RS407) и диод (D17 S20C40) от блока питания компьютера.

Прошивка + загрузчик (Bootloader):

Так как мне хотелось поскорее запустить собранное устройство, было принято решение оставить свободным USART для дальнейших издевательств, поэтому на плате не предусмотрено место под MAX232. Хотя оно особо и не нужно. У меня переходника нет, а вместо него я использую обычный телефонный переходник на PL2303, подключенный напрямую.

Переходник на PL2303

Прошивка контроллера содержит подробные комментарии и без переделки может быть залита в кристалл без загрузчика. Однако Fuse биты придется немного изменить.

Прошивка загрузчика (Bootloader-а) полностью взята easyelectronics.ru/avr-uchebnyj-kurs-ispolzovanie-bootloadera.html у DI HALT-а, единственное, я ее немного переделал под себя (о чем имеются комментарии [//***** МОЙPКОДP****k в исходнике загрузчика). Его работу описывать не буду, всё есть на страничке источника.

Положительным результатом входа в загрузчик, является появление на дисплее буквы [Fk с точкой в 6-м сегменте.

Загрузчик имеет размер 512 байт, умеет читать и писать Flash и Eeprom, для начала более чем! Одно НО выставляйте скорость USART BAUDRATE 19200. Я первое время ставил 9600 и долго не мог понять, почему нет связи с контроллером. Для прошивки через загрузчик используется программа, которая идет в составе AvrStudio4 и находится в папке, она так и называется [AvrProg.exek

В случае, если Вы не хотите использовать загрузчик при прошивке контроллера необходимо убрать галочку на бите [BOOTRSTk.

Фен:

Фен самый обыкновенный от паяльной станции Lukey-702 и был куплен за 212 грн.

Фен от Lukey-702

Паяльник:

Паяльник как видно на фото рассчитан на 220В. [Made in Podvalk сгорел он у меня примерно через два дня. Потом на радиорынке я купил нагревательный элемент Lukey-SENSOTRONIK (для 702/898/852D+FAN) нагреватель 24В, 48ВтPPсо встроенной термопарой, но он оказался меньшего диаметра и длины, поэтому пришлось доматывать алюминиевую фольгу. Теплоотдача никакая, но хватает.

Паяльник

Работа с паяльной станцией

Светодиоды: при нагревании до заданной температуры горит [красныйk светодиод, если температура находится в пределах +/-5 градусов от заданной горит [зеленыйk светодиод, если температура превышает заданную более чем на 5 градусов мигает [красныйk светодиод. В случае обрыва термопары попеременно мигает [красныйk и [зеленыйk и на индикаторе показывает [Errk (нагрузка при этом обесточивается).

Паяльник:

Работа с паяльником осуществляется 3-мя кнопками [Solder on/offk, [+5k, [-5k

- при включенном паяльнике нажатие на [+5k, [-5k соответственно увеличивают/уменьшают заданную температуру о чем свидетельствует мигание индикатора.
-Pпри выключенном паяльнике и продолжительном одновременном нажатии [+5k и [-5k на экран выводится [поправочный коэффициентk в единицах ШИМ (у меня 415 это число означает, сколько единиц нужно добавить к расчетной ШИМ, чтобы удерживать заданную температуру).

Фен:

Работа с феном осуществляется 3-мя кнопками [Fen on/offk, [+10k, [-10k

P- при включенном фене нажатие на [+10k, [-10k соответственно увеличивают/уменьшают заданную температуру о чем свидетельствует мигание индикатора;
P-Pпри выключенном фене и продолжительном одновременном нажатии [+10k и [-10k на экран выводится [поправочный коэффициентk в единицах ШИМ (у меня 160);
P- после выключения фена на индикаторе мигает текущая температура фена и работает вентилятор пока фен не остынет до температуры менее 30 градусов. Если в это время продолжительно нажать [+10k и [-10k на экран выводится [поправочный коэффициентk (см. выше), после чего отображение падения температуры возобновляется.

Переменным резистором (VR1) можно варьировать скорость вращения вентилятора фена.

Распиновка выводов фена:

Красный, Белый - Нагревательный элемент, 220В.
Зеленый - Корпус, Заземление.
Коричневый - + питания моторчика.
Черный - - питания моторчика.
Сиреневый - + термопары.
Желтый - Общий провод (термопара и геркон).
Синий - Геркон.

Работа с внешней нагрузкой осуществляется 1-й кнопкой [EXT on/offk (кнопки [+k, [-k программно не задействованы).

Переменным резистором (VR4) можно варьировать мощность в нагрузке от 0 до 99,9 %.

ВНИМАНИЕ: Схема в [PROTEUSk кардинально отличается от оригинала и предназначена только для отладки и проверки работоспособности системы! Названия и номиналы деталей не совпадают!

Налаживание

НалаживаниеPустройстваPначинаютPсPпроверкиPмонтажа. Подаем питание и на индикаторах горят прочерки, затем мы одновременно нажимаем 4 кнопки [+10k, [-10k, [+5k, [-5k - Pв результате чего в EEPROM записываются стандартные значения температуры паяльника и фена равные 230 и 300 градусам соответственно и поправочные коэффициенты паяльника и фена равные 300 и 0 единицам соответственно (см. исходник) и мигнут все светодиоды.

После этого включаем паяльник и ждем пока он прогреется. Показания температуры при этом не будут соответствовать действительности. Берем спичечный коробок и в углу паяльником расплавляем небольшое количество олова так, чтобы жало в него погрузилось. Сюда же окунаем термопару мультиметра и сравниваем показания. Вращением подстроечного резистора VR2 добиваемся одинаковых показаний на индикаторе и мультиметре. После этого, изменением [поправочного коэффициентаk добиваемся удержания температуры в заданных пределах.

Настройку фена производим по аналогичной методике.

Программа написана на [Сk с использованием компилятора CodeVision. Будет интересно услышать отзывы по поводу оптимизации кода или каких-то доработках.

При разработке использовались следующие источники и программы:

1. Proteus 7.7 sp2
2. CodeVisionAVR 2.04.4a Advanced
3. AVR Studio 4.18
4. DipTrace ver 2.1.0.7
5. Sprint-Layout 6
6. FrontDesigner 3.0

Исходник загрузчика - core_boot.zip
Исходник паяльной станции - core.zip
Печатные платы - print.zip
Схема - Solder_mega_schematic.zip
Схемы в PROTEUS - proteus.zip
Лицевая панель - my_new_cool_project.zip

Автор конструкции и статьи Васильченко Максим aka MakSVs (Украина), e-mail: maksvs@bk.ru, ICQ: 321032970.
При полном одобрении SanyaSan и kraso2li4ka aka Жена ;-)


Добавил:  Павел (Admin)  
Автор:  Васильченко Максим 

Вас может заинтересовать:

  1. Разработка микроконтроллерных USB-устройств в среде BASCOM
  2. Измеритель влажности и температуры
  3. Музыкальный звонок с возможностью замены мелодий без использования программатора
  4. Музыкальный звонок, который умеет всё (Z80)
  5. Радиоуправление тремя нагрузками на RF модулях


    © PavKo, 2007-2018   Обратная связь   Ссылки views: 3302 -- users: 2915 -- web3   Яндекс.Метрика