Портал для радиолюбителей
   Зарядное устройство-анализатор NiMh/NiCd аккумуляторов
    Главная -> Статьи -> Устройства на микроконтроллерах -> Зарядное устройство-анализатор NiMh/NiCd аккумуляторов

BGT установка светодиодных линз в фары профессионально.

<< Назад в раздел   Распечатать Дата добавления: 2016-11-27 | Просмотров: 18280

В связи с быстрым развитием портативных устройств современной бытовой техники, в настоящее время большое распространение получили Ni-Cd и Ni-NiMh аккумуляторные батареи, срок службы которых сильно зависит от правильной эксплуатации. В связи с этим возникает необходимость в устройстве, которое имеет возможность измерять основные технические характеристики эксплуатируемых аккумуляторов, такие как емкость и внутреннее сопротивление, а так жеPPобеспечивать аккумуляторам оптимальный режим заряда.

Автором статьи был приобретен фотоаппарат Canon А710IS, использующий в качестве источника питания две батарейки формата АА. Практически сразу выяснилось, что фотоаппарат может нормально функционировать только с дорогими алкалиновыми батарейками стоимостью от 5грн.(0,7$) С более дешевыми батарейками он или отказывался включаться, или делал всего несколько снимков, после чего выключался. В связи с этим, практически сразу, были приобретены два аккумулятора GP емкостью 2700мА/ч. С этими аккумуляторами GP фотоаппарат мог нормально функционировать на протяжении около месяца, при этом можно было сделать снимков и видео приблизительно на 2Гб.P

Через год эксплуатации количество снимков, которое мог сделать фотоаппарат после полной зарядки аккумуляторов, начало катастрофически уменьшатся. Кроме этого было замечено, что увеличился саморазряд аккумуляторов.

Через полтора года эксплуатации фотоаппаратом стало практически невозможно пользоваться после полного заряда аккумуляторов, можно было сделать не более 20-30 снимков (или 6-7 мин. видео), при этом, если фотоаппаратом не пользовались больше недели, он, как правило, даже не включался. И это при том, что реальных циклов заряда было не более 30, при указываемом ресурсе производителя до 1000

Так как аккумуляторы заряжались зарядным устройством китайского происхождения, и циклы заряда-разряда для предотвращения сульфатации не производились, был сделан вывод о том, что возможной виной преждевременного выхода из строя аккумуляторов был неправильный зарядный режим и отсутствие разрядно-зарядных тренировочных циклов.

При попытках восстановления аккумуляторов методом разрядно-зарядных циклов выяснилось, что емкость аккумуляторов составляет немногим более 1000мА/ч и восстановлению они не поддаются (проверка емкости проводилась при помощи разрядаPполностью заряженных аккумуляторов на лампочку накаливания, при этом по времени свечения лампочки и току потребления ориентировочно определялась емкость). При этом проверка емкости 5-и летних аккумуляторов Energizer 2300мА/ч показала емкость около 1400мА/ч, однако в фотоаппарате они показывали результаты приблизительно аналогичные аккумуляторам GP, с одним лишь положительным отличием -Pсаморазряд был меньшим фотоаппарат включался и через две недели, однако мог сделать не более 10 снимков.

После всех экспериментов было решено приобрести новые аккумуляторы, и собрать зарядное устройство, которое отвечало бы следующим требованиям:
-PPPбыло схемотехнически очень простым и не содержало дорогостоящих компонентов;
-PPPимело возможность ускоренной зарядки аккумуляторов и проведения тренировочных разрядно-зарядных циклов;
-PPPпри проведении зарядки и разрядки подсчитывалась потребленная/отданная емкость в мА/ч. с непосредственным измерением тока и в конце заряда определялось внутреннее сопротивление аккумулятора;
-PPPокончание зарядки определялось по методу U и имелся контроль температуры аккумулятора;
-PPPимелась возможность контроля зарядного процесса на компьютере для его визуализации, а так же оценки принятия решения об окончании заряда;

Довольно долго проводился поиск в интернете и различных журналах подходящей схемы, однако они были или слишком неинформативными [1], или слишком сложными [2], или не обеспечивали требуемых технических характеристик.

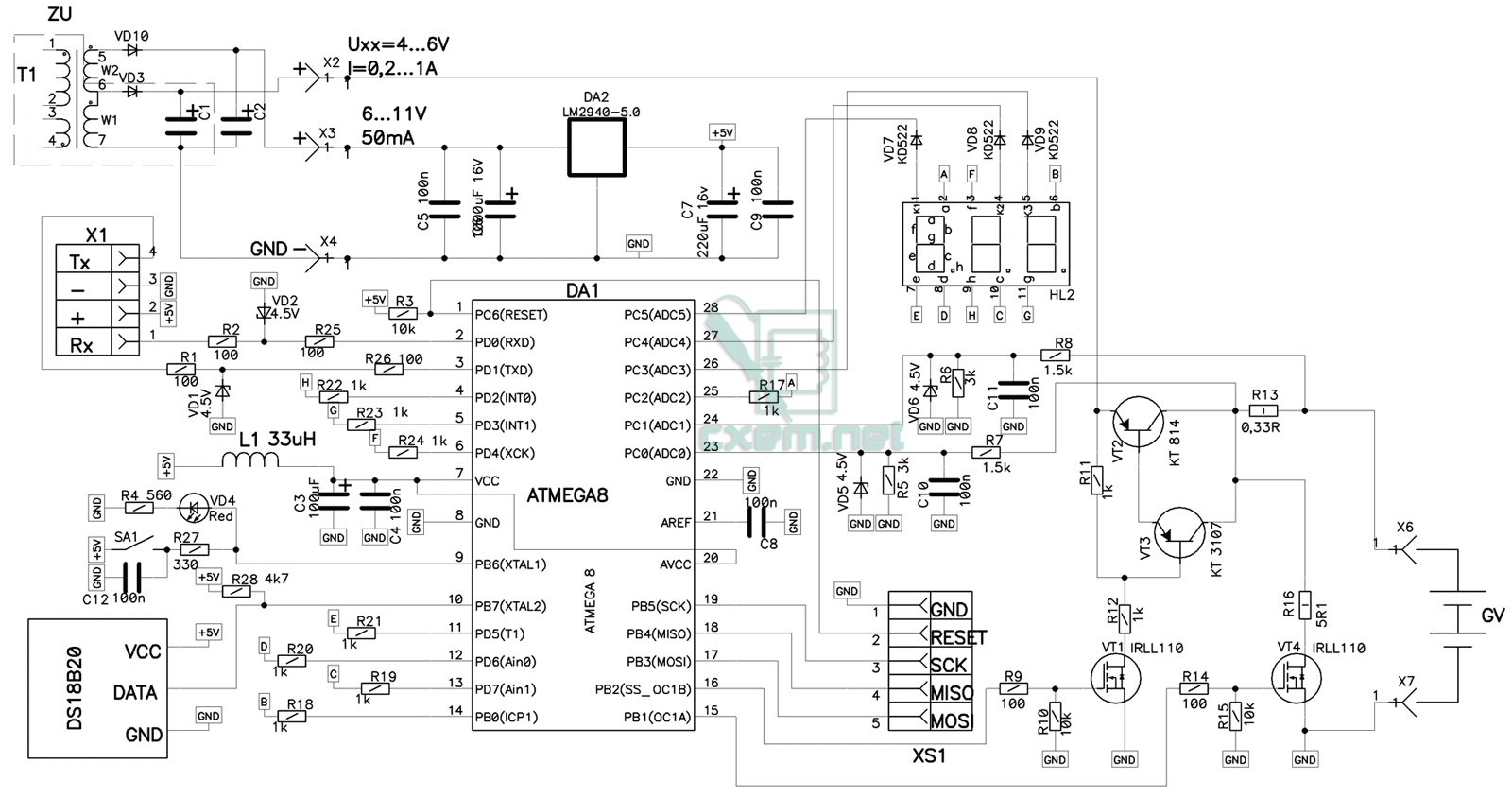
В конце концов, за основу зарядного устройства (в дальнейшем ЗУ) была взята схема с [1], приспособленная под зарядку двух однотипных Ni-Cd или Ni-Mg аккумуляторов. Кроме этого был добавлен трехзначный светодиодный индикатор и написано новое программное обеспечение. Схема зарядного устройства приведена на рис.1.

Схема зарядного устройства
Рис. 1

Особенность схемы постоянное измерение тока в процессе заряда-разряда, что снизило требование к его стабильности и позволило делать более точный подсчет емкости.

Для питания устройства требуются два источника питания. Первый из них, подключенный к Х2-Х4 должен иметь характеристику близкую к источнику тока, с напряжением холостого хода около 4..6В, и током, соответствующему желаемому току заряда.

Второй, подключенный к Х3-Х4, должен быть источникомPнапряжения, с напряжением 611В и током не менее 50мА для питания непосредственно схемы управления и индикации. Если напряжение этого источника будет не менее 8В, тогда вместо дорогого стабилизатора с малым падением напряжения LM2940-5 (DA2) можно использовать распространенный стабилизатор L7805 (КРЕН5А).

На практике было взято зарядное устройство от неизвестного телефона, на котором было написано DC 5.0V/740mA. В действительности на холостом ходу оно выдавало 7В, а ток заряда, при подключении его к двум последовательно включенным аккумуляторам, составил 580мА. Это зарядное устройство (на схеме показано как ZU) было переделано следующим образом. Конденсатор 4,7uF 400V заменен на 10uF 400V, для безопасности добавлен предохранитель 0,25А вместо используемого для этих целей резистора, на высоковольтный транзистор 13003 в корпусе ТО-126 (как у отечественного КТ815) прикреплен небольшой радиатор, и, самое главное, на трансформаторе была домотана дополнительная обмотка из 15 витков провода диаметром 0,18мм (на схеме W2) последовательно с существующей, после чего был допаян навесным монтажом диод VD10 типа 1N5819 и конденсатор С2 220 uF 25V. Необходимо, чтобы при намотке дополнительной обмотки W2 направление намотки было таким же, как в уже существующей W1 - напряжение на обмотках должно суммироваться. Диод VD10 и конденсатор С2 были приклеены термоклеем прямо к трансформатору.

Вся переделка заняла около полутора часов. В результате даже в начале заряда полностью разряженных новых аккумуляторов напряжение на контакте Х3 не опускалось ниже 7В, при этом ток заряда составлял 640мА. В конце заряда ток снижался до 560мА. Это позволило заряжать полностью разряженные аккумуляторы 2700мА/ч за 5часов. При необходимости увеличить ток заряда, следует применить более мощный обратноходовый импульсный блок питания, переделанный аналогичным образом, или в качестве источника тока (Х2-Х4) применить отдельный блок питания (более предпочтительно).

Схема управления построена на распространенном микроконтроллере фирмы Atmel Atmega 8A. Контроллер настроен на внутренний генератор с частотой 1МГц. Выводы PC0 и PC1 контроллера настроены как входа АЦП. Резисторы R8,R6 и R7,R5 образуют делители для согласования напряжения на аккумуляторах с внутренним опорным источником напряжения АЦП контроллера 2,56В. Благодаря делителям, максимальное измеряемое напряжение составило 2,56/3*(3+1,5)=3,84В. Стабилитроны VD5,VD6 служат для ограничения напряжения на входах на уровне 4,5В, конденсаторы С11,С12 для фильтрации измеряемого напряжения.

Благодаря измерению напряжения до и после резистора R13, появилась возможность измерять ток заряда, и снизилось требование к стабильности тока заряда. При подсчете емкости устройство каждую секунду измеряет ток заряда в мА и суммирует его. На дисплее отражается значение суммы, разделенное на 3600, т.е. потребленная (отданная) емкость в мА/ч. Резистор R13 состоит из трех резисторов 1Ом 0.25Вт соединенных параллельно.

В устройстве HL2 применен трехзначный светодиодный индикатор с общим катодом PKOOHI E30361LC8W. При проверке оказалось, что даже при токе 2 мА на сегмент, яркость свечения была достаточно интенсивной. Это позволило обойтись без дополнительных транзисторов, подключив катоды непосредственно к портам контроллера, так как суммарный ток не превышал разрешенные даташитом 40мА на порт. Как оказалось позже, без диодов VD7,8,9 индикатор тоже нормально работает. Возможно применение любого аналогичного индикатора. При недостаточной интенсивности свечения возможно уменьшение гасящих резисторов до 560Ом.

L1,C3,C4 служат для дополнительной фильтрации питания контроллера. Разъем Х1 предназначен для подключения зарядного устройства к компьютеру. Детали R1,R2,R25,R26,VD1,VD2 служат для защиты контроллера от неправильного подключения к внешнему устройству (компьютеру). Если такое подключение не планируется, их использование не обязательно.

Кнопка SA1 служит для выбора режима работы ЗУ при его включении. Светодиод VD4 служит для дополнительной индикации о текущем режиме работы ЗУ. Его наличие позволяет пользоваться ЗУ без индикатора HL2 (если нет необходимости в дополнительной информации о процессе заряда). Порт РВ6 используется программно и как вход, для опроса кнопки (когда светодиод погашен), и как выход для индикации режима работы.

Датчик DS18B20 служит для измерения температуры аккумуляторов. Его необходимо располагать как можно ближе к аккумуляторам. В авторском варианте датчик был закреплен между аккумуляторами непосредственно в держателе, полусферой к аккумуляторам. При его отсутствии устройство тоже работает, но соответственно, температура не отображается.

Элементы VT1,VT2,VT3,R11,R12,R9,R10 образуют ключ зарядного тока. В качестве транзистора VT1 возможно применение любого маломощного n-p-n транзистора (например, КТ315Б), при этом необходимо увеличить резистор R9 до 4,7кОм. VT2 может быть любым аналогичным с коэффициентом передачи тока не менее 50.

VT4,R14,R15,R16 образуют разрядный ключ. При включении транзистора VT4 ток разряда аккумулятора протекает через резисторы R13,R16 и ограничивается ими на уровне около 410мА. Так как ток разряда протекает через резистор R13, имеется возможность измерять разрядный ток и подсчитывать отданную аккумулятором емкость, отпадает необходимость в разрядных источниках тока. В качестве транзистора VT4 возможно применение составного n-p-n транзистора, например КТ972, КТ827, при этом необходимо увеличить сопротивление R14 до 1,5кОм.

Разъем ХS1 предназначен для внутрисхемного программирования контроллера.

При частичном использовании SMD элементов размер платы составил 69х50мм. Светодиодный индикатор был закреплен непосредственно в корпусе ЗУ термоклеем, и соединялся с платой с помощью проводов МГТФ. Корпус для всего устройства был взят от блока питания приставки SEGA размером 80х55х50мм. В корпусе был выпилен паз под держатель аккумуляторов, который был вклеен термоклеем с внутренней стороны. Внешний вид платы показан на фото 1, компоновка компонентов внутри корпуса на фото 2, внешний вид всего ЗУ на фото3.

Внешний вид платы
Фото 1

Компоновка компонентов внутри корпуса
Фото 2

Внешний вид всего ЗУ
Фото 3

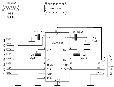
Для подключения схемы к компьютеру необходим адаптер (дата-кабель) собранный на MAX232 или ее аналоге. У автора схема была собрана согласно рис.2. Вывод Тх адаптера необходимо соединить с выводом Rx устройства, а Rx адаптера соответственно с Тх устройства.

Адаптер на MAX232
Рис. 2

При разработке программы для устройства был использован алгоритм, описанный в [3].

Алгоритм работы зарядного устройства состоит из нескольких фаз:
1.PPОпределение наличия аккумулятора.
2.PPВыбор режима работы.
3.PPРазряд (если был выбран)
4.PPПред-зарядка (pre-charge).
5.PPБыстрая зарядка (fast charge).
6.PPДозарядка (top-off charge).
7.PPПоддерживающая зарядка (maintenance charge).

В фазе определения наличия аккумулятора включается ключ подачи зарядного тока VT2, при этом измеряется напряжение на зажимах держателя. Если напряжение выше 3,3В, значит аккумуляторы отсутствуют. На индикаторе при этом высвечиваются прочеркиP"---". Снижение напряжения ниже 3,3В, расценивается как появление аккумуляторов, при этом индикатор HL2 гаснет, а светодиод VD4 начинает мигать с частотой пять раз в секунду.

Если в течение 25сек. кнопка SA1 не будет нажата, устройство [вспоминаетk последний свой режим, хранящийся в ЕЕПРОМ, и начинает его отрабатывать. Т.е. если был сбой в питании, устройство продолжит заряжать аккумуляторы, если последний режим был зарядка, или перейдет в капельный режим подзарядки, если зарядка была окончена. Единственное [ноk - информация о емкости заряда (разряда) будет утеряна, ЗУ начнет подсчет сначала. Это предотвращает повторный заряд полностью заряженных аккумуляторов при пропадании напряжения в сети.

Если же кнопка SA1 в течение первых 25сек. будет все же нажата, на индикаторе HL2 сначала высвечивается напряжение аккумуляторов (общее напряжение делится на два, т.е. высвечивается усредненное напряжение на один аккумулятор), затем начнет мигать [ЗР1k - режим заряда без разрядного импульса. Если повторно нажать кнопку высветится режим [ЗР2k - режим заряда с разрядным импульсом. При следующем нажатии высветится [РАЗk - режим разряда с последующим зарядом в режиме [ЗР2k. Дальше - по кругу, при этом светодиод VD4 мигает в соответствии с выбранным режимом (см. далее). На выбор режима дается 10сек. с момента последнего нажатия кнопки.

Если был выбран режим разряда, аккумуляторы сначала разряжаются, до напряжения менее 0,8В на один аккумулятор. При этом на индикаторе в цикле выводится следующая информация: [РАЗk (режим), [ U k, [напряжение на один аккумуляторk (в вольтах), [ А k, [ток разрядаk (в амперах), [АcHk, [емкость разрядаk (в ампер-часах). Светодиод VD4 при этом мигает с частотой два раза в секунду. Если разряд длится более девяти часов, высвечивается [ErHk - ошибка по времени. После разряда, ЗУ всегда переходит в режим быстрого заряда [ЗР2k.

Режиму быстрого заряда (и ЗР1 и ЗР2) всегда предшествует фаза предзарядки. При этом ток заряда подается на 300мс., далее следует пауза 700мс. Т.е. средний ток составляет 30% от измеренного в момент подачи тока. При этом на индикаторе выводится следующая информация: [НЗРk (режим начального заряда), [ U k, [напряжение на один аккумуляторk, [ А k, [ток в амперахk (средний ток), [ t k, [температураk (в град. Цельсия). Последние два значения не выводятся, если датчик не подключен, или измеренная температура менее 1`С. Светодиод VD4 при этом мигает с частотой раз в две секунды с короткими вспышками. Фаза предзарядки длится не менее 1мин. Основное условие перехода к основному режиму заряда повышение напряжения на аккумуляторах более 1В на один аккумулятор. Если в течение 30 мин. не удается [раскачатьk аккумуляторы, высвечивается ошибка [ErUk - ошибка по напряжению.

Режимы быстрой зарядки ЗР1 и ЗР2 происходят следующим образом. Включается зарядный ток. Раз в секунду зарядный ток выключается и делается небольшая пауза 5мс. для стабилизации. Далее на протяжении 16мс. делается подряд шесть замеров напряжения на аккумуляторах, после чего напряжение усредняется. Если выбран режим ЗР1, то после замеров снова включается зарядный ток. Если выбран режим ЗР2, тогда после замеров включается транзистор VT4, и через аккумуляторы протекает разрядный ток на протяжении 5мс., после чего VT4 отключается, и снова включаются VT1,VT2,VT3 снова начинает протекать зарядный ток.

Как преимущество метода ЗР1 называют лучшее выравнивание концентрации активных веществ по всему объему, меньшую вероятность образования крупных кристаллических образований на электродах и их пассивации. Дополнительным преимуществом этого метода является то, что измерение напряжения происходит без протекания зарядного тока, практически исключается влияние сопротивления контактов и внутреннего сопротивления аккумуляторов на точность измерения. Режим с разрядным импульсом (ЗР2) называют FLEX negative pulse charging или Reflex Charging. Преимуществом такого метода называют более низкую температуру аккумулятора в процессе зарядки и способность устранять крупные кристаллические образования на электродах (вызывающих эффект [памятиk).

В процессе заряда на индикатор HL2 выводится в цикле следующая информация: [ЗР1k (или [ЗР2k, если режим ЗР2), [ U k, [напряжение на один аккумуляторk, [ А k, [ток в амперахk, [АcHk, [емкость зарядаk, [ t k, [температураk, [ dt k, [приращение температурыk. Последние четыре значения не индицируются, если температурный датчик DS18B20 отсутствует. В режиме ЗР1 светодиод VD4 моргает раз в секунду с равными интервалами паузы и засветки. В режиме ЗР2 тоже раз в секунду но с длинной паузой и короткой засветкой.

Через 15 мин. после начала процесса быстрого заряда ЗУ запоминает начальную температуру аккумуляторов. В дальнейшем, устройство показывает параметр dt увеличение температуры с начала заряда. Начальная температура запоминается через 15 мин. для того, чтобы уменьшить влияние нагрева от блока питания, после включения его на полный ток заряда. Увеличение параметра dt до 15`С является одним из условий окончания заряда. Дело в том, что в конце заряда энергия, передаваемая ЗУ перестает поглощаться аккумуляторами, и практически полностью переходит в тепловую. Это вызывает нарушение теплового баланса, и температура начинает расти до некоторого нового значения, при которой энергия принятая аккумуляторами от ЗУ не станет равной отданной аккумуляторами в окружающую среду. Энергия, отданная аккумуляторами в окружающую среду, в первом приближении зависит от геометрии аккумуляторов (которая не менялась с начала заряда), и Pразности температур аккумуляторов и окружающей среды. Таким образом, для каждого тока заряда, будет свое, достаточно постоянное значение приращения температуры в конце заряда. Именно приращение, а не какое-либо конкретное значение температуры. Экспериментально было определено, что для тока заряда 600мА и формата аккумуляторов АА приращение температуры в конце заряда составляет 1113`С. Так как этот метод использовался автором как дополнительный, значение приращения было выбрано с запасом - 15`С.PНа практике окончание заряда по dt происходит достаточно редко, как правило, у старых аккумуляторов большой емкости.

Основным критерием определения окончания зарядки является снижение или постоянство напряжения на 10-и минутном интервале, т.е. dVS0. В памяти ЗУ организован массив из десяти ячеек. ЗУ проводит каждую секунду замер напряжения и суммирует его с предыдущими значениями. Раз в 60 сек. проводится усреднение, т.е. полученная сумма делится на 60, затем массив сдвигается, и в освободившуюся ячейку записывается полученное значение, при этом счетчик суммы обнуляется. Таким образом, всегда доступны значения напряжений в течение последних десяти минут, с минутным интервалом. После этого проводится проверка на dVS0, т.е. все предыдущие значения напряжений должны быть больше или равны последнему UicU10. Однако после испытаний устройства пришлось несколько дополнить условие. Дело в том, что АЦП дискретное, и в данном устройстве имеет 1024 ступеньки, относительно опорного напряжения, 2,56В. С учетом резистивных делителей шаг ступеньки составляет около 3,7мВ.PТаким образом, если даже напряжение на аккумуляторе не растет, но находится на середине ступеньки, АЦП выдает [плавающееk напряжение на величину ступеньки. За счет многократных усреднений (за минуту усредняется 360 измерений) реальное колебание напряжения в массиве при постоянном напряжении аккумуляторов составляло 2мВ. Это затягивало момент определения окончания зарядки, что часто приводило к окончанию зарядки по условию превышения температуры dt. В связи с этим, условие было несколько смягчено из девяти проверок условий, 5 должны были точно соблюдать условие UicU10, а четыре могли отклоняться от него не более чем на 2мВ, т.е. если Ui10, то (U10- Ui) S2мВ. После этого изменения многократный анализ зарядных кривых показал стабильность срабатывания ЗУ.

В процессе быстрой зарядки ЗР1 и ЗР2 возможны следующие аварии: при времени зарядки более 9ч. ошибка по времени [ErHk, при отдаче в аккумулятор более 3800мА/ч ошибка по емкости ErA, если после детектирования окончания заряда напряжение на двух аккумуляторах менее 2,5В ошибка по напряжению [ErUk. PВ режиме ошибки светодиод VD4 мигает пять раз в секунду.

После детектирования окончания зарядки (dV или dt), илиPесли в процессе зарядки аккумуляторы нагрелись до критической температуры 50`С, ЗУ переходит в режим дозарядки. Этот режим длится 20мин. и служит для выравнивания заряда аккумуляторов в батарее. Если температура аккумуляторов более 40`С, ток дозарядки составляет 5%, если менее 40`С 20% от тока зарядного источника. Величина тока дозарядки регулируется импульсным методом, так же как и в режиме предзарядки.

В процессе дозаряда на индикатор HL2 выводится в цикле информация аналогичная режиму основного заряда, только режим индицируется как [dЗРk, и не выводится информация превышения температуры [ dt k. Светодиод VD4 при этом мигает с частотой раз в две секунды с длинными засветками.

После окончания режима дозаряда, ЗУ переходит в режим поддерживающего капельного заряда 0,5% током. При этом один раз, непосредственно после окончания дозаряда, производится ориентировочный расчет внутреннего сопротивления аккумуляторов, на основании замера напряжения аккумуляторов без нагрузки, а так же под нагрузкой разрядным сопротивлением, по формуле Rвн=(Еэдс*5,97)/Uнаг5,97, где 5,97 сопротивление нагрузки (0,33+5,1+0,54(сопротивление транзистора)). На индикатор выводится следующая информация: [ ОКk; [ dUk - если было срабатывание по методу dVS0, или [ dtk - если было срабатывание по условию превышения температуры dt; [ U k; [напряжение на один аккумулятор в конце зарядаk; P[Е-Зk; [емкость зарядаk; [Е-Рk (если был режим разряда); [емкость разрядаk (если был режим разряда) ; [rВНk; [внутреннее сопротивление в конце зарядаk (в Омах). Светодиод VD4 при этом постоянно светится. Процесс заряда окончен.

Для визуализации процесса было создано приложение в бесплатной графической среде программирования Hi-Asm (http://hiasm.com). На сайте автора среды Hi-Asm и в интернете находится достаточное количество примеров, автору этой статьи понадобилось всего четыре вечера для создания приложения ЗУ без каких либо навыков программирования на языках подобного уровня. Для запуска всего комплекса необходимо сначала подсоединить кабель адаптера к ЗУ и COM1 порту компьютера, запустить приложение СHARGER.exe, после чего установить аккумуляторы в ЗУ и подать питание. После индикации на дисплее напряжения, выбрать необходимый режим зарядки: ЗР1, ЗР2 или РАЗ с помощью кнопки SA1. После начала соответствующего режима необходимо нажать кнопку [ЦИКЛk в приложении CHARGER, в результате начнут строиться графики изменения температуры и напряжения аккумуляторов в процессе заряда. После нажатия кнопки [ЦИКЛk приложение раз в минуту отправляет запрос на ЗУ в виде кода 0x0F. В ответ ЗУ отсылает пакет из восьми байт: четыре байта напряжения аккумуляторов в мВ (без запятой), затем три байта температуры (первые два целые, затем десятые без запятой), в конце код CR (13). Все данные отправляются в коде ACS||. Когда процесс заряда окончен, ЗУ передает во всех данных нули, в результате появится окно с надписью [Заряд оконченk.

Для примера приведены графики заряда аккумуляторов GP 2700мА/ч (возраст 1,5лет) P- Рис. 3, DURACEL 2650мА/ч (новые) - Рис. 4., неизвестного происхождения с надписью 700мА/ч от радиоуправляемой машинки (возраст полгода) - Рис. 5.

На рис.3 приведены графики заряда аккумуляторов от фотоаппарата, описанных в начале статьи. Как видим аккумуляторы смогли отдать сразу после зарядки всего 1210мА/ч, КПД зарядного процесса составило всего около 67%, у аккумуляторов достаточно высокое внутреннее сопротивление 0,52Ом (на два последовательно включенных аккумулятора). Снижения напряжения в конце быстрого заряда не было. Так как КПД процесса был низким, температура росла достаточно интенсивно на протяжении всего времени, хотя увеличение температуры в конце заряда все равно достаточно очевидно.

Графики заряда
Рис. 3. GP 2700мА/ч (возраст 1,5лет) Rвн=0,52 Ом, Езар=1,79А/ч,PЕраз=1,21А/ч

На рис. 4 приведены графики заряда аккумуляторов DURACEL приобретенных взамен GP. Здесь графики как из учебника явный пик напряжения со спадом в 5мВ. Температура в процессе заряда практически не увеличивается, и имеет очень выраженный резкий рост в конце заряда, со скоростью роста 0,3`С/мин. КПД процесса около 90%, а сопротивление аккумуляторов 0,21Ом. Фотоаппарат на одном заряде этих аккумуляторов смог отснять 7Гб фото и видео на протяжении двух месяцев интенсивной эксплуатации!

Графики заряда
Рис. 4 DURACEL 2650мА/ч (новые) Rвн=0,21Ом, Езар=2,95А/ч,PЕраз=2,66А/ч

Ну и последние графики на рис. 5 показывают процесс заряда аккумуляторов неизвестного китайского производителя. Радиоуправляемая машинка, которая комплектовалась этими аккумуляторами, через полгода практически перестала функционировать заряда аккумуляторов хватало на 1-2мин. Как видим, их реальная емкость всего 110мА/ч, вместо обещанных 700мА/ч. По графику напряжения видно, что аккумуляторами их уже назвать трудно...

Графики заряда
Рис. 5 Неизвестные 700мА/ч (возраст вн=0,27Ом, Езар=0,23А/ч,PЕраз=0,11А/ч

Зарядное устройство практически не требует наладки. Возможно, будет необходимо подстроить делители напряжений, так как возможна довольно большая погрешность в связи с разбросом номиналов. Для этого необходимо в ЗУ установить заранее заряженные аккумуляторы, и включить его в режим разряда. В этом режиме подбором R6 или R8 откалибровать индицируемое напряжение аккумуляторов, отображаемое на индикаторе HL2 по эталонному вольтметру, подключенному непосредственно к аккумуляторам. После этого включить последовательно с аккумуляторами эталонный амперметр, и подбором R5 или R7 (тоже в режиме разряда) откалибровать индицируемый ток. Второй способ откалибровать поправочным коэффициентом внутри программы, как и где менять есть в примечаниях исходника.

Прошивка микроконтроллера производилась с помощью обычного LPT программатора, состоящего из 4-х резисторов (в интернете находится без особого труда). Запрограммированные фьюзы: CKSEL3=CKSEL2=CKSEL1=SUT0=0 галочки. Вместо Atmega 8A можно применить Atmega 8.

При планировании компоновки элементов ЗУ внутри корпуса, необходимо максимально уменьшить влияние нагрева аккумуляторов от компонентов блока питания и платы!

При эксплуатации ЗУ вместе с аккумуляторами DURACEL выяснился интересный факт: если аккумуляторами практически не пользоваться более полутора месяцев, их емкость после разряда-заряда оказывается всего 17001800мАч, однако после одного-двух циклов разряда-заряда емкость восстанавливается до 2600мАч. А вот старым аккумуляторам GP и Energizer уже ничего не помогало со временем их емкость неукоснительно снижалась. Вывод напрашивается сам если не пользуетесь аккумуляторами, то хотя бы раз в месяц делайте им тренировочные циклы.

Hex-коды прошивки контроллера, исходный проект на Си (для CodeVisionAVR V2.04.4a), схема и разводка платы (P-CAD 2006), приложение СHARGER.exe, его исходник на Hi-Asm (v.4.03) прилагаются к статье.

ЛитератураPPP

  1. Дмитрий Мосин. Умная зарядка NiMh AA аккумуляторов // www.radiokot.ru/circuit/power/charger/10/
  2. Абрамов С.М. Зарядное устройство для пальчиковых батареек //Радиоаматор. 2010. - 9. С.36.
  3. Ридико Л.И. Немного о зарядке NiMH и NiCd аккумуляторов // http://caxapa.ru/lib/charge_nimh.pdf

Скачать архив (7 МБайт)

Update 20.08.11: Скачать (7 МБайт) обновленную версию прошивки с возможностью заряда как один, так и два АКБ


Добавил:  Павел (Admin)  
Автор:  Спорыш Виталий 

Вас может заинтересовать:

  1. Контроллер двухцветного светового шнура Flexilight
  2. Цифровой терморегулятор на микроконтроллере PIC16F84A
  3. Частотомер на PIC контроллере PIC16F84 с LCD дисплеем
  4. Светодиодная гирлянда на МК ATtiny 2313
  5. Проигрыватель компакт-дисков на базе CD-ROM


    © PavKo, 2007-2018   Обратная связь   Ссылки views: 12487 -- users: 12327 -- web3   Яндекс.Метрика