Портал для радиолюбителей
   Схема COM-мыши с колесиком
    Главная -> Статьи -> Компьютерная электроника -> Схема COM-мыши с колесиком


<< Назад в раздел   Распечатать Дата добавления: 2007-10-18 | Просмотров: 9820

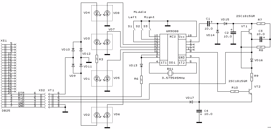
Ниже приведена схема обыкновенной (шариковой) COM-мыши. Такие мыши хоть и устарели, но все еще используются.

Принципиальная схема мыши
Нажмите на рисунке, для увеличения


Добавил:  Павел (Admin)  
Автор:  Неизвестно 

Вас может заинтересовать:

  1. Управление приборами через USB-порт компьютера.
  2. Почему IrDA не годится для приема команд ИК дистанционного управления
  3. Проектирование устройств обработки сигналов
  4. Сопряжение звуковой карты с музыкальным инструментом
  5. Сигнализатор неисправности кулера


    © PavKo, 2007-2018   Обратная связь   Ссылки views: 2691 -- users: 2442 -- web3   Яндекс.Метрика