Портал для радиолюбителей
   Адаптер USB-COM
    Главная -> Статьи -> Компьютерная электроника -> Адаптер USB-COM


<< Назад в раздел   Распечатать Дата добавления: 2008-05-07 | Просмотров: 11502

Рис. 1. Внешний вид адаптера

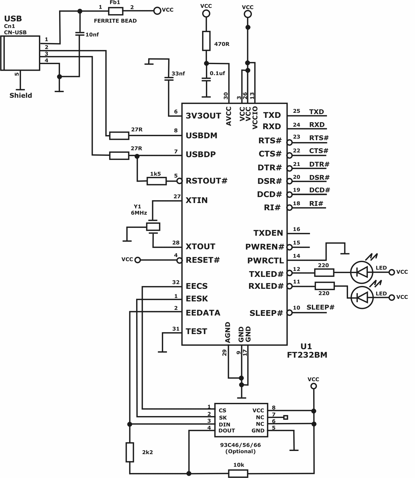
Рис. 2. Принципиальная схема адаптера


Рис. 3. Схема подключения



Драйвер: ft232bm.zip


Добавил:  Павел (Admin)  
Автор:  Неизвестно 

Вас может заинтересовать:

  1. Блок питания компьютера для круглосуточной работы
  2. Три варианта USB-термометра
  3. ИК-порт для компьютера(для подключения к материнке) - 2 вариант
  4. Разводка разъемов питания AT и ATX
  5. Сопряжение звуковой карты с музыкальным инструментом


    © PavKo, 2007-2018   Обратная связь   Ссылки views: 32202 -- users: 30837 -- web3   Яндекс.Метрика