Портал для радиолюбителей
   Малогабаритный частотомер-цифровая шкала до 200 МГц с ЖКИ дисплеем
    Главная -> Статьи -> Устройства на микроконтроллерах -> Малогабаритный частотомер-цифровая шкала до 200 МГц с ЖКИ дисплеем

https://osblog.ru/smm-prodvizhenie-dlya-chainikov-kompleksnoe-prodvizhenie-v-soc-setyah/

<< Назад в раздел   Распечатать Дата добавления: 2007-10-24 | Просмотров: 18698

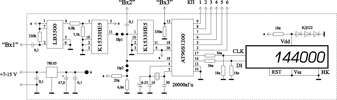
Схема устройства

Рис.1. Схема устройства

Частотомер имеет небольшие габариты 65х35х20 мм и легко помещается на ладони. Несмотря на это он работает в широком диапазоне частот от 0 до 200 МГц, а также может использоваться как цифровая шкала приёмника.

Основные технические параметры:

  • время измерения — 1/2 с
  • диапазоны измерения:
    • со входа 1 — 1...200 МГц (±1 кГц) или 1...30 МГц (±100 Гц)
    • со входа 2 — 1...4 МГц (±10 Гц)
    • со входа 3 — 0...1 МГц (±2 Гц)
  • Uвх min — 50 мВ
  • Uвх max — 5 В
  • Uпит — 7...15 В
  • Iпотр — 40 мА (Uпит = 9 В)

В режиме цифровой шкалы устройство работает с приемниками имеющими ПЧ: 455 кГц, 465 кГц, 500 кГц, 10695 кГц, 10700 кГц, 21000 кГц, 24000 кГц. Предусмотрен выбор +ПЧ или -ПЧ. Возможна индивидуальная прошивка под любые другие ПЧ. Основу прибора составляет программируемый микроконтроллер AT90S1200-12SI фирмы ATMEL. Контроллер управляет ЖКИ дисплеем HT-1611 и в зависимости от установленных перемычек работает как частотомер или цифровая шкала. Для питания микросхем применяется стабилизатор напряжения 78L05, что обуславливает нижний предел питающего напряжения не ниже 7В. Если необходимо уменьшить нижний предел питающего напряжения вплоть до 5В, следует заменить стабилизатор 78L05 на LM2931Z5. Для работы со входа 1 на частотах до 200 МГц используется высокочастотный делитель LB3500 фирмы SANYO, благодаря которому чувствительность в диапазоне 1...200 МГц не хуже 50 мВ. При работе на низких частотах (вход 3) 0...1 МГц используется внутренний компаратор микроконтроллера, что обеспечивает высокую чувствительность и уменьшает габариты платы. Все детали прибора умещаются на плате размером 65х35 мм. Микроконтроллер устанавливается со стороны печатных дорожек. ЖКИ дисплей впаивается в плату со стороны деталей. При этом высота прибора вместе с индикатором не превышает 20 мм.

Описание режимов работы:

  • Для работы со «Вх1» устанавливается перемычка Пр1.
  • Для работы со «Вх2» устанавливается перемычка Пр2.
  • Для выбора диапазона измерения используются контактные площадки (КП) 1 и 2, которые замыкаются на землю или оставляются свободными:
    1...200 МГц — КП1 и КП2 свободны;
    1...30 МГц — КП1 замкнут, КП2 свободен;
    1...4 МГц — КП1 свободен, КП2 замкнут;
    0...1 МГц — КП1 и КП2 замкнуты.
     
  • Для выбора ПЧ при работе в режиме цифровой шкалы используются КП 3,4,5,6, которые замыкаются на землю или оставляются свободными:
    +ПЧ — КП3 свободен;
    -ПЧ — КП3 замкнут;
    0 кГц — КП4 свободен, КП5 свободен, КП6 свободен;
    10700 кГц — КП4 замкнут, КП5 свободен КП6 свободен;
    455 кГц — КП4 свободен, КП5 замкнут, КП6 свободен;
    465 кГц — КП4 свободен, КП5 свободен, КП6 замкнут;
    500 кГц — КП4 замкнут, КП5 замкнут, КП6 свободен;
    10695 кГц — КП4 замкнут, КП5 свободен, КП6 замкнут;
    21000 кГц — КП4 свободен, КП5 замкнут, КП6 замкнут;
    24000 кГц — КП4 замкнут, КП5 замкнут, КП6 замкнут.

Автор проекта: Игорь Максимов (E-mail: maksi@metax.kharkiv.com)


Добавил:  Павел (Admin)  
Автор:   Игорь Максимов (E-mail: maksi@metax.kharkiv.com) 

Вас может заинтересовать:

  1. Правильное ЗУ NiMh/NiCd аккумуляторов электроотвертки
  2. Простой термометр для дома с двумя датчиками DS18B20
  3. Малогабаритный частотомер-цифровая шкала до 200 МГц с ЖКИ дисплеем
  4. Охранное устройство с оповещением по телефонной линии
  5. Многоканальный дистанционный вольтметр


    © PavKo, 2007-2018   Обратная связь   Ссылки views: 20787 -- users: 19675 -- web3   Яндекс.Метрика