Портал для радиолюбителей
   Фототир на базе лазерной указки
    Главная -> Статьи -> Бытовая электроника -> Фототир на базе лазерной указки

банкрот21 отзывы

<< Назад в раздел   Распечатать Дата добавления: 2007-11-30 | Просмотров: 12407

  Статья И. Нечаева с таким названием была опубликована в журнале «Радио» номер 3, 2001 г., стр.58. Практика показала некоторые недостатки предложенной схемы. Во-первых, при проведении соревнований в несколько человек, как правило, стоит галдеж детей и шумы от гостей или телевизора, поэтому громкости пьезоизлучателя недостаточно для фиксации попадания в мишень. Во-вторых, нет необходимости покупать дополнительную батарейку и микросхему стабилизатора напряжения, а можно использовать штатные элементы питания лазерной указки, но тогда необходима небольшая доработка указки. Предлагаемый вариант фототира избавлен от этих недостатков за счет добавления световой индикации попадания в мишень.

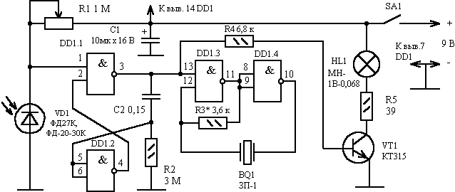
 Фототир на базе лазерной указки - схема

  Вместо фототранзистора ФТ-1К можно применить любой инфракрасный фотодиод, но лучше подходит фотодиод ФД-20-30К. Этот фотодиод состоит из двух фотодиодов с общим катодом, поэтому имеет большую площадь фоточувствительного элемента. Кроме того, фоточувствительный элемент имеет большой угол обзора, т.к. не диафрагмируется корпусом. Последнее позволяет срабатывать мишени не при прямом попадании, а при отражении луча лазера от воронки, покрытой фольгой или зеркальной пленкой. Фотодиоды ФД-20-30К необходимо включить параллельно. Схема ждущего одновибратора на элементах DD1.1, DD1.2 применена без изменений. Схема запускаемого генератора на элементах DD1.3, DD1.4, для увеличения громкости звучания пьезоизлучателя, изменена с учетом статьи [1]. Пьезоизлучатель BQ1 включен в положительную обратную связь генератора одним элементом, (т.е. один вывод жесткий, корпусной, а второй мягкий). Для световой индикации попадания в мишень служит лампа накаливания HL1 («Искра» 1В-0,068А), зажигаемая ключом на транзисторе VT1. Лампа HL1 располагается сверху корпуса мишени рядом с тумблером SA1. При включении питания лампа кратковременно загорается, свидетельствуя об исправности схемы и годности батареи.

 Фототир на базе лазерной указки - плата   Для электролитического конденсатора предусмотрено два отверстия, т.к. для схем не критичных к размерам я применяю сохранившуюся старую элементную базу, например К50-12. Транзистор КТ315 можно взять с любой буквой. Номинал резистора R1 может быть от 470 кОм.

  Для использования элементов питания указки необходимо в корпусе указки просверлить два отверстия по диаметру используемого провода. Отверстия сверлятся на расстоянии 5 – 7 мм от кнопки к батарейному отсеку. Далее необходимо изготовить из жести два токосъемника диаметром 8 мм и припаять к ним провода. Предварительно провода протягиваются через просверленные отверстия корпуса указки. Токосъемники приклеиваются по центру с обеих сторон пластмассовой пуговицы от рубашки (Ф11 мм) так, чтобы провода выходили в одну сторону (можно просто вдавить горячим паяльником). Вставив токосъемники в корпус указки, необходимо проверить, нет ли контакта токосъемников с корпусом указки.

 Указка   Далее с крышки батарейного отсека снимается цепочка с карабином, а отверстие рассверливается до 2,5-3 мм. В это отверстие вставляется винт с шайбой, которые крепят провод «плюса». Далее вставляются элементы питания в корпус указки, фиксируется изолентой в нажатом положении кнопка, и указка проверяется на включение замыканием проводов от токосъемников. Если лазер включается, значит в сборке нет замыканий. Элементы питания за четыре месяца интенсивных «боев» менять еще не приходилось. Литература: Александров И. Применение звукоизлучателя ЗП-1. –Радио, 1995, 12, с.54.


Добавил:  Павел (Admin)  
Автор:  Неизвестно 

Вас может заинтересовать:

  1. Удлинитель ПДУ
  2. Микросхемы TC9148-9150 для дистанционного управления бытовой аппаратурой
  3. Сенсорный выключатель на AT90S2313
  4. Музыкальный звонок на ИМС УМС8
  5. Регулятор мощности для паяльника


    © PavKo, 2007-2018   Обратная связь   Ссылки views: 7434 -- users: 7025 -- web3   Яндекс.Метрика