Портал для радиолюбителей
   Сигнализатор уровня сред
    Главная -> Статьи -> Бытовая электроника -> Сигнализатор уровня сред


<< Назад в раздел   Распечатать Дата добавления: 2008-01-19 | Просмотров: 9134

Сигнализатор уровня сред (далее СУС) предназначен для сигнализации наличия определенных объектов (сыпучих сред, предметов) в непосредственной близости от его датчика (чувствительного элемента). По сути, это емкостное реле, сигнализатор изменения емкости емкостного датчика. От подобных устройств резонансного типа, СУС отличается отсутствием катушек индуктивности и простотой настройки. Такое схемное решение обеспечивает реакцию на изменение емкости датчика всего на 0,5 пф (!). Это позволяет реагировать на приближение ладони человека на расстояние 5-8см до поверхности датчика.
Блок-схема СУС показана на рисунке 1, и состоит из: датчика -1, тактового генератора -2, генераторов опорного -3 и измерительного -4 сигналов, сравнивающего устройства -5, согласующего –6 исполнительного –7 устройств и блока питания -8.

Блок схема сигнализатора уровня сред

Рассмотрим работу схемы по диаграммам на рисунке 2:

Диаграммы контрольных сигналов

Тактовый генератор вырабатывает импульсы синхронизации (1), по которым запускаются опорный (3) и измерительный (5) ждущие мультивибраторы. Длительность опорного импульса определяют элементы схемы (3), (могут меняться вручную). Длительность измерительного импульса (5) зависит от величины емкости датчика.
В исходном состоянии, когда на датчик  не воздействуют посторонние предметы, его емкость мала и длительность (t2) опорного импульса, больше длительности измерительного (t3) импульса (t2> t3, диаграмма 4, 5).  При приближении контролируемого объекта к датчику его электрическая ёмкость увеличивается, длительность измерительного импульса (t4) возрастает и в определённый момент становится больше опорного (t2) (t2<t4, диаграмма 5). Сравнивающее устройство фиксирует смену знака неравенства и по сигналу синхронизации запоминает это состояние (точка «А» диаграммы 5 и 6). В зависимости от этого, согласующее и исполнительное устройства, подключает нагрузку к сети 220 вольт.
При отдалении контролируемого объекта к датчику его электрическая ёмкость уменьшается и  длительность измерительного импульса уменьшается (t5) и когда она станет меньше t2 , схема вернется в исходное состояние и с нагрузки напряжение будет снято (точка «Б» диаграммы 6).

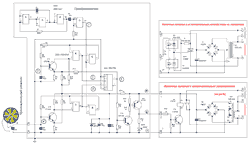
 Рассмотрим принципиальную схему сигнализатора СУС на рисунке 3:

Тактовый генератор собран на логических элементах DD1. Генератор опорного сигнала выполнен на 2-х элементах DD2, транзисторе VТ1 и времязадающей цепочке C3, R2, R4. Его параметры регулируются резистором R4.
Генератор измерительного сигнала выполнен на оставшихся 2-х элементах DD2, транзисторе VТ2 и времязадающей цепочке C0,С2, R3. Выходы обоих генераторов поданы на входы «D» и «С» триггера  DD3. При длительности импульса  измерительного канала (5) больше длительности импульса опорного канала (3), в триггер,  записывается «1» (6).  Согласование по уровню сигнала осуществляется в согласующем устройстве 6 (рис.1), собранное на элементах:VТ3, VТ4, R13, R14, R16-R18 (рис. 3). Релейный каскад исполнительного устройства 7 собран на VT5. Контакты реле К1 коммутируют питание на нагрузку. В верхней части схемы показан семисторный вариант коммутатора нагрузки. Обе схемы не имеют особенностей.

Конструкция СУС и датчика показана на рисунке 4.

Конструкция СУС и датчика

Несущим элементом является металлический корпус с размещенным в нем диском из фольгированного текстолита толщиной 1,5мм и диаметром 160мм. Рисунок  датчика нанесен краской по трафарету. Не защищенные участки вытравлены, к получившимся зонам (обкладкам конденсатора датчика) подпаяны провода для подключения в схему.

Настройка сигнализатора состоит в проверке напряжения питания микросхем и контроле соответствия сигналов в контрольных точках в соответствии с рисунками 2 и 3. При исходном состоянии датчика длительность импульса на выводе 3 микросхемы DD3, должна быть меньше длительности импульса выводе 5 той же МС. Достигается это регулировкой подстроечного резистора R4. При приближении руки к датчику на выходе 1 микросхемы DD3 должен быть переход с состояния «0» в состояние «1». Чувствительность уточняется незначительным изменением положения резистора R4. Настройка остальной части схемы, при исправных деталях,  не требуется.

Конструктивно сигнализатор собран из двух блоков (выделено на рисунке 3). Левая (по схеме) часть собрана в непосредственной  близости от датчика, в одном корпусе. Правая часть – отдельным блоком. Соединение между блоками 3-х проводное, не ограниченной длины (в разумных пределах).

На вопросы интересующихся отвечу по bkalmykov[собака]esv.ryazan.ru

Автор: Калмыков Б.М.


Добавил:  Павел (Admin)  
Автор:  Калмыков Б.М. 

Вас может заинтересовать:

  1. Плавное включение усилителя мощности
  2. Устройство защиты сильноточной аппаратуры
  3. Бесстартерная схема включения ламп дневного света
  4. Запуск лампы дневного света без стартера
  5. ОЦЕНКА ТОЛЩИНЫ ЛАКОКРАСОЧНОГО ПОКРЫТИЯ


    © PavKo, 2007-2018   Обратная связь   Ссылки views: 20860 -- users: 19740 -- web3   Яндекс.Метрика