Портал для радиолюбителей
   Простые ИК интерфейсы стандарта IrDA
    Главная -> Статьи -> Компьютерная электроника -> Простые ИК интерфейсы стандарта IrDA


<< Назад в раздел   Распечатать Дата добавления: 2008-01-27 | Просмотров: 8830

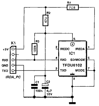
ИК интерфейсы стандарта IrDA уже давно стали атрибутом материнских плат ПК, но только в смысле «электрического разъема». Для того, чтобы ваш ПК действительно «нашел общий язык» с современными принтерами, цифровыми фотокамерами, факсами и другой периферией, предлагается схема конечного звена этого интерфейса (рис.1). Устройство выполнено на современной малопотребляющей ИМС IC1 TFDU6102 (Vishay/Farnell), обеспечивающей обмен данных с потоком до 4 Мбит/с. В ее состав входит фотодиод, ИК-излучатель и КМОП-формирователи.

Схема
Рис.1.

После инсталляции модуля может потребоваться активировать в BIOS вашего ПК работу UART в режиме IrDA. ОС Windows после этого автоматически инсталлирует необходимый драйвер.

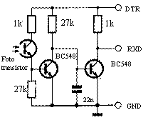
Если требуется только прием IrDA, то предлагается схема простейшего IrDA приемника (рис.2), выполненного на дешевых распространенных элементах. Оно питается прямо от ПК и обеспечивает дальность приема от стандартного IrDA передатчика всего на несколько десятков см, но этого в большинстве случаев оказывается достаточно.

Схема
Рис.2.


Добавил:  Павел (Admin)  
Автор:  A. Bitzer, B. Kainka ("Elektor Electronics" № 12/2003) 

Вас может заинтересовать:

  1. ИК-порт для компьютера(для подключения к материнке) - 2 вариант
  2. Cоединение 2-х компьютеров на лазерных указках
  3. Разводка разъемов питания AT и ATX
  4. Автоматическое включение персонального компьютера
  5. Подключение USB-мыши к PS/2 разъёму компьютера


    © PavKo, 2007-2018   Обратная связь   Ссылки views: 131 -- users: 67 -- web3   Яндекс.Метрика