Портал для радиолюбителей
   Сверхрегенеративный приемник на 90...150 МГц
    Главная -> Статьи -> Радиоприемники -> Сверхрегенеративный приемник на 90...150 МГц


<< Назад в раздел   Распечатать Дата добавления: 2008-02-18 | Просмотров: 13652

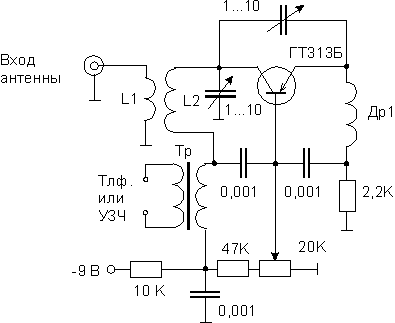
Схема приемника

L1 - 2 витка, L2 - 4 витка
на каркасе диаметром 8 мм, проводом ПЭЛ 0,8.

Дроссель содержит 60 витков провода ПЭЛ 0,1 на резисторе МЛТ 0,5.

Переменные конденсаторы с воздушным диэлектриком.

Тр1 - согласующий от карманного радиоприемника.

Монтаж на "пятачках" по методике Жутяева.


("73 Magazine", Feb.1974, p.100)


Добавил:  Павел (Admin)  
Автор:  ("73 Magazine", Feb.1974, p.100) 

Вас может заинтересовать:

  1. Цифровая шкала для FM-приёмников супергетеродинного типа на микросхемах: СХА1191,СХА1238,ТЕА5711, ТА8127,ТА8164,ТА8167 и др.
  2. УКВ ЧМ приемник на К174ХА34 (конструкция 2)
  3. Радиоприемник на микросхеме TDA7000 (174XA42)
  4. Сверхрегенеративный приемник на 90...150 МГц
  5. УКВ радиоприемник на КХА-058


    © PavKo, 2007-2018   Обратная связь   Ссылки views: 15234 -- users: 14263 -- web3   Яндекс.Метрика