Портал для радиолюбителей
   Эффективный УВЧ для приемника
    Главная -> Статьи -> Радиоприемники -> Эффективный УВЧ для приемника


<< Назад в раздел   Распечатать Дата добавления: 2008-02-23 | Просмотров: 12110

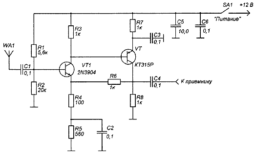
    Схема электрическая принципиальная УВЧ приведена на рисунке 1. Предусилитель предназначен для использования в составе переносного радиоприемника, использующего в качестве антенны короткий отрезок медного провода диаметром 2 мм. Полоса пропускания усилителя составляет 100 кГц...50 МГц, что позволяет получить неплохое значение эффективной чувствительности в широком диапазоне частот.

Принципиальная схема

Рис.1. Принципиальная схема

    Указанная выше полоса пропускания получена благодаря тому, что транзистор VT1 имеет гальваническую (непосредственную) связь со вторым транзистором усилителя. Отрицательная обратная связь между каскадами осуществляется через резисторы R4, R6. При отсутствии отрицательной обратной связи УВЧ имеет достаточно большой коэффициент передачи, поэтому фактический коэффициент передачи будет определяться отношением сопротивлений резисторов R6, R4. Для питания усилителя желательно использовать отдельный источник постоянного тока (батарейка).

Автор: В. ДУБИНИН, г. Липецк


Добавил:  Павел (Admin)  
Автор:  В. ДУБИНИН, г. Липецк 

Вас может заинтересовать:

  1. Простой приемник на 28...29,7 МГц
  2. РЕГЕНЕРАТИВНЫЙ УКВ-ЧМ РАДИОПРИЁМНИК
  3. Сверхрегенеративный приемник на 90...150 МГц
  4. Синтезатор частоты и микрокомпьютер автомагнитолы Yamaha YX-9500
  5. Стерео - в простом УКВ приемнике


    © PavKo, 2007-2018   Обратная связь   Ссылки views: 7878 -- users: 7468 -- web3   Яндекс.Метрика