Портал для радиолюбителей
   Частотомер
    Главная -> Статьи -> Измерительная техника -> Частотомер


<< Назад в раздел   Распечатать Дата добавления: 2008-04-19 | Просмотров: 12418

Параметры предлагаемого частотомера приведены в табл. 1.

Режим работы

Частотомер

Частотомер

Цифровая шкала

Диапазон измерений

1 Гц..20 МГц

1 МГц..200 МГц

1 МГц..200 МГц

Дискретность

1Гц

10 Гц

100 Гц

Чувствительность

40 мВ

100 мВ

100 мВ


Данный частотомер, на мои взгляд, обладает целым рядом преимуществ по сравнению с предшествующими:

- современная дешевая и легко доступная элементная база;
- максимальная измеряемая частота - 200 МГц;
- совмещение в одном приборе частотомера и цифровой шкалы;
- возможность увеличения максимальной измеряемой частоты до 1,2 ГГц при незначительной доработке входной части прибора;
- возможность коммутации во время работы до 4 ПЧ.
Измерение частоты осуществляется классическим способом: подсчет количества импульсов за фиксированный
интервал времени.

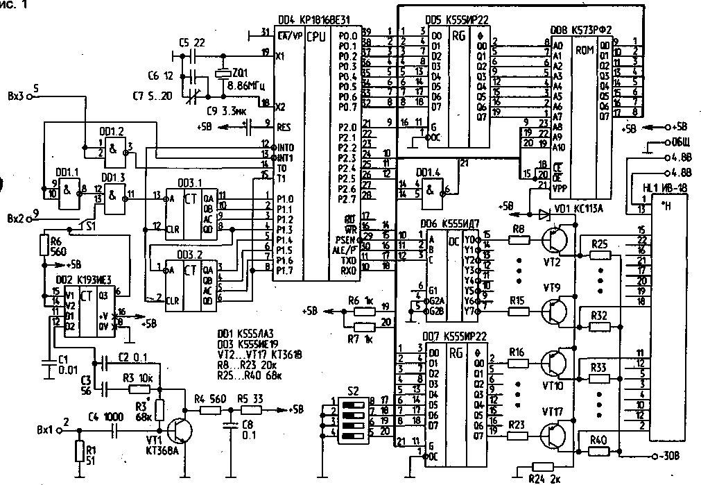
Принципиальная схема представлена на рис.1.

Входной сигнал через конденсатор С4 поступает на базу транзистора VT1, который усиливает входной сигнал до уровня, необходимого для нормальной работы микросхемы DD2. Микросхема DD2 193ИЕЗ представляет собой высокочастотный делитель частоты, коэффициент деления которого равен 10. Ввиду того что в используемое микроконтроллере К1816ВЕ31 максимальная частота счетного входа Т1 f=Fкв/24, где Fкв - частота используемого кварца, а в частотомере Fкв=8,8672 МГц, сигнал с высокочастотного делителя поступает на дополнительный делитель частоты, представляющий собой десятичный счетчик DD3. Процесс измерения частоты начинается с обнуления делителя DD3, сигнал сброса которого поступает с вывода 12 микроконтроллера DD4. Сигнал разрешения прохождения измеряемого сигнала на десятичный делитель поступает с вывода 13 DD4 через инвертор DD1.1 на вывод 12 DD1.3.

По окончании фиксированного интервала времени измерения на выводе 13 DD4 появляется высокий уровень, который через инвертор DD1.1 запрещает прохождение измеряемого сигнала на делитель DD3, и начинается процесс преобразования накопленных импульсов времени в частоту, а также подготовка данных для вывода на индикацию.

Принципиальная схема частотомера

Данный прибор имеет возможность работы как в высокочастотном, так и в низкочастотном диапазонах. При работе в низкочастотном диапазоне переключатель S1 необходимо установить в верхнее положение и сигнал подавать на вход 2 (вывод 9) платы частотомера. Для измерения частоты от 1 Гц до 20 МГц необходимо использовать формирователь, предложенный в [1].

Программа работы микроконтроллера находится в ПЗУ DD8, микросхема DD5 используется для мультиплексирования адресов микроконтроллера. Прошивка ПЗУ для работы прибора в качестве частотомера приведена в табл.2.

Для получения максимальной эффективности использования микроконтроллера в приборе применена динамическая индикация.

При использовании данного прибора в качестве цифровой шкалы на вывод 22 DD8 необходимо с помощью переключателя S2.3 подать высокий уровень. Выбор значения ПЧ производится путем соединения выводов 10,11 микросхемы DD4 с землей. Вход 3 (вывод 5) платы частотомера предназначен для включения выбранной промежуточной частоты (например при переходе с приема на передачу). Во время работы прибора в режиме цифровой шкалы младшие разряды индикатора показывают сотни герц. Работе прибора в режиме цифровой шкалы соответствует иная прошивка ПЗУ.

Печатная плата (рис.2, рис.3, рис.4) изготовлена из двухстороннего стеклотекстолита размерами 100х130 мм. Индикатор крепится непосредственно на печатной плате двумя хомутами из обычного монтажного провода. Для установки микросхемы DD8 предусмотрена панелька. При разводке платы предусматривалась необходимость размещения транзистора VT1 в максимальной близости к DD2. Вокруг VT1 и DD2 оставлено возможно большее количество фольги с обеих сторон с целью экранирования высокочастотных цепей. В конструкции в качестве индикатора HL1 применен ИВ-18 как наиболее популярный в радиолюбительских конструкциях. В случае необходимости миниатюризации конструкции индикатор ИВ-18 может быть заменен на ИВ-21, который имеет значительно меньшие габаритные размеры. В этом случае необходимо уменьшить напряжение накала и отрицательное напряжение на катоде согласно паспортным данным. Микросхему DD1 желательно применять серии 1533 как более высокочастотную.

Для питания частотомера можно использовать блок питания, подробно описанный в [2]. Нужно только увеличить напряжение от -20 В до -30 В и напряжение накала - до 4,8 В при использовании индикатора ИВ-18. В указанной схеме блока питания желательно диод КД503 заменить на стабилитрон КС133, что исключает ложную подсветку сегментов индикатора.

Наладку частотомера следует начинать с проверки на обрыв всех без исключения соединительных проводников печатной платы, затем проверить на отсутствие замыкания соседних на печатной плате соединительных проводников. Сразу же после подачи питания на частотомер проконтролируйте ток потребления по напряжению +5 В. Он не должен превышать 250 мА. Затем измерьте напряжение на коллекторе VT1, оно должно находиться в пределах 2,0 В...3,0 В. Установка указанного напряжения осуществляется подбором резистора R3. При безошибочном монтаже,

исправных деталях и отсутствии ошибок в программе окончательное налаживание прибора заключается в точной установке частот задающего генератора микроконтроллера с помощью конденсатора С7 в соответствии с показаниями образцового частотомера.

Благодаря программно-управляемому процессу измерения можно путем незначительного изменения программы микроконтроллера применять недесятичные высокочастотные дели-. тели. Автором были опро-бованы в данном приборе микросхемы 193ПП1 (коэффициент деления - 704), 193ИЕ6 (коэффициент деления - 256). Испытания показали, что максимальная частота измеряемого сигнала достигает значения 1 ГГц. Наиболее предпочтительной оказалась микросхема 193ПЦ1,т.к. она имеет входной усилитель. Микроконтроллер К181ВЕ51 можно заменить на К1816ВЕ31, К1830ВЕ31, К1830ВЕ51 или их зарубежные аналоги - 8031, 80С31. При отсутствии микросхемы 193ИЕЗ можно заменить ее микросхемой К500ИЕ137, включив ее по типовой схеме.

Литература

1. Бирюков С. Цифровой частотомер//Радио. - 1981.-N10.-C.44.
2.. Хлюпин Н. Цифровой частотомер//Радиолюби-тель.- 1994.- N 11.
3. Сташин В.В. Проектирование цифровых устройств. - 1990.

А.ГРИЦЮК, 339056, Украина, Донецкая обл., Макеевка-56, а/я 15, тел.(06232) 7-12-22, факс 7-27-21.

(РЛ 2,3-97)


Добавил:  Павел (Admin)  
Автор:  А.ГРИЦЮК (РЛ 2,3-97) 

Вас может заинтересовать:

  1. Прибор для измерения величины емкости и тока утечки электролитических конденсаторов
  2. Цифровой генератор шума для акустических измерений
  3. Счетчик витков для намотки трансформатора с применением компьтерного LPT-порта
  4. Вольтметр постоянного тока с автоматическим выбором пределов измерения
  5. Принципиальная схема мультиметра M832


    © PavKo, 2007-2018   Обратная связь   Ссылки views: 9851 -- users: 9665 -- web3   Яндекс.Метрика