Портал для радиолюбителей
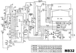
   Принципиальная схема мультиметра M832
    Главная -> Статьи -> Измерительная техника -> Принципиальная схема мультиметра M832


<< Назад в раздел   Распечатать Дата добавления: 2008-05-15 | Просмотров: 11186

Мультиметр M832

Описание: цифровой мультиметр M832 производит измерения величины постоянного и переменного напряжения, силы постоянного и переменного тока, сопротивления и коэффициент усиления биполярных транзисторов (h21). Встроенный генератор 50 Гц будет полезен при испытании радиотехнических устройств. Так же с помощью мультиметра M832 можно прозвонить полупроводниковые диоды. Качество соединения проводников или пайки можно проверить с помощью звуковой прозвонки. Результаты измерений выводятся на хорошо читаемый цифровой 31/2 -разрядный ЖК-дисплей. Питание мультиметра осуществляется от одной батареи 9В типа "Крона". В комплекте поставки мультиметра M832 входит комплект щупов и инструкция на русском языке.

Характеристики:
Количество измерений в секунду: 2
Постоянное напряжение U= 0,1мВ - 1000В
Переменное напряжение U~ 0,1В - 750В
Постоянный ток I= 2мA - 10A
Диапазон частот по перем. току 40 - 400Гц
Сопротивление R 0,1 Ом - 2 МОм
Входное сопротивление R 1 МОм
Встроенный генератор меандр 50 Гц
Коэффициент усиления транзисторов h21 до 1000
Режим «прозвонка» < 1 кОм
Диод-тест : есть
Питание 9В /типа NEDA 1604, Крона ВЦ /
Габариты, мм 65 ? 125 ? 28
Вес, грамм (с батареей) 180
Сервис: Индикация разряда батарейки
Индикация перегрузки «1»

Средняя цена: 9-11$

Ниже приведена схема цифрового мультиметра M832:

Принципиальная схема мультиметра M832


Добавил:  Павел (Admin)  
Автор:  Неизвестно 

Вас может заинтересовать:

  1. Принципиальная схема мультиметра M838
  2. Пробник электроцепей с применением компьтерного LPT-порта
  3. Измеритель емкости электролитических конденсаторов с тестом на утечку
  4. Звуковой испытатель кварцевых резонаторов
  5. Универсальный пробник


    © PavKo, 2007-2018   Обратная связь   Ссылки views: 15262 -- users: 14291 -- web3   Яндекс.Метрика