Портал для радиолюбителей
   Счетчик витков для намотки трансформатора с применением компьтерного LPT-порта
    Главная -> Статьи -> Измерительная техника -> Счетчик витков для намотки трансформатора с применением компьтерного LPT-порта


<< Назад в раздел   Распечатать Дата добавления: 2008-05-02 | Просмотров: 10546

Счетчик витков намотки с применением компьютерного порта

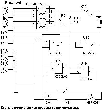
А еще Rimas прислал вот такую схему счетчика витков при намотке трансформатора, он пишет :

" Программа начинает работать толко после того, как схема будет правильно собрана и подключена к одному из 4 возможных портов принтера Программа сама опознает с каким портом она будет работать. При правильной сборке схемы после запуска программы skait.ехе на экране появится сообщение "Ready", подтверждающее готовность к работе и загорится светодиод на плате прибора. При этом счетчик будет показывать W= 0 . При замыкании контактов Х1, Х2 на экране произойдет счет импульсов : W=1, W=2 и т. д. , соответствено сколко витков будет намотано на каркасе трансформатора. Нажав клавишу "-" счет будет происходить назад W=10,W=9 ... Это нужно для отмотки провода . Клавиша "+" опять начнет счет импулсов вперед. Выход из програмы клависа Esc. Cам прибор собран на двухсторонеи плате и у меня разместился прямо на самом разъеме и поместился в стандартный корпус от разъема . Как видно на схеме - не нужно отельного источника питания. Напряжение берется от шины данных на все выходы подав логическую 1. При запуске программы на пробнике загорается светодиод, это сответствует подаче напряжения +5В на плату прибора.При выходе из программы светодиод гаснет - с микросхемы снимается напряжение. Прибор подсоединять и отключать можно не выключая компьютера. "


Добавил:  Павел (Admin)  
Автор:  Неизвестно 

Вас может заинтересовать:

  1. Прибор для измерения величины емкости и тока утечки электролитических конденсаторов
  2. Измеритель емкости электролитических конденсаторов с тестом на утечку
  3. Универсальный пробник
  4. Генераторы импульсов, мультивибраторы, автогенераторы
  5. Измеритель индуктивности и емкости


    © PavKo, 2007-2018   Обратная связь   Ссылки views: 192 -- users: 191 -- web3   Яндекс.Метрика