Портал для радиолюбителей
   Принципиальная схема мультиметра M838
    Главная -> Статьи -> Измерительная техника -> Принципиальная схема мультиметра M838


<< Назад в раздел   Распечатать Дата добавления: 2008-05-15 | Просмотров: 15070

Мультиметр M838

Описание: цифровой мультиметр M838 производит измерения силы постоянного и переменного тока, сопротивления, величины постоянного и переменного напряжения, и коэффициент усиления биполярных транзисторов (h21). Качество соединения проводников или пайки можно проверить с помощью звуковой прозвонки. Встроенный генератор синусоидального сигнала 1000 Гц будет полезен при испытании радиотехнических устройств. Так же с помощью мультиметра M838 можно прозвонить полупроводниковые диоды. Результаты измерений выводятся на хорошо читаемый цифровой 31/2 -разрядный ЖК-дисплей. Питание мультиметра осуществляется от одной батареи 9В типа "Крона". В комплекте поставки мультиметра M838 входит комплект щупов и инструкция на русском языке.

Характеристики:
Количество измерений в секунду: 2
Постоянное напряжение U= 0,1мВ - 1000В
Переменное напряжение U~ 0,1В - 750В
Постоянный ток I= 2мA - 10A
Диапазон частот по перем. току 40 - 400Гц
Сопротивление R 0,1 Ом - 2 МОм
Входное сопротивление R 1 МОм
Температура t°C -20° ? +1370°
Коэффициент усиления транзисторов h21 до 1000
Диод-тест : есть
Режим «прозвонка» < 1 кОм
Питание 9В /типа NEDA 1604, Крона ВЦ /
Габариты, мм 65 ? 125 ? 28
Вес, грамм (с батареей) 180
Сервис: Индикация разряда батарейки
Индикация перегрузки «1»

Средняя цена: 12-15$

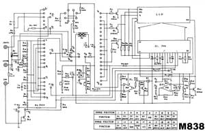
Ниже приведена схема цифрового мультиметра M838:

Принципиальная схема мультиметра M838


Добавил:  Павел (Admin)  
Автор:  Неизвестно 

Вас может заинтересовать:

  1. Логический пробник
  2. Тестер для контроля энергоемкости элементов питания
  3. Прибор для измерения величины емкости и тока утечки электролитических конденсаторов
  4. Приставка к мультиметру для измерения емкости варикапов
  5. Простейший пробник из старых говорящих часов TALKING


    © PavKo, 2007-2018   Обратная связь   Ссылки views: 8516 -- users: 8018 -- web3   Яндекс.Метрика