Портал для радиолюбителей
   Летопись радиотехники: 1920 - 1924
    Главная -> История радио -> Летопись радиотехники -> Летопись радиотехники: 1920 - 1924


1920
  • 16 марта Эдвард Венте (Edward C. Wente) (1889–1972), инженер компании «Bell Labs», представил действующий образец конденсаторного микрофона (патент 20 декабря 1916). В устройстве использовались две пластины, одна из которых была подвижной (сталь толщиной 0.05 мм) и располагалась на расстоянии 0.025 мм от статической пластины. Конденсатор был сформирован статической пластиной и подвижной (диафрагмой). При движении диафрагмы изменялась емкость между пластинами, которую можно преобразовывать в электрическое напряжение. Малый зазор между пластинами и уплотнительная прокладка обеспечивали полную внутреннюю изоляцию от внешнего воздуха. В дальнейшем Венте сделал множество усовершенствований изобретения. В 1923 был изготовлен конденсаторный микрофон, имевший чувствительность в 100 раз более высокую, чем первая модель. Кроме того, в новом микрофонном усилителе был в значительной степени снижен уровень шумов. Улучшенное устройство было продано (1926) компании «Western Electric» под названием «микрофон для производства звуковых кинофильмов – 394-W».
  • 17 марта вышло постановление Совета труда и обороны о постройке Центральной радиотелефонной станции в Москве. Первый пункт постановления гласил: «Поручить Нижегородской радиолаборатории изготовить в самом срочном порядке не позднее 2-х с половиной месяцев Центральную радиотелефонную станцию с радиусом действия 2 000 верст (2 134 км)».
  • В апреле в России на Казанской базе радиоформирований построен радиотелефонный передатчик мощностью около 1 кВт, работавший на обычных усилительных лампах (во всех ступенях передатчика работало около 100 ламп). Два меньших передатчика установлены на пароходах «Декабрист» и «Радищев». В рейсах от Казани до Царицына между пароходами и Казанью поддерживалась уверенная радиотелефонная связь. Казань отлично принимали в Астрахани (расстояние 1 100 км), в Ленинграде и в Ростове-на-Дону.
  • 20 мая состоялась первая заранее объявленная радиопередача в Северной Америке. Радиостанция «CFCF» в Монреале (Канада) передавала концерт певицы Дороти Луттон (Dorothy Lutton). По мнению некоторых историков, является самой первой регулярной радиопередачей в мире.
  • В сентябре в Москве закончилась постройка радиотелефонного передатчика и начались его первые испытания. Для опытных переговоров объектом связи был избран Берлин. Немцы хорошо слышали советскую радиостанцию, но организовать ответную радиопередачу не смогли.
  • 2 ноября начала регулярные радиопередачи радиостанция «KDKA» в Питсбурге, штат Пенсильвания (на волне 360 м, мощность 100 Вт). Считается днем рождения радиовещания. Радиостанция принадлежала компании «Westinghouse» (корпорация «RCA», см. 1919) и выходила в эфир каждый вечер с 8:30 до 9:30. Руководил радиостанцией инженер Франк Конрад (Frank Conrad). К 1921 мощность передатчика была увеличена до 500 Вт. В 1925 функционировала сеть из 6 станций. Через первую коммерческую радиостанцию «KDKA» была организована международная служба обмена сообщениями с Францией, Германией и Аргентиной. Регулярные радиовещательные передачи начались и в других странах: Франция – 1921, Австралия – 1921, Англия – 1922, Германия – 1923, Новая Зеландия – 1923, Швейцария – 1923, Австрия – 1924.
  • В Москве на Шаболовке вступила в строй 100 кВт радиостанция незатухающих колебаний с дуговым генератором, построенная под руководством В.М. Лебедева. Первоначально работала на антенну, подвешенную на двух деревянных мачтах высотой 160 м. (Вероятно первая радиостанция, сооруженная в годы советской власти.)
  • 22 декабря в Германии вышла в эфир первая радиовещательная программа в Koenigs-Wursterhausen. В 1923 начали работать радиостанции в Берлине, Лейпциге, Мюнхене, Гамбурге, Штутгарте и некоторых других городах. Было разрешено вещать один час в день. В 1923 в Германии насчитывалось ок. 500 000 слушателей, в 1925 – 1 000 000 и в 1930 – 3 000 000.

Конденсаторный микрофон Венте [98].

Радиостанция KDKA, 1923 [1].

Ф. Конрад, 1937 [18].

1921
  • 27 января Совет Народных Комиссаров принял по предложению Ленина постановление: «Ввиду благоприятных результатов (см. 1920), достигнутых Нижегородской лабораторией… по разработке и установке телефонной радиостанции с большим радиусом действия… поручить Народному Комиссару Почт и Телеграфов оборудовать в Москве и наиболее важных пунктах Республики радиоустановки для взаимной телефонной связи».
  • Маркони открыл первую Британскую общественную радиостанцию в Челмсфорде (Chelmsford) мощностью 6 кВт. Британское Почтовое ведомство запретило выход двух получасовых ежедневных радиопередач (одна из них – концерт оперной певицы Нелли Мелба (Nellie Melba)) из-за опасения коммерциализации эфира и по требованию военных. Почтовое ведомство требовало получения индивидуальной лицензии на экспериментальные радиопередачи.
  • В США, в попытке взять под контроль права на производство радиокомпонентов, компания «Westinghouse» купила патенты Эдвина Армстронга (Edwin H. Armstrong) и Ли де Фореста (Lee de Forest). Де Форест – неудачный бизнесмен – продал патенты по низким ценам, Армстронг же стал миллионером. Оба изобретателя сохранили за собой право продажи изобретений радиолюбителям. Это условие стало бичом для «RCA» и ее партнеров («GE», «Westinghouse», «AT&T» и др.). Из-за радио бума, по всей стране радиолюбители «вклинивались» в бизнес промышленных компаний, самостоятельно изготавливая, разработанные ведущими фирмами приемники и передатчики.
  • А.Л. Минц (см. 1927) разработал (в начале 1920-х) первую в России ламповую армейскую радиостанцию «АЛМ» (названа по инициалам автора). «АЛМ» была принята на вооружение и изготовлена в количестве 220 комплектов (по тем временам очень большая цифра).
  • В Детройте (США) по инициативе комиссара полиции Вильяма Рутледжа (William P. Rutledge) начались эксперименты по использованию односторонней радиосвязи с патрульными автомобилями на частоте 2 МГц. В 1922 Федеральная радио комиссия выдала департаменту первую временную коммерческую лицензию «KOP» (так возник известный термин «коп», при обозначении полицейских). Автомобили были недостаточно мягкими, а вакуумные лампы боялись ударов и тряски. Мощности бортсети было недостаточно для питания радио и приходилось устанавливать дополнительные 6 В батареи, которых хватало на 4 часа работы. Несколько раз Федеральная радио комиссия отказывалась продлевать коммерческую лицензию департамента, потому что передачи KOP это «развлечение в рабочее время, разнообразящее скучное патрулирование». Муниципалитет отказывал в финансировании из-за нецелесообразности полицейского радио. Но инцидент в марте 1922 убедил оппозицию. Департамент полиции обратился к вновь открытой радиостанции детройтских новостей «WWJ», с просьбой передать по радио приметы потерявшегося мальчика. В результате радиопередачи мальчик был быстро найден усилиями полицейского отдела. Городской бюджет заложил средства на продолжения экспериментов с радио. Из передовой статьи в «Detroit News» за март 1924: «Автомобиль сильно вооружил преступников, потому что позволил быстрое бегство. Но быстрее любой автомашины радио, которым теперь оборудован полицейский отдел… Полиция имеет три радиофицированные машины. Если бы их было больше, то моторизованные бандиты скоро узнали бы, что Детройт стал для них ловушкой и им придется перебраться в другой город с не такими современными идеями». Некоторыми историками считается рождением пейджинга (односторонняя связь).
  • Эдуард Белин (Édouard Belin) (см. 1907), французский инженер, осуществил первую трансатлантическую передачу фотоизображений между Анаполисом (США) и лабораторией Белина в Ла-Малмейсон (Франция). Оборудование Белина использовалось многими европейскими средствами массовой информации в течение 1930–1940-х. Термин «Belino» вошел в речь при обозначении всех видов передачи фотоизображений.
  • В радиоприемниках вместо наушников начали применяться громкоговорящие преобразователи (рупоры, горны).
  • Альберт Уоллес Хулл (Albert Wallace Hull) (1880–1966), американский физик. Работал (с 1914) в компании «General Electric». Изобрел множество конструкций электронных ламп для применения в электронных схемах. В частности магнетрон (1921) и тиратрон. Независимо предложил (1917) порошковый метод рентгеноскопического анализа кристаллов (годом ранее метод был предложен Peter Debye и Paul Scherrer). С помощью метода установил кристаллическую структуру железа и других распространенных металлов.
  • В феврале были осуществлены первые попытки радиолюбительской связи через Атлантику при координации Американской Радиолюбительской Лиги (American Radio Relay League – ARRL). Опыты оказались неудачными. В течение лета и осени были осуществлены многочисленные повторные попытки. 11 декабря был зарегистрирован первый удачный сеанс связи на КВ между США и Англией. Таким образом, была практически доказана возможность использования коротких волн для дальней связи. Задачи, выполняемые огромными и дорогостоящими генераторами переменного тока, были решены с помощью относительно простых схем стоимостью ок. $1000.
  • В Англии в продаже появились первые радиоконструкторы «Marconiphone Crystal Junior V1» и «V2». Производимые компанией Маркони в ответ на все увеличивающуюся популярность радио, наборы содержали все необходимые детали для сборки радиоприемника. Хотя многие радиолюбители все еще предпочитали собирать приемники «с нуля».

Студия радиостанции в Chelmsford [1].

Один из первых полицейских автомобилей (Форд, Модель T) оснащенных радио. На крыше видны изоляторы антенны. Детройт [43].

Текст мемориальной доски: «С этого места 11 декабря 1921, радиостанция 1BCG послала сигнал, принятый в Адросане (Ardrossan), Шотландия – первое сообщение, которое пересекло Атлантику на коротких волнах. Любительская станция 1BCG была построена и использовалась членами Радиоклуба Америки» [110].

1922
  • 12 января О.И. Лосев, российский радиолюбитель, открыл свойство детектора генерировать сигналы и создал детектор-усилитель, названный впоследствии кристадином. Изобретение стало основой современных кристаллических триодов.
  • 19 февраля нью-йоркская радиостанция «WJZ» впервые осуществила «живое» студийное радиовещание спектакля под названием «Совершенный дурак» («The Perfect Fool»).
  • 27 и 29 мая Нижегородская радиолаборатория провела первые опытные радиоконцерты, принимавшиеся на расстоянии до 3 000 км. В этом же году были изготовлены генераторные лампы 25 кВт с медным анодом, охлаждаемым водой.
  • 25 июля в Нью-Йорке начала работу «платная» радиостанция «WBAY» компании «AT&T» на частоте 830 кГц (360 м). 28 августа в 17:00 была передана первая реклама по радио. Компания «Queensboro» за $50 «купила» 10-минут эфирного времени для рекламного объявления о продаже квартир в «высотках Джексона» («Jackson Heights») в Лонг-Айленде (Long Island).
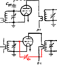
  • Луи Алан Хазелтайн (Louis Alan Hazeltine) (1886–1964), американский физик и инженер. Проводил экспериментальные исследования в области телеграфной и телефонной радиосвязи. Во время I Мировой войны был консультантом Американских морских сил. На основании исследований изобрел (1922) «нейтродинный» («neutrodyne») приемник. Предложенная схема позволяла во много раз снизить емкость между анодом и управляющей сеткой, благодаря введению в схему дополнительного конденсатора компенсации или нейтрализации (neutralized – отсюда и произошло название «нейтродин»). Схема Хазелтайна позволила уменьшить паразитную емкость между катодом и сеткой, которая была причиной возбуждения в усилителях на триодах. Это позволило создавать приемники для более высокочастотных радиоволн и уменьшило шумы и «завывания» при приеме. Основал (1924) компанию «Hazeltine Corporation», которой продал патент нейтродинного приемника. Нейтродин был первым коммерческим приемником, пригодным для приема радиовещательных программ. К 1927 ок. 10 млн. таких приемников использовались радиослушателями США. Нейтродинные приемники выпускались до 1928.
  • 22 августа в Nova Scotia скончался Александер Грейм Белл (см. 1876). В день его похорон на время замолчали все американские и канадские телефоны, чтобы воздать почести человеку, который «изобрел новый способ общения между людьми».
  • В России В.А. Введенский совместно с А.И. Данилевским провели первые опыты по радиосвязи на УКВ с целью изучения их распространения.
  • Компания Маркони получила разрешение британского Почтового ведомства на радиовещание музыкальных программ в течение 15 минут в неделю. Первая радиопередача прозвучала из исследовательской радиостанции Маркони «2LO» в Челмсфорде (Chelmsford) в День святого Валентина (14.02).
  • 17 сентября Московской радиотелефонной станцией передан первый радиовещательный концерт.
  • 18 октября для контроля за развитием радиосвязи и радиовещания основана компания Британского радиовещания – «Би-Би-Си» («BBC» – «British Broadcasting Company, Ltd.»). В настоящее время одна из крупнейших мировых вещательных компаний.
  • Первая трансатлантическая передача по радио фотоизображения. С использованием факсимильной системы Корна (см. 1902) передана фотография Папы римского Пия XI из Рима в штат Мэн. Изображение в тот же день было опубликовано в газете «New York World».
  • Для повышения оперативности подачи новостей газета «Newark Sunday Call» (г. Ньюарк – промышленный пригород Нью-Йорка) установила передатчик на свой автомобиль. Антенна была натянута между шестами, установленными на переднем и заднем бамперах.
  • В России налажено массовое производство генераторных ламп под руководством ученых М.М. Богословского, С.А. Векшинского и С.А. Зусмановского.
  • «Би-Би-Си» начала вещание первых регулярных развлекательных передач, официально одобренных правительством. Поскольку «BBC» получила исключительные права на радиовещание, то пришел конец монополии Маркони. «BBC» и Британское Почтовое ведомство пытались всеми силами свести количество новых радиостанций к минимуму. Прошло 3 года до момента, когда лицензии на радиовещание начали выдаваться местным радиостанциям.
  • Эдвин Говард Армстронг (Edwin Howard Armstrong) (см. 1912) разработал сверхрегенеративный (суперрегенеративный) приемник с усилением большим, чем у регенеративного приемника. 30 июня компания «RCA» заплатила Армстронгу $200 000 плюс 60 000 акций компании (по тем временам на сумму $217 500) за права на будущие изобретения.
  • Маркони разработал основные принципы использования отраженных радиоволн для обнаружения целей (радар).
  • Начало бурного роста коммерческого радиовещания в США. К концу 1922 число лицензированных радиостанций коммерческого радиовещания составило 537 (8 станций в 1922). За месяц открывалось до 100 новых радиостанций.
  • В США компания «Operadio» выпустила первый портативный радиоприемник на лампах под торговой маркой «Operadio». В этом же году компанией были изготовлены первые автомобильные радиоприемники. В настоящее время фирма называется «Dukane Corporation». (Некоторыми историками считается первым портативным радиоприемником).
  • Американская корпорация «RCA» выпустила первый приемник с торговым маркой «Radiola» – «Radiola I». Марка «Radiola» была придумана в 1921 Альфредом Голдсмитом (Alfred M. Goldsmith). Благодаря торговой марке, слово «радиола» стало нарицательным.

Л.А. Хазелтайн [108].

Схема изобретения Хазелтайна: вверху традиционная схема входного каскада приемника на триоде, внизу – нейтродин [102].

Приемники «Operadio» [97].

1923
  • Владимир Кузьмич Зворыкин (1888–1982), инженер и изобретатель, американец российского происхождения. Работал в компании «Westinghouse» (Питсбург, США). Разрабатывал фотоэлементы, фотоэлектронные умножители, электронные микроскопы и др. Получил патент на иконоскоп – первую передающую телевизионную трубку, основанную на теории Кампбелла–Свинтона. «Изображение фокусируется внешним объективом внутри иконоскопа. Высокоскоростной электронный луч последовательно сканирует изображение по горизонтали. Фотоэлементы считывающего устройства освещаются с разной яркостью и формируют импульсы, зависящие от падающего на них количества света. Далее информация преобразовывается в электрический видеосигнал и передается на приемное устройство, на котором происходит процесс восстановления изображения, подобный считыванию». В начале компания «Westinghouse» не оценила важность изобретения Зворыкина, но в 1929 он впечатлил руководство «RCA» при демонстрации усовершенствованной системы. Работы Зворыкина по передаче видеоинформации позволили ему заслужить титул «отца телевидения». В 1933 усовершенствованная версия системы Зворыкина использовалась для передачи видео репортажа из строящегося в Нью-Йорке «Empire State Building» (разрешение изображения – 230 строк). К концу жизни Зворыкин сообщил членам «Общества кино- и телеинженеров США» (SMPTE – «Society of Motion Picture and Television Engineers»), что он сильно разочарован тем, как используется его изобретение.
  • Эдвин Говард Армстронг (Edwin Howard Armstrong) (см. 1912) создал «портативный» радиоприемник.
  • В Петрограде создана Центральная радиолаборатория (ЦРЛ) на территории завода радиоаппаратуры и принадлежностей к радио, основанном РОБТиТ. Научно-исследовательская организация в составе радиоотдела Государственного треста заводов слабого тока. ЦРЛ построила радиостанцию мощностью 5 кВт для Тавриза (Иран), а также радиостанции для Ташкента, Харькова и Свердловска. Постепенно сформировалась в многопрофильное учреждение для выполнения научно-технических разработок в области радио и электровакуумной техники, ВЧ промышленной технологии, инфракрасной техники, гидро- и электроакустики, телевидения, измерительной техники. В дальнейшем стала крупным научно-исследовательским центром радиотехники. В 1928 в состав ЦРЛ вошла Нижегородская радиолаборатория. В 1936 была реорганизована во Всесоюзный НИИ радиовещательного приема и акустики, которому в 1959 было присвоено имя А.С. Попова.
  • 4 июля издан (опубликован 12 сентября) декрет Совета Народных Комиссаров «О радиостанциях специального назначения». Постановление предоставляло право всем государственным, профессиональным, партийным и общественным организациям сооружать и эксплуатировать приемные радиостанции. Постановление содействовало развитию в стране радиоприемной сети и положило начало радиолюбительству.
  • В Германии (Берлин) начала работу первая радиовещательная радиостанция «Radio-Stunde Berlin».
  • В России создана первая громкоговорящая приемная установка «Радиолина», состоящая из усилителя высокой частоты, детектора, усилителя низкой частоты и электромагнитного громкоговорителя.
  • Зигмунд Леве (Siegmund Loewe) (1885–1962), немецкий физик, основал в Германии компанию «Loewe». В настоящее время известная компания по производству видео и аудио техники высокого класса (High-End).

В.К. Зворыкин, 1929 [1].

Армстронг и его «портативный» радиоприемник [1].

З. Леве [90].

1924
  • 3 января из Москвы начались регулярные передачи по радио материалов для местных газет.
  • Хидецугу Яги (Hidetsugu Yagi) (1886–1976) профессор Токийского инженерного колледжа при Императорском университете вместе со своими ассистентами Уда (Uda) и Окабе (Okabe) впервые практически реализовал идею использования пассивных элементов для создания эффективной направленной антенны. С того времени термины «яги» или «яги–уда» стали нарицательными для обозначения многоэлементных направленных антенн.
  • При ITU (см. 1865) организован CCIF – International Telegraph Consultative Committee (Международный Телеграфный Консультативный Комитет).
  • Эдвард Келлог (Edward W. Kellogg) (1882–1960), американский инженер, работал в «General Electric» (1917–1930), затем в «RCA» (1930–1947). Запатентовал, совместно с Честером Райсом (Chester W. Rice), конический громкоговоритель со звуковой катушкой. Уже со следующего года подобный громкоговоритель начал использоваться в радиооборудовании.
  • Ричард Рэнжер (Richard H. Ranger) (1889–1962) американский проектировщик из компании «RCA». Изобрел метод беспроводной передачи фотоизображений или «трансокеанское факсимильное радио», предшественник современных факс-аппаратов. В ноябре фотография президента Кэлвина Кулиджа (Calvin Coolidge) стала первым изображением, переданным из Нью-Йорка в Лондон по трансатлантическому «факсу». Метод заключался в том, что изображение печаталось на цилиндре, который при вращении сканировался лучом света. Изобрел (1928) фото-радиоскоп, предназначенный для отображения увеличенных изображений. В устройстве использовались потоки горячего и холодного воздуха, направляемые на чувствительный экран. Изобрел (1933) «электронные колокола» – автоматическое устройство, предназначенное для воспроизведения простым нажатием кнопки звуковых фрагментов. Использовалось Национальной радиовещательной корпорацией (NBC). При соединении «электронных колоколов» с внешними громкоговорителями, устройство позволяло создать эффект колокольного церковного звона.
  • Маркони закончил постройку КВ радиостанций на 30–60 МГц для британского правительства. Организована прямая коротковолновая радиолиния из Корнуолла (Великобритания) до Кейптауна (Южная Африка).
  • 30 мая Маркони осуществил первую голосовую связь между радиостанциями в Полду (Англия) и Сиднее (Австралия).
  • В США насчитывалось более 3 млн. радиоприемников: кристаллические, рефлексные, супергетеродинные, нейтродинные и т.д. Родилась новая специальность – радиоремонтник.
  • 15 июля создано «Общество радиолюбителей РСФСР», с 2 декабря – «Общество друзей радио СССР» (ОДР).
  • 28 июля Совет Народных Комиссаров СССР принял постановление «О частных приемных радиостанциях», разрешающее сборку и установку приемников для «радиослушания». Постановление закрепило за гражданами страны право владения собственным радиоприемником. Этот день можно по праву считать днем рождения отечественного вещательного радио. Постановление положило начало широкой радиофикации страны и массовому радиолюбительскому движению.
  • Раймонд Хейзинг (Raymond A. Heising) американский физик, продемонстрировал особый вид модуляции радиоволн, в котором информация представлена длиной и порядком регулярно повторяющихся импульсов (например, код Морзе). Получила название широтно-импульсной модуляции – ШИМ (pulse-duration modulation – PDM). В настоящее время в основном применяется в телеметрии.
  • В США компания «Bell Laboratories» создала первую двухстороннюю автомобильную радиостанцию.
  • В крупных городах Англии можно было принимать программы одной из одиннадцати новых станций, позволивших расширить зону радиовещания. 70% британского населения находилось в зоне уверенного радиоприема.
  • Эдвард Виктор Эпплтон (Edward Victor Appleton) (1892–1965), британский физик из Кембриджского университета. Определил (1924) расстояние до верхних слоев ионосферы – 60 миль (92.5 км). Методика измерений послужили толчком к развитию радиолокации, а принцип работы испытательного оборудования стал прототипом современных частотно-модулированных радаров. Ионосфера стала «первым объектом, обнаруженным с помощью радиолокации». Дальнейшие эксперименты проводились с целью изучения возможностей радиовещания вокруг земного шара. В 1926 Эпплтон обнаружил ионосферный слой на высоте 150 миль (278 км) над землей. Более высокий, чем слой Хевисайда (см. 1902) и с более сильной отражательной способностью. Этот слой, названный «слоем Эпплтона» хорошо отражает короткие волны и позволяет им распространяться вокруг земли. Дальнейшее развитие идеи Эпплтона получили в работах английского физика Ватсона-Ватта (см. 1935). Продемонстрировал, что отражательные свойства ионосферы изменяются в зависимости от солнечных пятен. Благодаря работам Эпплтона был учреждена служба ионосферных прогнозов, услугами которой пользовались свыше 40 коротковолновых радиостанций мира. Служба позволяла выдавать рекомендации по использованию для связи наиболее подходящих частот. Лауреат Нобелевской премии в области физики (1947).
  • В сентябре в России выпущен промышленный детекторный радиоприемник для населения «ЛДВ» («любительский детекторный вещательный») производства Треста заводов слабого тока в Москве. В дальнейшем заводом были выпущены модификации приемника – «ЛДВ-2», 3, 4, 5 и 7.
  • Компания «Hazeltine Electronic Corp.» разработала систему автоматической регулировки громкости.
  • Владимир Константинович Лебединский (1868–1937), российский физик и радиотехник (с 1913 профессор). Один из организаторов Нижегородской радиолаборатории (в 1918). Инициатор исследований (с 1924) коротких волн. Работы в области электромагнитных колебаний и волн, искрового разряда и магнитных явлений. Популяризатор физики и радиотехники, книги: «Электромагнитные волны и основания беспроволочного телеграфа» (1906), «Электричество и магнетизм» (1909), «Беседы об электричестве» (1940) и др. Был инициатором издания журнала «Телеграфия и телефония без проводов» (1918–1928) и «Радиотехник» (1918–1921).
  • 4 октября в день похорон М.В. Фрунзе под руководством Минца (см. 1927) был организован первый радиорепортаж с Красной площади.
  • 12 октября в России начались регулярные передачи Сокольнической радиостанции, работавшей на волне 1010 м. Первоначальная мощность станции составляла 640 Вт, затем была повышена до 1.2 кВт. Станция создавалась под руководством Минца (см. 1927).
  • 23 ноября в России начала регулярное вещание радиостанция им. Коминтерна, созданная под руководством Бонч-Бруевича (см. 1919).
  • В России в продаже появились первые вещательные приемники «Радиолины» производства Ленинградского радиоаппаратурного завода имени Козицкого.
  • В США создана компания «International Business Machines Cо.», сокращенно – «IBM» (см. 1890).

Хидецугу Яги [ссылка утеряна].

Э.В. Эпплтон [24].

Автомобильная радиостанция «Bell Labs» [47].


    © PavKo, 2007-2018   Обратная связь   Ссылки views: 5958 -- users: 4249 -- web3   Яндекс.Метрика