Портал для радиолюбителей
   Стабилизатор напряжения, защищенный от коротких замыканий выхода
    Главная -> Статьи -> Стабилизаторы напряжения -> Стабилизатор напряжения, защищенный от коротких замыканий выхода


<< Назад в раздел   Распечатать Дата добавления: 2008-06-17 | Просмотров: 8810

Стабилизатор напряжения, защищенный от коротких замыканий выхода

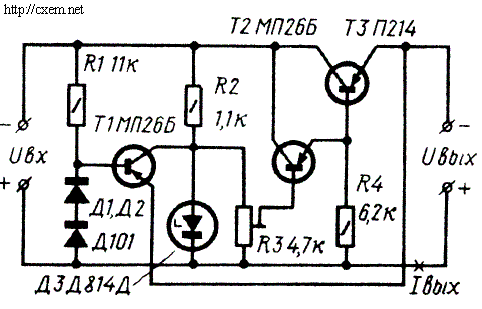
На рисунке приведена схема транзиторного параметрического стабилизатора на составном регулирующем транзисторе Т2, Т3 с устройством защиты от коротких замыканий выхода на транзисторе Т1. Номинальное входное напряжение этого стабилизатора 21 В, ток нагрузки 0,3 А, диапазон изменения выходного напряжения 2...12 В.

Устройство защиты работает следующим образом. На базу транзистора Т1 подано стабильное напряжение смещения величиной около 1,7 В с диодов Д1 и Д2 (используются в качестве стабисторов). Совместно с резистором R1 они образуют делитель входного напряжения. В отсутствие перегрузки выхода транзистор Т1 закрыт, так как потенциал его базы относительно эмиттера положителен. При коротком замыкании выхода эмиттер транзистора Т1 замыкается на "общий плюс". Вследствие этого потенциал его базы относительно эмиттера становится отрицательным, и транзистор открывается. Его коллекторный ток проходит по резистору R2, падение напряжения на нем возрастает, отрицательное смещение на базе транзистора Т2 резко уменьшается и составной регулирующий транзистор переходит в состояние, близкое к состоянию "закрыт". Таким образом, ток короткого замыкания ограничивается. Как только короткое замыкание нагрузки будет ликвидировано, база транзистора Т1 снова получит положительное смещение, и нормальная работа стабилизатора автоматически восстановится.


Добавил:  Павел (Admin)  
Автор:  Неизвестно 

Вас может заинтересовать:

  1. Эффективный импульсный стабилизатор низкого уровня сложности
  2. Регулируемые стабилизаторы напряжения на КР142ЕН19
  3. Стабилизатор напряжения с двойной защитой
  4. Стабилизатор напряжения с защитой от КЗ
  5. Простой стабилизатор напряжения с высоким коэффициентом стабилизации


    © PavKo, 2007-2018   Обратная связь   Ссылки views: 4465 -- users: 4376 -- web3   Яндекс.Метрика