Портал для радиолюбителей
   Мощный преобразователь 12V / ±30V
    Главная -> Статьи -> Блоки питания, зарядные устройства -> Мощный преобразователь 12V / ±30V


<< Назад в раздел   Распечатать Дата добавления: 2008-07-01 | Просмотров: 10287


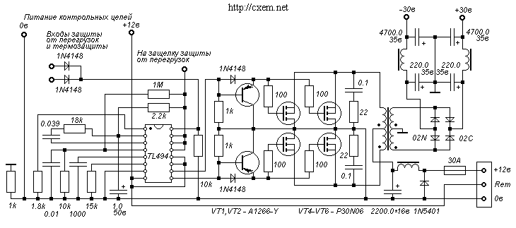
Схема, приведенная на рисунке - блок питания от автомобильного усилителя Jensen (4x40 Вт). Схема упрощена - не показаны каскады защиты от перегрузок усилителей по току и термозащиты. Группы электролитических конденсаторов показаны как один конденсатор суммарной емкости.
Трансформатор преобразователя намотан на ферритовом кольце К42х28х10. Первичная обмотка намотана "косой" из восьми проводов диаметром 1,2 мм и содержит 6,5 витков; вторичная - "косой" из четырех проводов диаметром 1 мм. После намотки каждая коса разделена на две части и начало одной половины обмотки соединяется с концом другой.
Дроссель намотан на ферритовом стержне диаметром ~16 мм. и содержит ~10 витков провода диаметром 2мм. Его данные не критичны.


Добавил:  Павел (Admin)  
Автор:  Неизвестно 

Вас может заинтересовать:

  1. Бестрансформаторное зарядное устройство
  2. Блок питания автомобильного усилителя Jensen 4*40 Вт
  3. Преобразователь однополярного напряжения в двухполярное
  4. Простейший аналог стабилитрона
  5. Сетевой источник питания с высокими удельными параметрами


    © PavKo, 2007-2018   Обратная связь   Ссылки views: 15895 -- users: 15594 -- web3   Яндекс.Метрика