Портал для радиолюбителей
   Блок питания антенного усилителя
    Главная -> Статьи -> Блоки питания, зарядные устройства -> Блок питания антенного усилителя


<< Назад в раздел   Распечатать Дата добавления: 2008-08-04 | Просмотров: 8585


   Часто для питания антенного усилителя необходим источник стабилизированного напряжения 9...12 В с максимальным током нагрузки 20 мА. Можно, конечно, использовать источник питания усилителя телевизора, однако это не всегда удобно. Поэтому может понадобится автономный блок питания. А так как он должен обеспечивать надежную гальваническую развязку от сети, то использовать простой бестрансформаторный блок с гасящим конденсатором или резистором недопустимо. Изготовить же или подобрать необходимый понижающий трансформатор подчас бывает затруднительно. Выходом из такой ситуации может стать использование импульсного маломощного блока питания с разделительным трансформатором на ферритовом кольцевом магнитопроводе.
   Схема такого блока питания антенного усилителя приведена на рис.1. Он содержит генератор импульсных сигналов на мощном операционном усилителе DA1, который питается от выпрямителя VD1-VD4. Конденсатор С1 гасит избыточное напряжение сети, а конденсаторы С3 и С4 сглаживают пульсации выпрямленного напряжения.
   Выходной ток операционного усилителя К157УД1 достигает 300 мА, поэтому генератор, собранный на нем по схеме мультивибратора, нагружен непосредственно на первичную обмотку трансформатора Т1. Частота генерации - 25...30 кГц. Импульсное напряжение, возникающее во вторичной обмотке трансформатора, выпрямляется диодами VD6, VD7, а выпрямленное напряжение сглаживается фильтром C5L1C6. Стабилитрон VD8 стабилизирует выходное напряжение источника питания.

Рис. 1


   Стабилитрон VD5 непосредственно в работе устройства не участвует - он лишь защищает операционный усилитель и другие элементы от недопустимо высокого напряжения в случае срыва генерации или другой неисправности.
   К кабелю снижения телевизионной антенны блок подключают через развязывающие дроссели L2, L3.
   Большую часть сетевого напряжения - около 90% - гасит конденсатор С1. Вот и получается, что генератор питается от источника тока с внутренним сопротивлением Rc1?6,2кОм, значение тока через который не может превысить 30...33 мА. Именно поэтому стабилитрон VD8 в цепи вторичной обмотки трансформатора Т1 подключен к выпрямителю непосредственно, без гасящего резистора (активное сопротивление дросселя L1 не учитывается - оно мало), что не вызовет перегрузки генератора. Объясняется это тем, что с увеличением тока во вторичной обмотке увеличивается и ток, потребляемый генератором. А так как этот ток ограничен емкостным сопротивлением конденсатора С1, то напряжение питания генератора соответственно уменьшается, уменьшается выходное напряжение, а значит, и потребляемый ток. Поэтому стабилитрон VD8 на выходе выпрямителя будет питаться сравнительно стабильным током. Этим и достигается достаточно высокий коэффициент стабилизации:

   Kст~(0,7…0,8)RC1/Rg,
   где Rg, - динамическое, сопротивление стабилитрона VD8. При Rg=15 Ом Кст?300, чего вполне достаточно для питания усилителя такого назначения. Без усилителя ток, текущий через стабилитрон VD8, не превышает 25 мА, а с усилителем он уменьшается на значение тока, потребляемого усилителем.
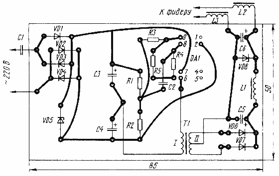
   Все детали блока, кроме конденсатора С1 и дросселей L2, L3, размещают и монтируют на печатной плате (рис.2). Дроссели L2 и L3 включают навесным способом между платой и разъемом для подключения усилителя, а конденсатор С1 крепят на отдельной плате.
   Диоды VD1-VD4 могут быть КД105Б- КД105Г,Д226Б или выпрямительный блок КЦ402А-КЦ402Г, КЦ404А- КЦ404Г, а VD6-VD7 - Д219А, Д310, Д311, Д312, КД510А, КД521А - КД521Г. Стабилитрон VD5 можно составить из нескольких последовательно включенных стабилитронов с суммарным напряжением стабилизации 30...35 В. Стабилитрон VD8 - на напряжение стабилизации 9... 10,5 В и с максимальным постоянным током стабилизации до 25 мА.
   Желательно, чтобы конденсатор С1 (емкостью 0,47...0,56 мкФ) был специально предназначен для работы на переменном токе, например, МБГО, К42-19, К78-4, К70-7, МПГО на номинальное напряжение не менее 300 В. Его можно составить из двух параллельно соединенных конденсаторов МБМ емкостью по 0,25 мкФ на номинальное напряжение 500 В или последовательно включенных емкостью по 1 мкФ на напряжение 160 В. Конденсатор С2 - КЛС, КМ, КД, а С3-С6 -К50-6, К50-24.
   Трансформатор Т1 и дроссель L1 намотаны на кольцевых магнитопроводах типоразмера К20х12х6 мм из феррита 2000НМ. Обмотка I трансформатора содержит 35 витков, обмотка II - 40x2 витков провода ПЭВ-2 0,2, а дроссель L1 - 145...150 витков такого же провода. Дроссели L2 и L3 типа ДМ индуктивностью 100...500 мкГн.
   От тщательности изготовления трансформатора зависит электробезопасность блока, поэтому, несмотря на простоту, он требует особого внимания. Прежде всего, надфилем надо скруглить острые края кольца и обмотать его двумя слоями лакоткани или изоляционной ленты. Провод наматывают с таким расчетом, чтобы обмотки разместились на противоположных сторонах кольца и расстояние между ними было не менее 5 мм. Сверху обмотки обертывают изоляционной лентой.
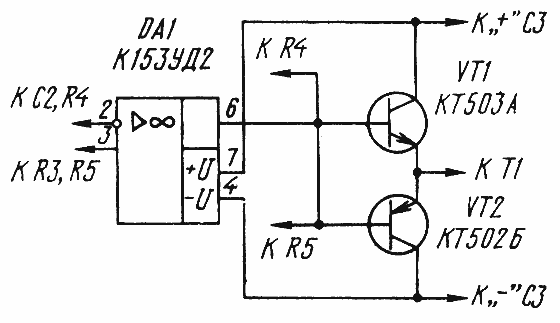
   Микросхему К157УД1 можно заменить операционным усилителем среднего быстродействия, например К153УД2, с дополнительным выходным каскадом на транзисторах, как показано на схеме рис.3.
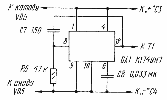
   В импульсном генераторе можно также использовать микросхему К174УН7, включив ее по схеме, приведенной на рис.4. Но тогда надо будет вдвое уменьшить число витков первичной обмотки трансформатора, в два раза увеличить емкость конденсатора С1 и применить стабилитрон VD5 на напряжение стабилизации 15...17 В.

Рис. 2

Рис. 3

Рис. 4

И. НЕЧАЕВ, г.Курск, Радио №3, 1994 г., стр.38


Добавил:  Павел (Admin)  
Автор:  И. НЕЧАЕВ, г.Курск, Радио №3, 1994 г., стр.38 

Вас может заинтересовать:

  1. Источники питания с разделительными конденсаторами
  2. Импульсный блок питания (60Вт) на базе ШИМ UC3842
  3. Блок питания с автоматическим зарядным устройством на компараторе
  4. Зарядное устройство для всех типов аккумуляторов
  5. Миниатюрный блок питания 5-12 В


    © PavKo, 2007-2018   Обратная связь   Ссылки views: 4411 -- users: 4231 -- web3   Яндекс.Метрика