Портал для радиолюбителей
   Автоматическое зарядное устройство для автомобильных аккумуляторов
    Главная -> Статьи -> Блоки питания, зарядные устройства -> Автоматическое зарядное устройство для автомобильных аккумуляторов


<< Назад в раздел   Распечатать Дата добавления: 2008-08-04 | Просмотров: 21916


   Устройство позволяет не только заряжать, но и восстанавливать аккумуляторы с засульфатированными пластинами за счет использования ассиметричного тока при зарядке в режиме заряд (5 А) — разряд (0,5 А) за полный период сетевого напряжения. В устройстве предусмотрена также возможность при необходимости ускорить процесс заряда.
   Данное устройство имеет ряд дополнительных функций, способствующих удобству их использования. Так, при окончании заряда схема автоматически отключит аккумулятор от зарядного устройства. А при попытке подключить неисправный аккумулятор (с напряжением ниже 7 В) или же аккумулятор с неправильной полярностью схема не включится в режим заряда, что предохранит зарядное устройство и аккумулятор от повреждений. В случае короткого замыкания клемм Х1 (+) и Х2 (—) при работе устройства перегорит предохранитель FU1.
   Электрическая схема (рис.1) состоит из стабилизатора тока на транзисторе VT1, контрольного устройства на компараторе D1, тиристора VS1 для фиксации состояния и ключевого транзистора VT2, управляющего работой реле К1.
   При включении устройства тумблером SA1 загорится светодиод HL2, и схема будет ждать, пока подсоединим аккумулятор к клеммам Х1, Х2. При правильной полярности подключения аккумулятора небольшой ток, протекающий через диод VD7 и резисторы R14, R15 в базу VT2, будет достаточным, чтобы транзистор открылся и сработало реле К1.
   При включении реле транзистор VT1 начинает работать в режиме стабилизатора тока — в этом случае будет светиться светодиод HL1. Ток стабилизации задается номиналами резисторов в эмиттерной цепи VT1, а опорное напряжение для работы получено на светодиоде HL1 и диоде VD6.
   Стабилизатор тока работает на одной полуволне сетевого напряжения. В течение второй полуволны диоды VD1, VD2 закрыты и аккумулятор разряжается через резистор R8. Номинал R8 выбран таким, чтобы ток разряда составлял 0,5 А. Экспериментально установлено, что оптимальным является режим заряда током 5 А, разряда — 0,5 А.

Рис. 1

Принципиальная схема    Пока идет разряд, компаратор производит контроль напряжения на аккумуляторе, и при превышении значения 14,7 В (уровень устанавливается при настройке резистором R10) он включит тиристор. При этом начнут светиться светодиоды HL3 и HL2. Тиристор закорачивает базу транзистора VT2 через диод VD9 на общий провод, что приведет к выключению реле. Повторно реле не включится, пока не будет нажата кнопка СБРОС (SB1) или же не отключена на некоторое время вся схема (SA1).
   Для устойчивой работы компаратора D1 его питание стабилизировано стабилитроном VD5. Чтобы компаратор сравнивал напряжение на аккумуляторе с пороговым (установленным на входе 2) только в момент, когда производится разряд, пороговое напряжение цепью из диода VD3 и резистора R1 повышается на время заряда аккумулятора, что исключит его срабатывание. Когда происходит разряд аккумулятора, эта цепь в работе не участвует.
   При изготовлении конструкции транзистор VT1 устанавливается на радиатор площадью не менее 200 кв. см.
   Силовые цепи от клемм Х1, Х2 и трансформатора Т1 выполняются проводом с сечением не менее 0,75 кв. мм.
   В схеме применены конденсаторы С1 типа К50-24 на 63 В, С2 — К53-4А на 20 В, подстроечный резистор R10 типа СП5-2 (многооборотный), постоянные резисторы R2...R4 типа С5-16МВ, R8 типа ПЭВ-15, остальные — типа С2-23. Реле К1 подойдет любое, с рабочим напряжением 24 В и допустимым током через контакты 5 А; тумблеры SA1, SA2 типа Т1, кнопка SB1 типа КМ1-1.
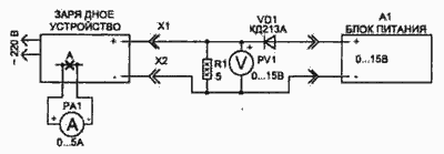
   Для регулировки зарядного устройства потребуется источник постоянного напряжения с перестройкой от 3 до 15 В. Удобно воспользоваться схемой соединений, показанной на рис.2.
   Настройку начинаем с подбора номинала резистора R14. Для этого от блока питания А1 подаем напряжение 7 В и изменением номинала резистора R14 добиваемся, чтобы реле К1 срабатывало при напряжении не менее 7 В. После этого увеличиваем напряжение с источника А1 до 14,7 В и настраиваем резистором R10 порог срабатывания компаратора (для возврата схемы в исходное состояние после включения тиристора надо нажать кнопку SB1). Может также потребоваться подбор резистора R1.
   В последнюю очередь настраиваем стабилизатор тока. Для этого в разрыв цепи коллектора VT1 в точке "А" временно устанавливаем стрелочный амперметр со шкалой 0...5 А. Подбором резистора R4 добиваемся показаний по амперметру 1,8 А (для амплитуды тока 5 А), а после этого при включенном SA2 настраиваем R4, значение 3,6 А (для амплитуды тока 10 А).
   Разница в показании стрелочного амперметра и фактической величины тока связана с тем, что амперметр усредняет измеряемую величину за период сетевого напряжения, а заряд производится только в течение половины периода.
   В заключение следует отметить, что окончательную настройку тока стабилизатора лучше проводить на реальном аккумуляторе в установившемся режиме — когда транзистор VT1 прогрелся и эффект роста тока за счет изменения температуры переходов в транзисторе не наблюдается. На этом настройку можно считать законченной.
   По мере заряда аккумулятора напряжение на нем будет постепенно возрастать, и, когда оно достигнет значения 14,7 В, схема автоматически отключит цепи заряда. Автоматика также отключит процесс зарядки в случае каких-то других непредвиденных воздействий, например при пробое VT1 или же исчезновении сетевого напряжения. Режим автоматического отключения может также срабатывать при плохом контакте в цепях от зарядного устройства до аккумулятора. В этом случае надо нажать кнопку СБРОС (SB1).

Рис. 2


Добавил:  Павел (Admin)  
Автор:  Неизвестно 

Вас может заинтересовать:

  1. Регулируемый блок питания 0-20v 2A
  2. Высокоэффективное зарядное устройство для батарей
  3. Суперэкономичный источник опорного напряжения с применением ГСТ на полевом транзисторе в микротоковом режиме
  4. Импульсный блок питания (60Вт) на базе ШИМ UC3842
  5. Оптронов не жалеть !!!


    © PavKo, 2007-2018   Обратная связь   Ссылки views: 2628 -- users: 2521 -- web3   Яндекс.Метрика