Портал для радиолюбителей
   РЕГЕНЕРАТИВНЫЙ УКВ-ЧМ РАДИОПРИЁМНИК
    Главная -> Статьи -> Радиоприемники -> РЕГЕНЕРАТИВНЫЙ УКВ-ЧМ РАДИОПРИЁМНИК


<< Назад в раздел   Распечатать Дата добавления: 2008-11-14 | Просмотров: 15093

РЕГЕНЕРАТИВНЫЙ УКВ-ЧМ РАДИОПРИЁМНИК

Радиоконструктор 2007 №5

Сейчас простой радиовещательный УКВ-ЧМ приёмник уже перестал быть чем-то, требующим для настройки специальных измерительных приборов и твёрдых знаний данного вопроса. Множество разных микросхем типа «легендарной» К174ХА34 сделали своё дело, и изготовление карманного УКВ-ЧМ приёмника стало доступно самому начинающему радиолюбителю. Некоторые схемы, особенно на сборках типа КХА058, по простоте достижения конечного результата даже проще многих приёмников прямого усиления, так популярных в прошлые годы. Возможно это и хорошо, - начинающему радиолюбителю нужно позволить сразу получить положительный результат от своего творчества. Ведь одна-две неудачи в самом начале «творческой жизни», могут наотрез отбить всякое желание в дальнейшем заниматься радиолюбительством.

И, тем не менее, есть множество внешне простых схем, но предназначенных для более опытных товарищей, которые обычно их делают не ради быстрого получения положительного результата, а ради «спортивного интереса», чтобы на собственном опыте разобраться во всех нюансах работы этой, казалось бы, простой схемы.

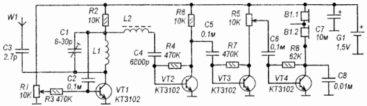
К числу таких схем относится и этот регенеративный УКВ-ЧМ радиовещательный приёмник. Поэтому, если вы начинающий радиолюбитель, и этот приёмник у вас с первой попытки не заработал, - не огорчайтесь, он может не заработать и со второй попытки, и даже с третьей, четвёртой... Принципиальная схема приёмника показана на рисунке в тексте. Она состоит из регенеративного детектора на транзисторе VT1 и трёхкаскадного УНЧ, соответственно, на VT2, VT3, VT4. Источник питания, - один элемент напряжением 1,5V. Нагрузка - на наушники от аудиоплейера.

Обычно регенераторы используют в простых схемах приёмников сигналов с амплитудной модуляцией. В данном случае, чтобы можно было детектировать ЧМ, приёмник настраивают на один из скатов полосы радиостанции, так чтобы изменение частоты, вызванное частотной модуляцией приводило к расстройке приёмника и, как следствие, изменению уровня сигнала на выходе детектора.

Режим работы регенеративного детектора на VT1 устанавливается переменным резистором R1, которым изменяют напряжение смещения на базе транзистора. Установка положения R1, при котором осуществляется наиболее качественный приём, может существенно отличаться для разных радиостанций, работающих в разных частях диапазона и с разной мощностью (или разной степенью удалённости).

image

Напряжение ЗЧ снимают с резистора R2, включённого последовательно коллекторной цепи транзистора. Через индуктивность L2 напряжение 34 поступает на трёхкаскадный усилитель VT2-VT4, выполненный по обычной резистивной схеме с общим эмиттером. Конденсатор С6 подавляет высокочастотные шумы на выходе последнего каскада.

Катушка L1 бескаркасная, сначала её наматывают на оправке диаметром около 5-6 мм (тонкая шариковая ручка), затем, разделав выводы, снимают. Катушка, для работы в диапазоне 87-108 МГц должна содержать 8 витков провода ПЭВ 1,0 (или около этого диаметра). Её нужно растянуть, первоначально, по длине 12-13 мм (в дальнейшем длину намотки нужно будет уточнить при налаживании).

Органом настройки служит керамический подстроечный конденсатор С1.

Переменный резистор R5 служит регулятором громкости. Первоначально его нужно установить в положение максимальной громкости.

Антенной служит кусок монтажного провода длиной 20-40 см. Следует заметить, что мощные (или близкие) станции принимаются и без антенны.

Налаживание. Установите резистор R1 в крайне нижнее положение (R5 так же, в крайне нижнее положение). Постепенно поворачивайте R1 до момента резкого возрастания шума в наушниках. Затем, очень осторожно и медленно поворачивайте R1 в ту же сторону, до момента уменьшения уровня шумов. Попробуйте настроить приёмник на станцию конденсатором С1. При первоначальной настройке на станцию, её звучание может быть очень искажённым, практически не разборчивым. Одновременно с подстройкой С1 в небольших пределах, очень медленно, в небольших пределах, подстраивайте R1 в ту и другую сторону, пока не будет наблюдаться неискажённый прием с малым уровнем шума и достаточной громкостью.

Поскольку, конструкция экспериментальная, монтаж сделан объёмный, на дорожках демонтированной печатной платы от старого телевизора.

Горчук Н.В.


Добавил:   ()  
Автор:  Горчук Н.В. 

Вас может заинтересовать:

  1. Простой УКВ ЧМ приемник
  2. Сверхрегенеративный приемник на основе барьерного генератора
  3. Сверхрегенеративный приемник на 90...150 МГц
  4. Перестройка блоков УКВ на FM
  5. Сверхрегенеративный приемник на барьерном генераторе ВЧ с ОБ


    © PavKo, 2007-2018   Обратная связь   Ссылки views: 7259 -- users: 7045 -- web3   Яндекс.Метрика