Портал для радиолюбителей
   Простой приемник на 144...146 МГц
    Главная -> Статьи -> Радиоприемники -> Простой приемник на 144...146 МГц


<< Назад в раздел   Распечатать Дата добавления: 2007-09-24 | Просмотров: 26502

Приемник собран по супергетеродинной схеме с применением сверхрегенеративного детектора.
  • Чувствительность приемника 2...3 мкВ;
  • Полоса пропускания 60 кГц;
  • Избирательность при расстройке на 70 кГц -40 дБ.
     

Первый каскад приемника - широкополосный неперестраиваемый усилитель ВЧ на лампе 6Ж3П (Л1) индуктивно связан с антенной. Последовательно катушке L2 включено сопротивление утечки R1, создающее отрицательное напряжение смещения на управляющей сетке Л1.

Рис.1. Принципиальная схема приемника

Сопротивление R1 шунтировано конденсатором С1, через который проходит переменное напряжение сигнала. Нагрузкой каскада служит колебательный контур, состоящий из катушки L3, конденсатора С3, выходной емкости Л1, входной емкости Л2 и монтажных емкостей. За каскадом УВЧ в приемнике следует преобразователь, собранный на левом (по схеме) триоде лампы 6Н15П (Л2). Каскад преобразователя, так же как и усилитель ВЧ, не настраивается. В анодной цепи лампы преобразователя установлен фильтр ПЧ (катушки L5L6), настроенный на частоту 25,7 МГц.

Гетеродин выполнен на правом триоде лампы 6Н15П (Л2) по трехточечной схеме с автотрансформаторной связью. Напряжение обратной связи, снимаемое с части витков гетеродинной катушки L4, подается на катод лампы Л2. Лампа 6Н15П (Л2) имеет общий катод для обоих триодов, что позволяет осуществить связь преобразователя с гетеродином через катод и междуэлектродные емкости триода преобразователя. Частота гетеродина выбрана ниже принимаемой и может быть изменена в пределах 118...120,5 МГц путем вращения ротора конденсатора С6. Этот конденсатор является единственным органом настройки приемника на принимаемую станцию.

Сверхрегенеративный детектор с самогашением собран на левом (по схеме) триоде лампы 6Н15П (Л3). Величины деталей детекторного каскада указанные на схеме, подобраны экспериментально. При таких величинах деталей детекторный каскад имеет чувствительность 25 мкВ при полном подавлении шумов. Изменение анодного напряжения в пределах 70...120 В не влияет на его работу.

Правый (по схеме) триод лампы 6Н15П (Л3) работает в каскаде УНЧ. В цепь сетки этого триода включен потенциометр R7 регулятора громкости. Усилитель НЧ нагружен на высокоомные головные телефоны сопротивлением 2 кОм. Конденсатор С11 служит для выравнивания частотной характеристики усилителя НЧ на высших звуковых частотах.

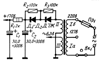
Приемник питается от выпрямителя передатчика. Если радиолюбитель не имеет передатчика, то к приемнику нужно присоединить простейший однополупериодный выпрямитель, схема которого приведена на рис.2.

Рис.2. Принципиальная схема блока питания приемника

В этом выпрямителе применен промышленный силовой трансформатор от приемников "Рекорд-53", "Рекорд-59". При отсутствии промышленного трансформатора его можно изготовить самостоятельно по следующим данным: сердечник из пластин Ш-20, толщина набора 37 мм, сборка в перекрышку, обмотки содержат:

  • Ia - 737 витков провода ПЭЛ 0,25 мм;

  • Iб - 583 витка такого же провода;

  • II - 1250 витков провода ПЭЛ 0,15;

  • III - 42 витка провода ПЭЛ 1,0.
     

Если приемник питается от выпрямителя передатчика, напряжение на выходе которого равно 250...260 В, сопротивление резистора R8 следует увеличить до 6,8 кОм.

Конструкция приемника

Приемник (без выпрямителя) собран на шасси из 1,5 мм алюминия размерами 165х90х65 мм. На переднюю панель выведены рукоятка настройки приемника (ось переменного конденсатора С6), регулятор громкости R7 с выключателем, гнезда для включения телефонов и коаксиальное гнездо антенны. Шкала приемника выполнена тушью на ватмане и приклеена к передней панели клеем БФ-2. Сверху шкала закрыта органическим стеклом. Данные катушек приемника приведены в таблице.

Обоз.
Каркас
Вид намотки
К-во витков
Провод
Прим.
L1
На каркасе L2
Между витками L2
2,5
ПЭЛ 0,67
-
L2
Керамический, диам. 9 мм
Рядовая однослойная с принуд. шагом 1,5 мм
8
ПЭЛ 0,51
-
L3
Такой же, как у L2
Такая же как у L2
7,5
ПЭЛ 0,51
-
L4
Без каркаса
Рядовая односл. на оправке диам. 5 мм с шагом 1 мм
6
Медный посеребр. 1,5 мм
Отвод от 2 витка, от заземл. конца
L5
На каркасе L6 на расст. 1 мм от нее
Рядовая однослойная
3,5
ПЭЛ 0,35
-
L6
Полистироловый, диам. 8 мм
Рядовая однослойная
8
ПЭЛШО 0,8
Серд. СЦР-1
L7
Сопротивление ВС-0,25 не ниже 1 МОм
Внавал между щечками, ширина намотки 3,5 мм
100
ПЭЛ 0,12
Индуктив. 110 мкГн

В качестве конденсатора переменной емкости С6 может быть использован подстроечный конденсатор с воздушным диэлектриком.

При монтаже каскадов УВЧ, преобразователя и гетеродина к лепесткам ламповых панелей Л1 и Л2 нужно припаять экран из белой жести размерами 25х45 мм. Экран располагается вертикально и припаивается к центральному и четвертому лепесткам панелей. Этим достигается разделение монтажа цепей управляющей сетки от анодных цепей в каскаде УВЧ, а так же монтажа каскадов преобразователя и гетеродина.

Монтаж ВЧ каскадов должен быть выполнен короткими проводниками. По возможности вместо проводников следует использовать выводы конденсаторов и сопротивлений. Даже в этом случае длина выводов не должна превышать 12 мм. Все детали каскадов, присоединяемые к шасси, припаивают к экранам в одной точке.

Налаживание приемника

Налаживание приемника начинают с проверки монтажа. Затем, включив приемник, проверяют соответствие режимов ламп указанным на принципиальной схеме (рис.1). Если монтаж и режимы правильны, в телефонах должно прослушиваться характерное шипение (шум) сверхрегенерации.

Шипение должно прекратиться, если прикоснуться рукой к сетке лампы каскада сверхрегенеративного детектора. При отсутствии шипения (т.е. если сверхрегенератор не работает) нужно подобрать сопротивление R5 и конденсатор С7. Далее следует убедиться, работает ли гетеродин. Для этого в анодную цепь правого (по схеме) триода лампы Л2 включают милиамперметр. Если гетеродин работает, при замыкании на шасси сетки этого триода показания милиамперметра должны увеличиться.

Когда описанная выше предварительная проверка работоспособности каскадов приемника окончена, можно приступать к его настройке. Настройка производится при помощи генератора стандартных сигналов Г3-8 (ГМВ), Г4-7А (ГСС-7) или ГИРа. Вначале настраивают фильтр ПЧ L5-L6 C9, для чего конденсатор С3 отпаивают от анода лампы Л1, подсоединяют к нему выходной кабель ГСС, отпаивают анод триода гетеродина, устанавливают ручку настройки ГСС на частоту 25,7 МГц и, вращая сердечник фильтра ПЧ, настраивают его на эту частоту. В момент точной настройки шипение сверхрегенерации будет полностью подавлено.

Затем восстанавливают соединение анода триода гетеродина, ставят конденсатор переменной емкости С6 в среднее положение и настраивают ГСС на частоту 145 МГц. Сдвигая и раздвигая витки катушки L4, добиваются полного подавления шипения сверхрегенерации. После этого проверяют диапазон перекрытия гетеродина, устанавливая ротор конденсатора С6 в положения минимальной и максимальной емкости и вращая ручку настройки ГСС до тех пор, пока не возобновится шипение сверхрегенерации. Частоты по шкале ГСС, на которые будет установлена его ручка настройки в момент возобновления шипения, являются крайними частотами приемника.

Далее выходной кабель ГСС подключают к антенному гнезду приемника и восстанавливают соединение конденсатора С3 с анодом лампы Л1. Раздвигая и сдвигая витки катушек L2 и L3, добиваются максимальной слышимости сигнала ГСС в телефонах при полном подавлении шипения сверхрегенерации.

Если в распоряжении радиолюбителя нет ни ГСС, ни ГИРа, то приемник можно настроить по близлежащему УКВ передатчику, который работает в диапазоне 144...146 МГц. В этом случае вращением сердечника фильтра ПЧ, а также изменением расстояния между витками катушек L2 и L3 стараются получить наибольшую чувствительность приемника, а регулировкой расстояния между витками L4 - работу в заданном диапазоне частот. Показатель правильной настройки - тот же, что и при настройке по ГСС.


Добавил:  Павел (Admin)  
Автор:  В.Луговой. "Радио" №11/1964 год 

Вас может заинтересовать:

  1. Универсальный УКВ ЧМ приемник (70-150МГц)
  2. ЧМ приемник на TDA7088T
  3. Улучшение технических характеристик радиоприемников
  4. УКВ ЧМ приемник на К174ХА34 (конструкция 2)
  5. Высокая чувствительность приемника, простыми методами


    © PavKo, 2007-2018   Обратная связь   Ссылки views: 7173 -- users: 6960 -- web3   Яндекс.Метрика