Портал для радиолюбителей
   Микропередатчик с ЧМ в диапазоне частот 80-100 МГц
    Главная -> Статьи -> Шпионские штучки -> Микропередатчик с ЧМ в диапазоне частот 80-100 МГц


<< Назад в раздел   Распечатать Дата добавления: 2010-08-07 | Просмотров: 6406

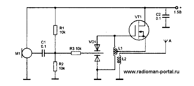
Схема сверхмаломощного передатчика диапазона 80-100 МГц с частотной модуляцией представлена на рис. 2.6. Его выходная мощность 0,5 мВт, отребляемый ток не превышает 2 мА. Питание осуществляется от аккумуляторного элемента напряжением 1,5 В. Задающий генератор УKB диапазона выполнен на полевом транзисторе VT1 типа КПЗ1ЗА по схеме индуктивной трехточки с использованием проходной емкости МОП-транзистора.

Схема

В генератор входят элементы VT1, VD1, LI, L2,С2, R3, а также соединительные и общий провода. Модулирующий сигнал с выхода микрофона Ml через конденсатор С1 и делитель напряжения Rl, R2, R3 поступает на варикапную матрицу VD1 типа КВС111А, изменение емкости которой приводит к частотной модуляции задающего генератора. Делитель напряжения на резисторах Rl и R2 служит для установки рабочей точки варикапа VD1. Катушка LI - бескаркасная, она состоит из 7 витков провода ПЭВ 0,44 с отводом от 3 витка, считая от заземленного вывода. Внутренний диаметр катушки LI - 4 мм. Катушка L2 содержит 1 виток того же провода, что и катушка L1. Ее нужно разместить соосно катушке L1 и по возможности ближе к ее заземленному выводу. В качестве антенны используется отрезок монтажного провода длиной 0,8 м, который для компактности может быть скручен в спираль.

Настройка передатчика сводится к установке частоты 88-108 МГц путем изменения индуктивности L1. Частоту настройки контролируют по промышленному приемнику. Транзистор генератора должен иметь ток не менее 1-1,5 мА (при замкнутой накоротко катушке L1).

В заключение хотелось бы отметить, что при увеличении напряжения источника питания до 4,5 В выходная мощность высокочастотного генератора возрастет до 10 мВт. При этом для сохранения девиации частоты рекомендуется подобрать сопротивление резистора R3.



Добавил:  Павел (Admin)  
Автор:  Неизвестно 

Вас может заинтересовать:

  1. Ручка видеокамера Mini Spy DVR Pen Video Recorder Camera HD 1280*960 New
  2. Передатчик на микросхеме Motorola MC2833
  3. УКВ ЧМ передатчик на 144...146 МГц
  4. УКВ ЧМ передатчик с радиусом действия 5 км
  5. Удвоитель частоты голоса


    © PavKo, 2007-2018   Обратная связь   Ссылки views: 3678 -- users: 3569 -- web3   Яндекс.Метрика