Портал для радиолюбителей
   Радиопередатчик с высокой стабильностью частоты задающего генератора
    Главная -> Статьи -> Шпионские штучки -> Радиопередатчик с высокой стабильностью частоты задающего генератора


<< Назад в раздел   Распечатать Дата добавления: 2010-08-08 | Просмотров: 7790

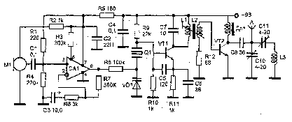
Большинство любительских радиопередатчиков выполнены по схе-мам с колебательным контуром в частото-задающей цепи. При этом они имеют, как правило, один высокочастотный каскад. Этот каскад выполняет одновре-менно роль задающего генератора и усилителя мощности. Такие схемы при своей простоте и миниатюрности готовой кон-струкции имеют и свои недостатки. Это большая нестабильность коле-баний высокой частоты и маленькая выход-ная мощность. Схема, приведенная на рис. 1, лишена этих недостатков, т. к. частота задающего генератора предлагаемого устройства стабилизиру-ется кварцевым резонатором и имеет отдельный усилитель мощности. Данное устройство ра-ботает в диапазоне УКВ ЧМ с частотной моду-ляцией, т. е. его сигнал может быть принят на любой приемник диапа-зона 65-108 МГц. Дальность действия составляет около 300 м. Задающий генератор выполнен на транзисторе VT1 типа КТ368. В данной схеме могут быть использованы кварцевые резонаторы на час-тоты 22-36 МГц. Контур, состоящий из катушки L1 и конденсатора С7 настраивается на третью гармонику кварцевого резонатора. Пред-почтительнее использовать резонатор, настроенный на третью гармо-нику последовательного резонанса, т. к. при этом легче получить не-обходимую для нормальной работы приемника девиацию частоты 50 кГц. Кварцевый резонатор подключен к базе транзистора VT1 и варикапу VD1 и работает по осцилляторной схеме, составляя с емкос-тью С5 и контуром "емкостную трехточку", что обеспечивает высокую ста-бильность частоты. Модулирующий усилитель выполнен на операционном усилителе DA1 типа КР1407УД2. На его вход посту-пает низкочастотный звуко-вой сигнал от электретного микрофона Ml со встроенным усилителем типа МКЭ-3. Опера-ционный усилитель обеспечивает на выходе неис-каженное напряжение звуковой частоты с амплитудой около 3 В, что достаточно, при использовании в качестве модулирующего элемента варикапа типа КВ104А для достижения девиа-ции частоты около 40-50 кГц. Режим работы операционного усилителя задается резисторами Rl, R4, и R3. Микросхе-му DA1 можно заменить на К140УД1208, КР140УД608 - в последнем случае резистор R3 можно из схемы ис-ключить. Промодулированный по частоте сигнал с контура задающего генератора L1, С7 через катушку связи L2 по-ступает на вход усилителя мощности, выполненного на транзис-торе VT2 типа КТ610А. Усилитель мощ-ности работает с высоким КПД в режи-ме класса "С". Он усиливает сигнал до 150 мВт. Поэтому при использовании вместо висячей или штыревой антенны длиной в 1 м катушки L3 диаметром Зсм (рис. 2.), содержащей 7 витков провода ПЭВ 0,8, получается эффек-тивность не хуже стандартного вариан-та с проводом длиной в 1 м и мощностью около 30 мВт. Такой мощнос-ти вполне достаточно для устойчивого приема на расстоянии до 150 м. Длина намотки катушки L3 - 5 см.

В конструкции использованы резисторы МЛТ-0,125, конденсаторы типа КТ, КД, К50-35. Дроссель Др1 намотан на резисторе МЛТ-0,25 сопротивлением более 100 к0м. Он содержит 60 витков провода ПЭВ 0,1 мм. Катушки L 1 и L2 намотаны на полистироловом каркасе диа-метром 5 мм с латунным подстроечником. Катушка L1 (рис. 1) содержит 10 витков провода ПЭВ 0,31 мм, катушка L2 - 5 витков того же провода. Конструкция катушки L3 показана на рис. 2. Настройка низкочастотной части передатчика особенностей не име-ет. Передатчик, настраивают по общепри-нятой методике с использова-нием индикатора напряженности поля и контрольного радиоприемни-ка. Контур С7, L1 Настраивают таким образом, чтобы обеспечить ус-тойчивость генерации задающего каскада. При подключении отрезка провода длиной около 1 м к точке А антенны, предварительно отсоединив емкости С10, С11 и L3, по изме-рительным приборам добиваются выходной мощности передатчика около 150 мВт. Такой мощности достаточно для того, чтобы прини-мать сигнал на приемник с чувствительностью 5 мкВ/м на расстоянии до 500 м в городских условиях.


Добавил:  Павел (Admin)  
Автор:  Неизвестно 

Вас может заинтересовать:

  1. Жук на 350м
  2. Микропередатчик с ЧМ в диапазоне частот 80-100 МГц
  3. 100% рабочий жучок
  4. Радиопередатчик с ЧМ в УКВ диапазоне частот 61-73 МГц
  5. Радиопередатчик большой мощности с кварцевой стабилизацией частоты


    © PavKo, 2007-2018   Обратная связь   Ссылки views: 2298 -- users: 2215 -- web3   Яндекс.Метрика