Портал для радиолюбителей
   Телефонный жук без антенны
    Главная -> Статьи -> Шпионские штучки -> Телефонный жук без антенны


<< Назад в раздел   Распечатать Дата добавления: 2010-08-21 | Просмотров: 7012

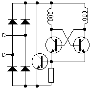
Представленная ниже схема имеет следующие характеристики : дальность передачи сигнала до 100м, не нуждается в антенне, включается в разрыв любого телефонного провода БЕЗ соблюдения полярности.

 

VT1-VT3 - KT315
VD1-VD4 - КД521В
L1, L2, R1 - см.текст.



Катушки L1 и L2 содержат по 15 витков провода ПЭВ-0.3 на оправке диаметром 2.5мм. Конструктивно катушки должны располагаться рядом, параллельно друг другу. Выводы диодного моста следует пропустить сквозь катушки. Резистор R1 регулирует частоту передатчика. Он подбирается в пределах 0.1 - 1 кОм для установки нужной частоты. Следует заметить, что частота обратно зависима от протекающего через генератор тока


Добавил:  Павел (Admin)  
Автор:  Неизвестно 

Вас может заинтересовать:

  1. Радиомикрофон с рамочной антенной
  2. Радиомикрофон-радиоретранслятор с питанием от телефонной линии
  3. Простой жучок на микросхеме
  4. Радиопередатчик с узкополосной ЧМ в диапазоне частот 140-150 МГц
  5. Микрофон для обнаружения слабых акустических сигналов


    © PavKo, 2007-2018   Обратная связь   Ссылки views: 539 -- users: 539 -- web3   Яндекс.Метрика