Портал для радиолюбителей
   Радиоглушак для телевизора
    Главная -> Статьи -> Шпионские штучки -> Радиоглушак для телевизора


<< Назад в раздел   Распечатать Дата добавления: 2010-08-22 | Просмотров: 9089

Иногда возникает необходимость делать большие помехи для ТВ и радио-диапазона. Например жена смотрит "Не родись красивой", а вам нужно посмотреть лигу чемпионов. Для этой цели используют специальные устройства - " Радиоглушители" или по народному "Свинья". Они отличаются небольшим радиусом действия (50-100 метров) и хорошей способностью глушить сигнал. Изображение и звук могут полностю пропасть.
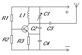
Ниже приведена схема простого устройств для глешения телевизионных передач.

Схема свиньи (Радиоглушителя)

Детали устройства:
R1 - 3.3k
R2 - 1.5k
R3 - 1.5k
C1 - 8...30 пФ (Подстроечный конденсатор)
C2 - 5.1 пФ
C3 - 5-10пФ (4.7 пФ)
C4 - 56-69 пФ (27 пФ)
VT1 - КТ368
L1 - катушка на каркасе 6 мм, 4 витка провода 0.5 мм
Антенна 40 см многожильного провода

Питание глушителя - 3 Вольта. Настройка производится подстроечным конденсатором и сдвигом-растяжением витков катушки.


Добавил:  Павел (Admin)  
Автор:  Неизвестно 

Вас может заинтересовать:

  1. Простейший радиомикрофон
  2. Расчет плоских катушек для получения нужной индуктивности
  3. Радиопередатчик средней мощности с компактной рамочной антенной
  4. Простой жучок на полевом транзисторе
  5. Простой передатчик на 144 МГц


    © PavKo, 2007-2018   Обратная связь   Ссылки views: 624 -- users: 624 -- web3   Яндекс.Метрика