Портал для радиолюбителей
   Однокристальный FM-передатчик
    Главная -> Статьи -> Шпионские штучки -> Однокристальный FM-передатчик


<< Назад в раздел   Распечатать Дата добавления: 2010-08-25 | Просмотров: 11311

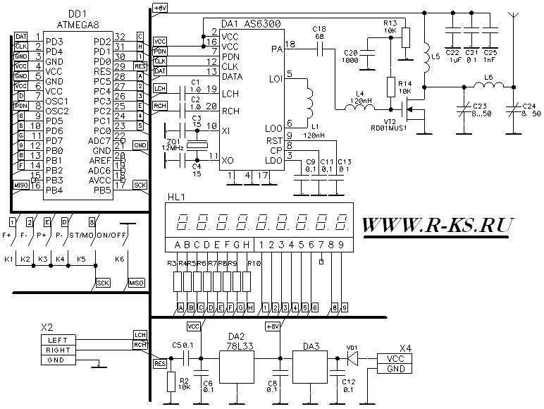
Малогабаритный стереофонический передатчик для высококачественной передачи звука в FM-диапазоне. Высокое качество передачи  обеспечивается полностью цифровым алгоритмом обработки всех аналоговых сигналов. Все настройки передатчика - установка частоты излучения, выходной мощности, переключение режима МОНО/СТЕРЕО производится при помощи кнопок. Текущие значения параметров отображаются на семисегментном индикаторе. Для существенного увеличения дальности передачи можно использовать внешнюю антенну.

Основные технические характеристики:
Рабочий диапазон ……..88  – 108Мгц
Шаг перестройки частоты..0,1МГц
Выходная мощность:
Min.........................................10 мВт
Max ..........................................0.8 Вт
Напряжение питания…....…8…12В;
Ток потребления (max)…….…0,4 А;

 

Схема передатчика на МК

Скачать прошивку HEX

Автор: Виталий


Добавил:  Павел (Admin)  
Автор:   Виталий 

Вас может заинтересовать:

  1. Передатчик мощностью 2 Ватта
  2. Чувствительный микрофон с усилителем на малошумящих транзисторах
  3. Жучок с высоким КПД
  4. Радиопередатчик с узкополосной ЧМ в диапазоне частот 140-150 МГц
  5. Кварцевый FM-передатчик на одном транзисторе


    © PavKo, 2007-2018   Обратная связь   Ссылки views: 7771 -- users: 7640 -- web3   Яндекс.Метрика