Портал для радиолюбителей
   Прецизионный кольцевой стабилизатор
    Главная -> Статьи -> Блоки питания, зарядные устройства -> Прецизионный кольцевой стабилизатор


<< Назад в раздел   Распечатать Дата добавления: 2010-12-24 | Просмотров: 7232

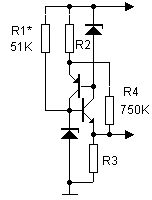
Имеет исключительно высокий коэффициент стабилизации за счёт встречного включения ГСТ (т.е. за счёт взаимостабилизации). При применении прецизионных стабилитронов Д818Е и токе через них 10ма и более коэффициент стабилизации достигает 100 тыс. и более.


Добавил:  Павел (Admin)  
Автор:  Азбука транзисторной схемотехники А.Петров, г.Могилёв (РЛ,1994,4..12) 

Вас может заинтересовать:

  1. Импульсные преобразователи напряжения – Выбор конденсаторов
  2. Зарядное устройство аккумуляторов от 1,2 до 15 В и от 0,1 до 10 А*ч
  3. Герметичные свинцово-кислотные аккумуляторы в радиолюбительской практике
  4. Высокоэффективное зарядное устройство для батарей
  5. Зарядное устройство - автомат


    © PavKo, 2007-2018   Обратная связь   Ссылки views: 1410 -- users: 1389 -- web3   Яндекс.Метрика