Портал для радиолюбителей
   Составной транзистор со следящей связью в цепи базы
    Главная -> Статьи -> Схемные решения -> Составной транзистор со следящей связью в цепи базы


<< Назад в раздел   Распечатать Дата добавления: 2010-12-24 | Просмотров: 8516

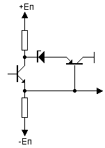
Из-за огромного входного сопротивления повторителей на составных транзисторах особенно остро встаёт о цепи смещения базы. Делать сопротивления порядка нескольких мегаом нельзя из-за температурной нестабильности и невозможности обеспечения необходимого тока базы. Поэтому во входном каскаде, как правило, используют полевой транзистор или следящую связь в цепи базы:

Для того что бы искусственно увеличить сопротивление Rк и исключить (нейтрализовать) влияние ёмкости Ск , т.е. исключить её перезаряд, необходимо что бы напряжение Uкб1 было постоянно, т.е. нужно изменять потенциал Uк1 пропорционально потенциалу Uб1, ток через Rк и Ск станет равным нулю, а это равноценно увеличению их комплексного сопротивления. Для реализации этой идеи в коллектор (сток) первого транзистора полностью подаётся переменная составляющая выходного напряжения с помощью конденсатора достаточно большой ёмкости:

или с помощью стабилитрона,схемы сдвига уровня:

или с помощью истокового повторителя:

Аналогичная идея реализована в широкополосном повторителе:


Добавил:  Павел (Admin)  
Автор:  Азбука транзисторной схемотехники А.Петров, г.Могилёв (РЛ,1994,4..12) 

Вас может заинтересовать:

  1. Частотнозависмый усилитель на каскаде ОБ в сочетании с ОЭ
  2. Высоколинейный эмиттерный повторитель с высокой нагрузочной способностью
  3. Пример коллекторной стабилизации с исключением влияния ООС по переменному току
  4. Выходной каскад на квазикомплементарной паре
  5. Особенности каскада с общей базой


    © PavKo, 2007-2018   Обратная связь   Ссылки views: 2471 -- users: 2340 -- web3   Яндекс.Метрика