Портал для радиолюбителей
   Микшер с генератором тока в цепи эмиттера
    Главная -> Статьи -> Предварительные усилители -> Микшер с генератором тока в цепи эмиттера


<< Назад в раздел   Распечатать Дата добавления: 2010-12-25 | Просмотров: 5975

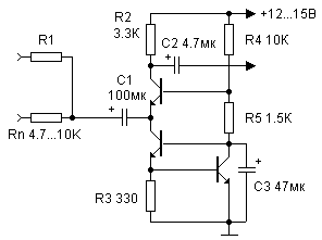
Для стабилизации режима по постоянному току в цепи эмиттера используется генератор тока. Благодаря низкому входному сопротивлению каскада с ОБ взаимовлияние различных источников сигнала минимальное. Коэффициент передачи микшера с любого входа равен Кi=R2/R1, где Ri - сопротивление резистора R1...Rn, включённого в цепь источника сигнала. Сопротивление нагрузки Rн=R2.


Добавил:  Павел (Admin)  
Автор:  Азбука транзисторной схемотехники А.Петров, г.Могилёв (РЛ,1994,4..12) 

Вас может заинтересовать:

  1. Применение микросхемы К548УН1
  2. Электронный переключатель сигналов на TDA1029
  3. Предварительный УЗЧ на микросхемах серии К174
  4. Предварительный усилитель-драйвер
  5. Предварительный усилитель на трех деталях на лампе 6э5п


    © PavKo, 2007-2018   Обратная связь   Ссылки views: 4563 -- users: 4473 -- web3   Яндекс.Метрика