Портал для радиолюбителей
   Простой приемник на 28...29,7 МГц
    Главная -> Статьи -> Радиоприемники -> Простой приемник на 28...29,7 МГц

экспертиза проведенного ремонта автомобиля независимая

<< Назад в раздел   Распечатать Дата добавления: 2007-09-24 | Просмотров: 17191

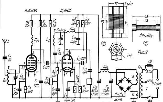
Двухламповый приемник для начинающих радиолюбителей предназначен для приема радиостанций, работающих телефоном.

Благодаря применению усилителя высокой частоты и сверхрегенеративного детектора он почти не дает паразитного излучения в антенну и обладает достаточно высокой чувствительностью, не хуже 10 мкВ.

Приемник собран по схеме прямого усиления и содержит усилитель высокой частоты, сверхрегенеративный детектор и усилитель низкой частоты.

Контур L1C2 при приеме радиостанций не перестраивается и настроен на среднюю частоту диапазона 29 МГц. Основное достоинство приемника - простота изготовления и настройки, малое количество деталей.

Недостатком сверхрегенеративного приемника являются значительные собственные шумы и пониженная по сравнению с супергетеродинным приемником избирательность.

Приемник смонтирован на П-образном шасси размерами 210x100x60 мм. Катушки индуктивности L1 и L2 намотаны на полистироловых каркасах от коротковолнового диапазона вещательных приемников. Они содержат по 17 витков провода ПЭЛ 0,8. Дроссель фильтра Др3 наматывается на сердечнике Ш-14, толщина набора 15 мм и содержит 3000 витков провода ПЭЛ 0,15. Силовой трансформатор можно использовать от промышленных приемников с подходящими напряжениями.

Налаживание приемника

Проверка УНЧ производится касанием отвертки вывода 2 лампы Л2. При этом в телефоне должен прослушиваться фон переменного тока.

Проверка сверхрегенеративного детектора. В нормально работающем каскаде при вращении ручки потенциометра R5 в телефонах должен плавно появляться и исчезать свойственный сверхрегенератору шум. Если этого не происходит, следует изменить значение сопротивления R4 и более тщательно подобрать R7.

Подгонку диапазона осуществляют с помощью ГСС. Последним этапом налаживания приемника является настройка усилителя высокой частоты. Для этого с выхода ГСС через сопротивление 200 Ом подают частоту 29 МГц с включенной внутренней модуляцией. Настройку производят вращением сердечника или конденсатора по максимальной громкости на выходе приемника.

Для устранения самовозбуждения необходимо разнести как можно дальше анодные и сеточные цепи, либо несколько уменьшить напряжение на аноде и экранирующей сетке Л1, увеличив R2 и R3.

Оптимальные точки подключения антенны и сеточного конца к катушке L1 определяют при приеме корреспондента.


Добавил:  Павел (Admin)  
Автор:  Лаборатория ЦРК ДОСААФ. 1964 год 

Вас может заинтересовать:

  1. Сверхрегенеративный приемник на 90...150 МГц
  2. УКВ ЧМ приемник на К174ХА34 (конструкция 2)
  3. УКВ ЧМ приемник на КХА058
  4. Радиоприемник "Бархан"
  5. УКВ радиоприемник на КХА-058


    © PavKo, 2007-2018   Обратная связь   Ссылки views: 3163 -- users: 3111 -- web3   Яндекс.Метрика