Портал для радиолюбителей
   Универсальный металлоискатель
    Главная -> Статьи -> Бытовая электроника -> Универсальный металлоискатель


<< Назад в раздел   Распечатать Дата добавления: 2010-12-30 | Просмотров: 6414

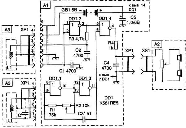
Принципиальная схема универсального металлоискателя


Добавил:  Павел (Admin)  
Автор:  Неизвестно 

Вас может заинтересовать:

  1. Регулятор мощности для электроплитки
  2. Сенсорное реле
  3. Принцип работы электронного счетчика
  4. Лазерная указка в исполнительном устройстве
  5. Полупроводниковый ключ переменного тока на ТО125-12,5


    © PavKo, 2007-2018   Обратная связь   Ссылки views: 1806 -- users: 1666 -- web3   Яндекс.Метрика